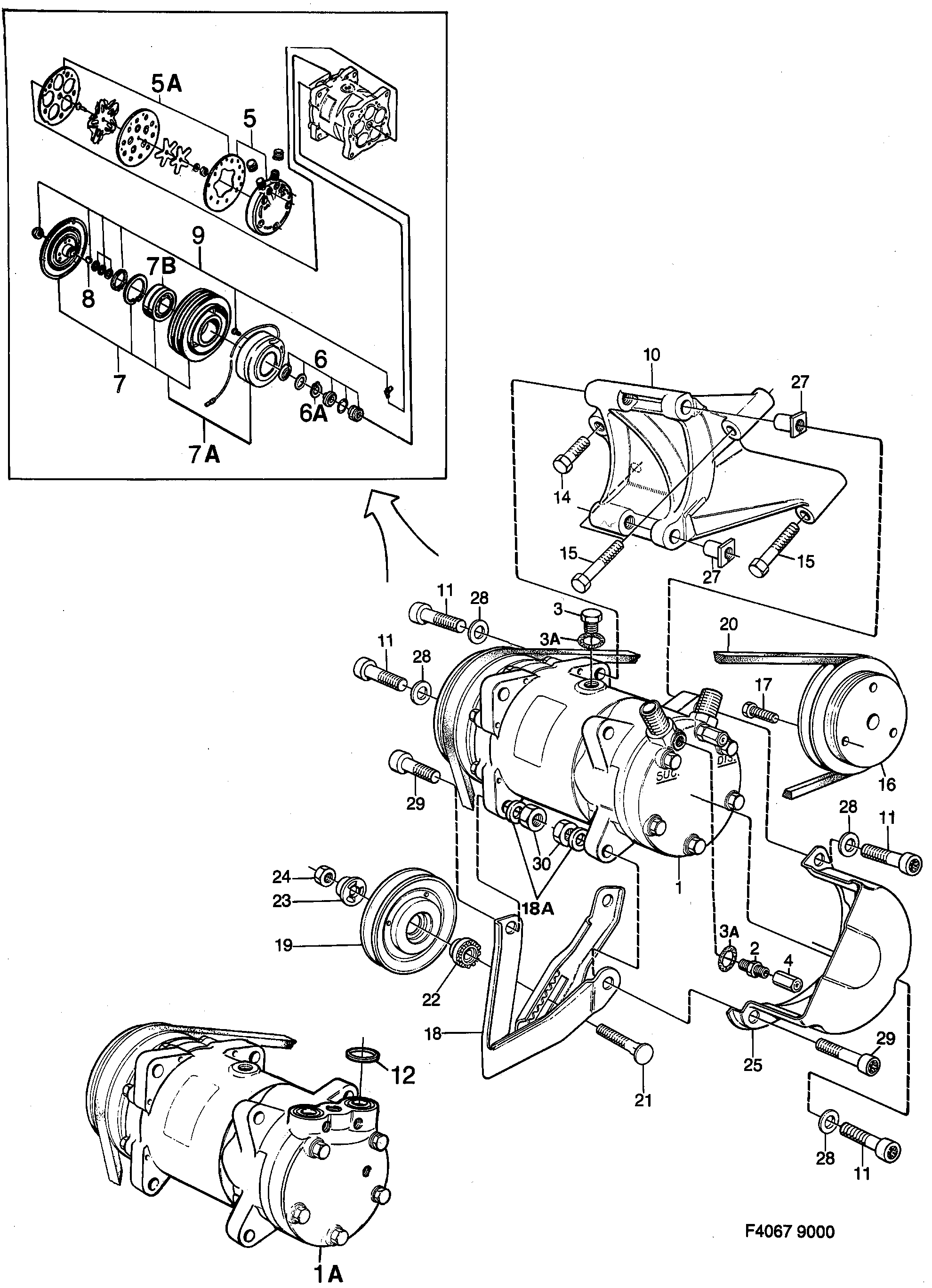
250: Отопление и вентиляция - Компрессор АС
(1985 - 1989) | Для 9000 (1987)

| Поз. | Номер | Кол-во | |||
|---|---|---|---|---|---|
| 1 | 9629254 Компрессор 1986-1987 | (9627175) | 1 | |||
| 1 | 4319992 Компрессор 1986-1989 | SD709A ALT TO SD709 | 1 | |||
| 2 | 9479452 Клапан | 2 | |||
| 3 | 9479478 Пробка | 1 | |||
| 3 | 4072450 Пробка SD709A | 1 | |||
| 3A | 9479486 О-образное кольцо | 3 | |||
| 4 | 9626896 Пробка | 2 | |||
| 5 | 9479759 Головка цилиндра 1985-1987 | SD510 | 1 | |||
| 5 | 7495179 Головка цилиндра SD709A | 1 | |||
| 5A | 9479742 Комплект прокладок 1985-1987 | SD510 | 1 | |||
| 5A | 4383287 Комплект прокладок SD709A | 1 | |||
| 6 | 9482357 Комплект уплотнителей 1985-1987 | SD510 | 1 | |||
| 6 | 4383261 Комплект уплотнителей SD709A | 1 | |||
| 6A | 9482381 Кольцо шарикоподшипника 1985-1987 | SD510 | 1 | |||
| 6A | 4383279 Стопорное кольцо SD709A | 1 | |||
| 7 | 9631409 Сцепление 1986-1987 | SD510 | 1 | |||
| 7A | 9627183 Сцепление 1986-1987 | SD510 | 1 | |||
| 7A | 4383337 Сцепление SD709A | 1 | |||
| 7B | 9480856 Шарикоподшипник 1985-1987 | SD510 | 1 | |||
| 7B | 4383303 Шарикоподшипник SD709A | 1 | |||
| 8 | 9479726 Клин -1989 | 1 | |||
| 8 | 4072468 Клин SD709A | 1 | |||
| 9 | 9626904 Комплект аксессуаров 1985-1987 | SD510 | 1 | |||
| 9 | 4383360 Комплект аксессуаров SD709A | 1 | |||
| 10 | 7596000 Консоль 1986-1987 | (7573454) | 1 | |||
| 11 | 7576580 Винт 1987-1989 | 4 | |||
| 12 | 4071999 4635520 О-образное кольцо | 2 | |||
| 14 | 7970015 Винт | 1 | |||
| 15 | 7977606 90541167 Винт 1986-1989 | 3 | |||
| 16 | 9382342 Шкив 1985-1988 | 1 | |||
| 17 | 8019945 Винт 1985-1988 | 3 | |||
| 18 | 7554165 Рычаг 1986-1989 | 1 | |||
| 19 | 9325663 4118964 Шкив | 1 | |||
| 20 | 9382383 Клиновой ремень | 1 | |||
| 21 | 9382466 Винт | 1 | |||
| 22 | 9386343 Осевой палец | 1 | |||
| 23 | 9386350 Гильза | 1 | |||
| 24 | 7968415 Гайка замка | 1 | |||
| 25 | 4070926 Щит 1985-1987 | (7573967) | 1 | |||
| 27 | 7553324 Гильза | 2 | |||
| 28 | 7061328 Шайба | 4 | |||
| 29 | 7975030 Винт | 2 | |||
| 30 | 8151243 Гайка | 2 | |||
| X | |||||