520: Двигатель - Топливная система - Воздухоочиститель - Двигатель
(1989 | I) | Для 9000 (1989)
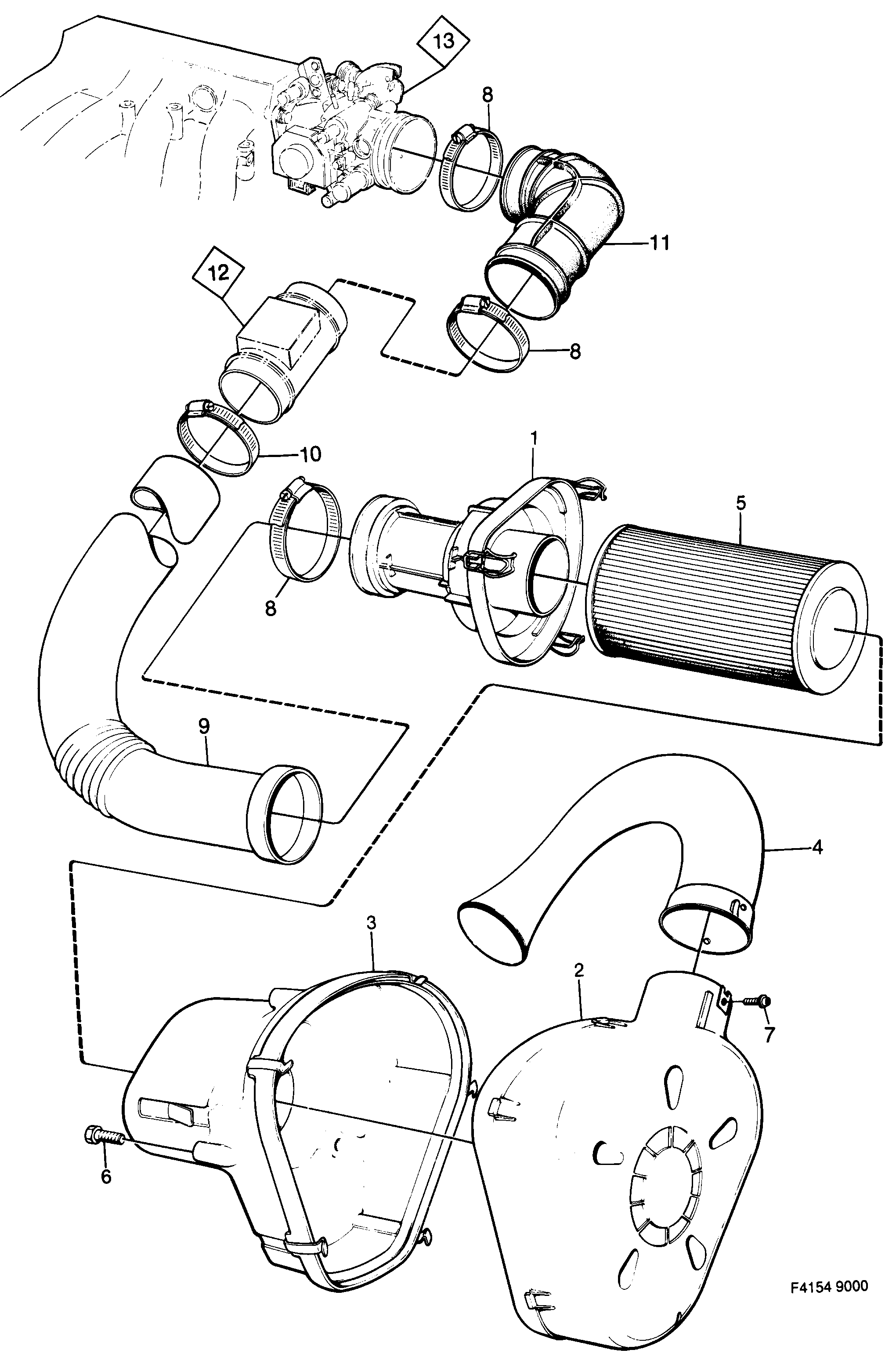
Касается также SE 1988B.

| Поз. | Номер | Кол-во | |||
|---|---|---|---|---|---|
| 1 | 8976706 Крышка | 1 | |||
| 2 | 9391616 Корпус воздухоочистителя | 1 | |||
| 3 | 9390170 Корпус воздухоочистителя | 1 | |||
| 4 | 9390915 Труба | 1 | |||
| 5 | 9390907 Воздушный фильтр | 1 | |||
| 6 | 7977788 Винт | 3 | |||
| 7 | 7972888 Винт | 2 | |||
| 8 | 7970155 92153080 Зажим шланга | 3 | |||
| 9 | 8976607 Труба | 1 | |||
| 10 | 7970148 92153079 Зажим шланга | 1 | |||
| 11 | 9388968 Шланг | 1 | |||
| 12 | |||||
| 13 | |||||