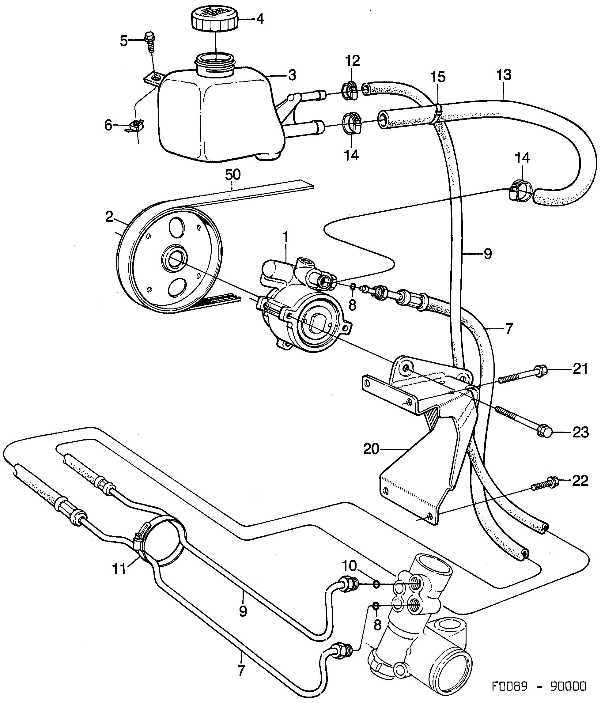
250: Передняя сборка - Рулевое управление - Гидравлический насос
(1985 - 1989) | Для 9000 (1989)

| Поз. | Номер | Кол-во | |||
|---|---|---|---|---|---|
| 1 | 8972770 Гидравлический насос 1988-1989 | 80 А генератор | 1 | |||
| 1 | 8972424 4647426 Гидравлический насос 1989-1989 | Касается также SE 1988B. 115 А генератор | 1 | |||
| 2 | 8956914 Шкив -1989 | 1 | |||
| 2 | 93183540 Шкив 1989- | Восстановленная деталь. | (7599475) | 1 | |||
| 3 | 8965832 Резервуар, бачок (8957912) | 1 | |||
| 4 | 8956385 4197380 Крышка | 1 | |||
| 5 | 7977432 7978133 Винт | 1 | |||
| 6 | 7975006 Гайка | 1 | |||
| 7 | 8959033 Шланг -1989 | 1 | |||
| 7 | 8972416 Шланг 1989- | 1 | |||
| 7 | 8963308 Шланг -1989, RHD | 1 | |||
| 7 | 8972945 Шланг 1989-, RHD | 1 | |||
| 8 | 8937500 4104048 О-образное кольцо | 2 | |||
| 9 | 8959090 Шланг | 1 | |||
| 9 | 8963357 Шланг RHD | 1 | |||
| 10 | 8937500 4104048 О-образное кольцо | 1 | |||
| 11 | 7970130 92153077 Зажим шланга | 1 | |||
| 11 | 7970122 Зажим шланга RHD | 1 | |||
| 12 | 7963507 7970049 Зажим шланга | 1 | |||
| 13 | 8959116 Шланг | 1 | |||
| 14 | 7963531 7970072 Зажим шланга | 2 | |||
| 15 | 7398373 Зажим | 1 | |||
| 20 | 7550361 Консоль | 1 | |||
| 20 | 7593452 Консоль 115 А генератор | 1 | |||
| 21 | 7551641 Винт | 2 | |||
| 22 | 7967938 55562121 Винт | 2 | |||
| 23 | 7973787 Винт | 2 | |||
| 23 | 7973795 Винт 115 А генератор | 2 | |||
| 50 | |||||
8989857 Комплект прокладок гидравлический насос | X | ||||