2030: Двигатель - Система охлаждения - Насос охлаждающей жидкости
(1990 - 1993 | B234I) | Для 9000 (1990)

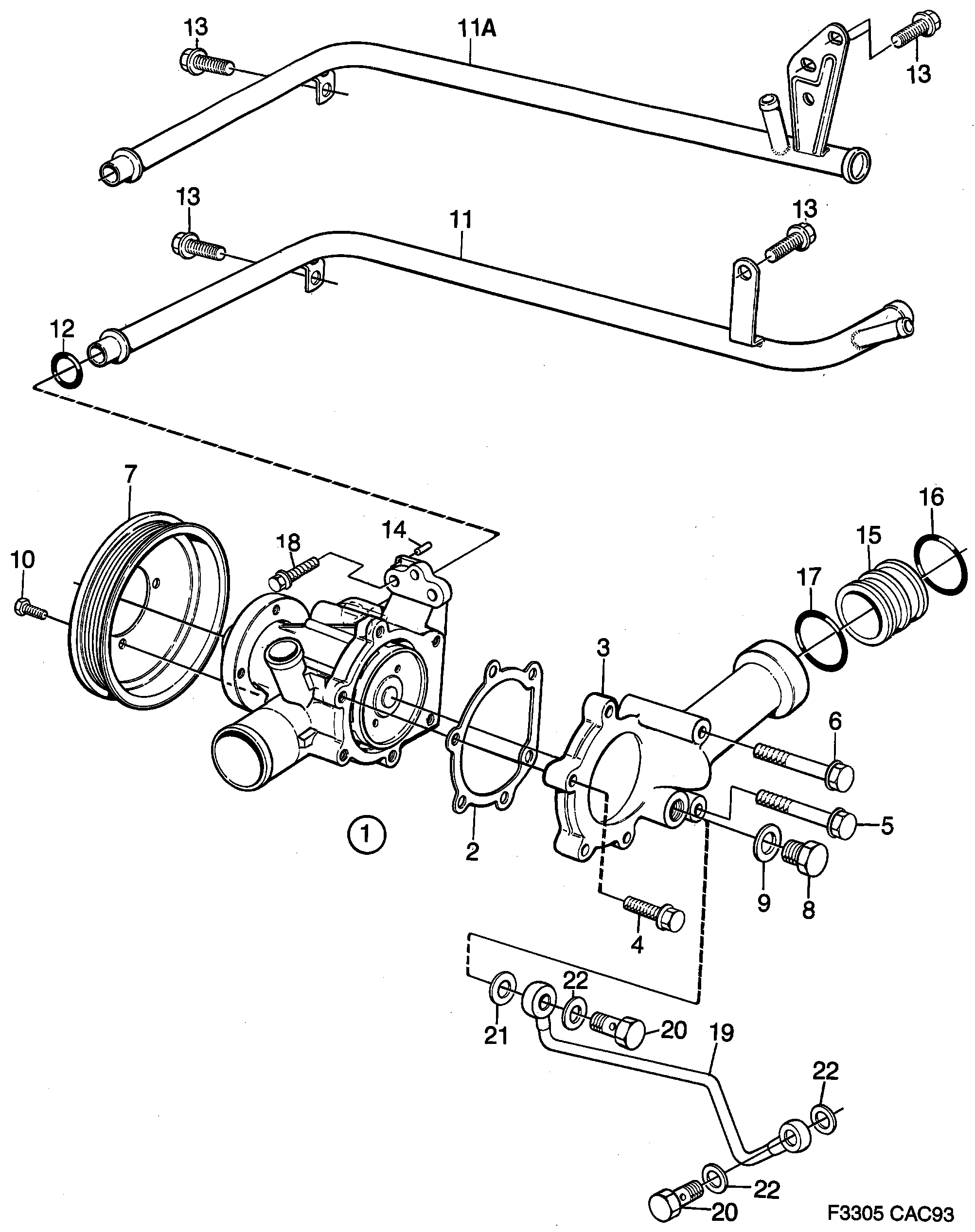
| Поз. | Номер | Кол-во | |
|---|---|---|---|
| 1 | 8819948 9321688 Насос охлаждающей жидкости 1990-1990 | Имеется также как заменяемый узел. | 1 | |
| 2 | 9113325 Прокладка | 1 | |
| 3 | 9114265 Консоль | 1 | |
| 4 | 8125189 Винт | 4 | |
| 5 | 8125247 Винт | 1 | |
| 6 | 8125270 7985062 Винт | 1 | |
| 7 | 7565104 Шкив | 1 | |
| 8 | 8123721 7563042 Пробка | 1 | |
| 9 | 7522709 Прокладка | 1 | |
| 10 | 8019903 7985930 Винт | 4 | |
| 11 | 9113358 Труба -1990 | 1 | |
| 11A | 7858921 30551951 Труба 1990- | 1 | |
| 11A | 7858921 30551951 Труба LHD | 1 | |
| 12 | 7972698 9146598 О-образное кольцо | 1 | |
| 13 | 8125007 Винт -1990 | 2 | |
| 13 | 8129892 Винт 1990- | 3 | |
| 13 | 8129892 Винт LHD | 3 | |
| 14 | 8049405 7918337 Труба 1990-1992 | 1 | |
| 15 | 9113341 Труба | 1 | |
| 16 | 8046674 55562943 О-образное кольцо | 1 | |
| 17 | 8046682 30551915 О-образное кольцо | 1 | |
| 18 | 8125197 Винт | 3 | |
| 19 | 9114083 30539180 Труба TURBO | T25 | 1 | |
| 19 | 9137928 Труба TURBO | TD04 | 1 | |
| 20 | 8123903 92150977 Банджо-винт TURBO | T25 | 2 | |
| 20 | 9136524 90490324 Банджо-винт TURBO | TD04 | 2 | |
| 21 | 8326712 4161162 Уплотнение TURBO | 1 | |
| 22 | 8124141 92150435 Прокладка TURBO | T25 | 3 | |
| 22 | 8124133 11066422 Прокладка TURBO | TD04 | 3 |