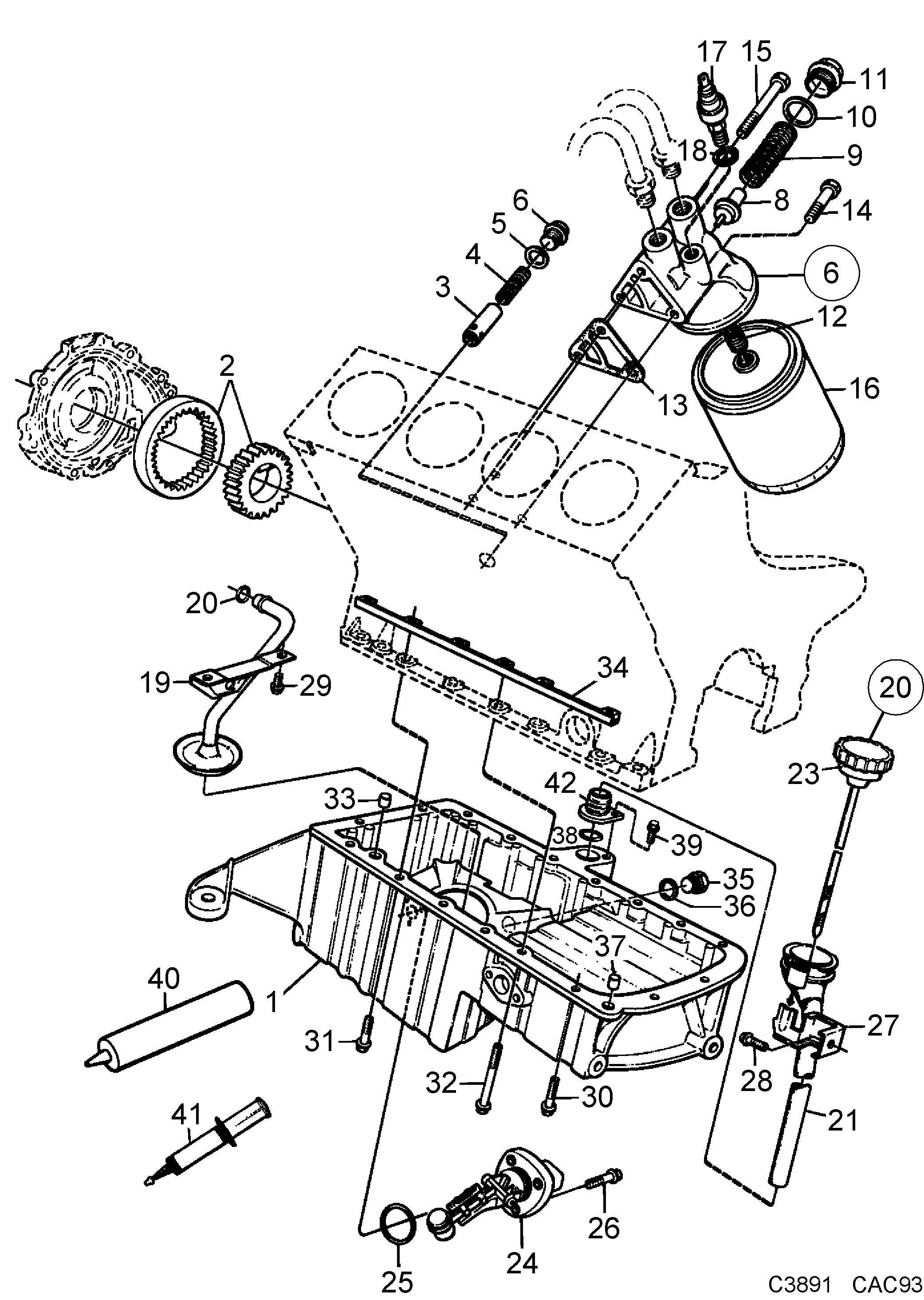
440: Двигатель - Система смазки - Масляный насос, масляный фильтр,
(1990 - 1993) | Для 9000 (1990)

| Поз. | Номер | Кол-во | |
|---|---|---|---|
| 1 | 9117029 30540514 Маслоотстойник 1990-1990 | 1 | |
| 2 | 8817561 Комплект насоса 1990-1991 | 1 | |
| 3 | 7508708 Поршень | 1 | |
| 4 | 9309998 Пружина | 1 | |
| 5 | 9355389 Прокладка | 1 | |
| 6 | 7508955 Пробка | 1 | |
| 7 | 7560139 Промежуточная деталь | 1 | |
| 8 | 9301540 55557392 Термостат | 1 | |
| 9 | 9300591 Пружина | 1 | |
| 10 | 9109182 30520353 Прокладка | 1 | |
| 11 | 7520372 Пробка | 1 | |
| 12 | 8348609 Соединительная труба | 1 | |
| 13 | 7566433 Прокладка | 1 | |
| 14 | 8125254 Винт | 1 | |
| 15 | 8125304 Винт | 2 | |
| 16 | 9309576 93186554 Фильтр | 1 | |
| 17 | 9112459 30520357 Датчик давления масла | 1 | |
| 18 | 8124216 30520353 Прокладка | 1 | |
| 19 | 9127069 Труба всасывания масла | 1 | |
| 20 | 7972698 9146598 О-образное кольцо | 1 | |
| 21 | 9388794 Труба | 1 | |
| 22 | 9391467 Масляный щуп | 1 | |
| 23 | 9361544 55557303 Уплотнительное кольцо | 1 | |
| 24 | 9390154 93167188 Датчик | 1 | |
| 25 | 7970361 О-образное кольцо (8046625) | 1 | |
| 26 | 8125023 Винт | 3 | |
| 27 | 9388232 Крепление | 1 | |
| 28 | 7967938 55562121 Винт | 1 | |
| 29 | 2961357 Винт 1990-1992 | 2 | |
| 30 | 8125189 Винт | 11 | |
| 31 | 8125205 Винт | 4 | |
| 32 | 8125262 Винт | 2 | |
| 33 | 7484934 Гильза | 2 | |
| 34 | 7501398 Держатель | 1 | |
| 35 | 7563042 Пробка 1990-1990 | 1 | |
| 36 | 7522709 Прокладка 1990-1990 | 1 | |
| 38 | 8046625 7970361 О-образное кольцо | 1 | |
| 39 | 8125031 7974694 Винт | 1 | |
| 40 | 8781841 93165267 Уплотнение фланца 1990-1990 | 280 ML | X | |
| 42 | 8856833 Ниппель 1990-1991 | 1 | |
8817686 Сервисный комплект TURBO | X | ||
8819138 Сервисный комплект TURBO | WITH DI | X |