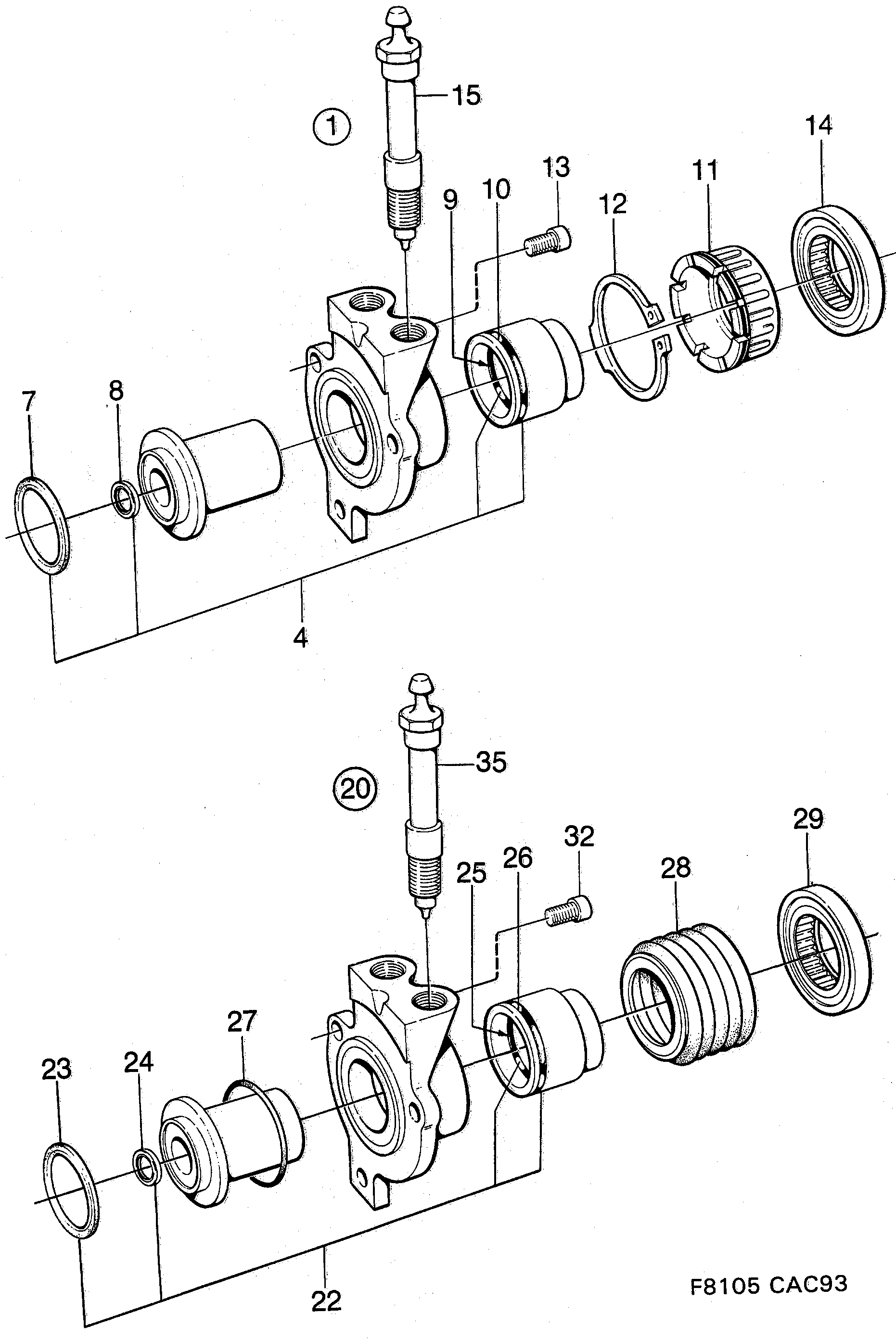
260: Силовая передача - Коробка передач, ручная - Подшипник выключения сцепления - Ведомый цилиндр
(1990 - 1993 | M) | Для 9000 (1990)

| Поз. | Номер | Кол-во | |||
|---|---|---|---|---|---|
| 1 | 8781189 Ведомый цилиндр | 1 | |||
| 4 | 8781122 Комплект уплотнителей | 1 | |||
| 7 | 8733198 Уплотнение | 1 | |||
| 8 | 8722001 Уплотнение Не имеется как отдельная запчасть. | 1 | |||
| 9 | 8722126 Уплотнение Не имеется как отдельная запчасть. | 1 | |||
| 10 | 8722118 Уплотнение Не имеется как отдельная запчасть. | 1 | |||
| 11 | 8722100 Уплотнение | 1 | |||
| 12 | 8714420 Кольцо шарикоподшипника | 1 | |||
| 13 | 8723322 Винт | 3 | |||
| 14 | 8721995 Подшипник выключения сцепления | 1 | |||
| 15 | 8722746 Ниппель | 1 | |||
| 20 | 8781387 4904579 Ведомый цилиндр | 1 | |||
| 22 | 4904561 Комплект уплотнителей See SI 410-2026 | 1 | |||
| 23 | 8729600 4903787 О-образное кольцо | 1 | |||
| 24 | 8722001 Уплотнение Не имеется как отдельная запчасть. | 1 | |||
| 25 | 8722126 Уплотнение Не имеется как отдельная запчасть. | 1 | |||
| 26 | 8722118 Уплотнение Не имеется как отдельная запчасть. | 1 | |||
| 27 | 8729592 Уплотнение | 1 | |||
| 28 | 8729618 Защита от пыли | 1 | |||
| 29 | 8721995 Подшипник выключения сцепления | 1 | |||
| 32 | 8729675 Винт | 3 | |||
| 35 | 8722746 Ниппель | 1 | |||