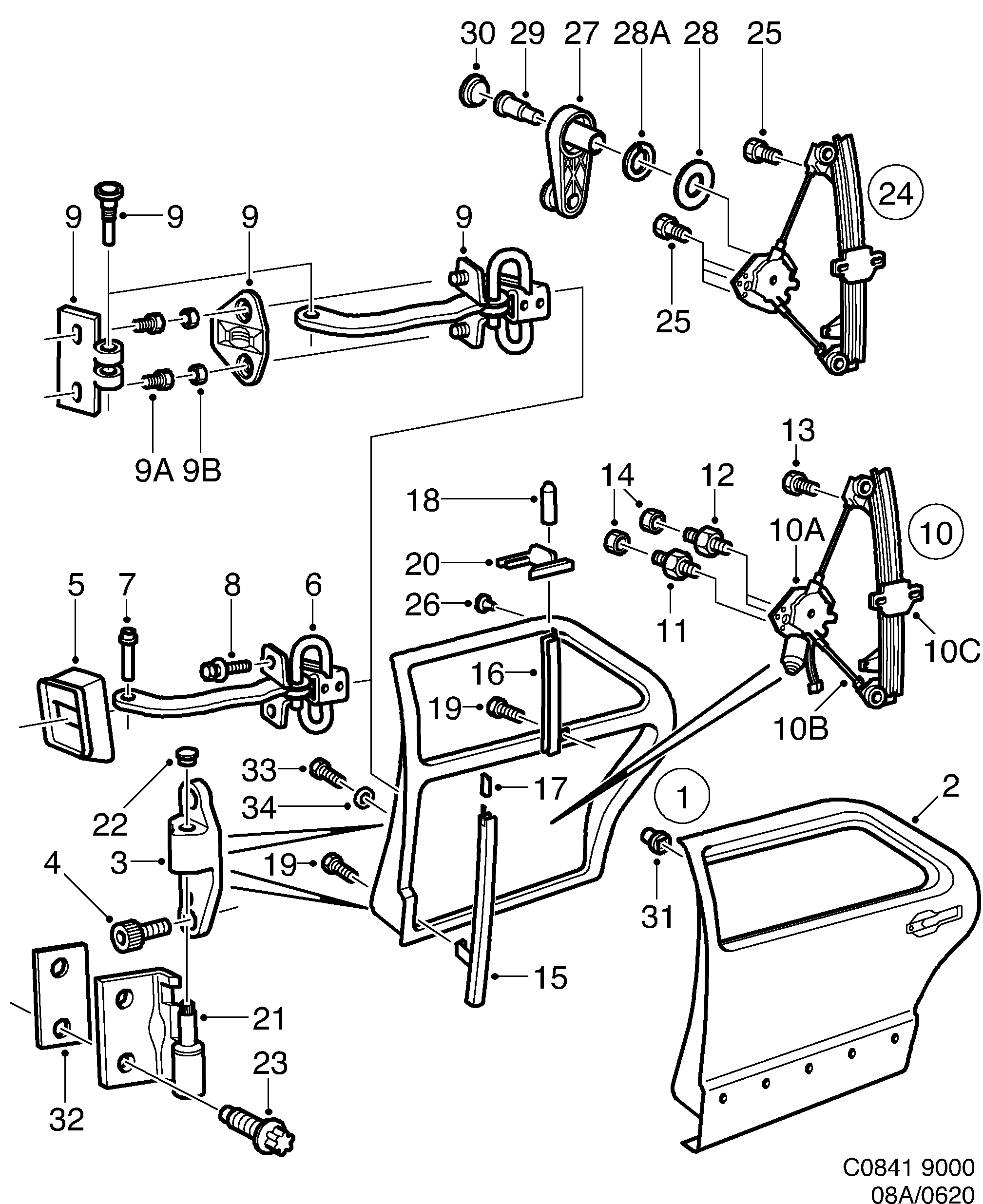
620: Кузов, снаружи - Двери, крышка багажника - Задние двери, петли, стеклоподъемники - стеклоподъемники
(1990 - 1993) | Для 9000 (1990)

| Поз. | Номер | Кол-во | |
|---|---|---|---|
| 1 | 6975916 Дверь 1990-1991 | LH | 1 | |
| 1 | 6975908 Дверь 1990-1991 | RH | 1 | |
| 1 | 4306056 Дверь LH | 1 | |
| 1 | 4306064 Дверь RH | 1 | |
| 2 | 9252776 Внешняя панель LH | 1 | |
| 2 | 9252768 Внешняя панель RH | 1 | |
| 2 | 4858015 Внешняя панель LH | 1 | |
| 2 | 4858007 Внешняя панель RH | 1 | |
8247181 Пробка | 2 | ||
| 3 | 6961718 4306809 Петля 1990-1992 | LH | 2 | |
| 3 | 6961700 4306791 Петля 1990-1992 | RH | 2 | |
| 4 | 7398761 Винт | 8 | |
| 5 | 9262627 Защита 1990-1990 | 2 | |
| 6 | 9279886 Стопор двери 1990-1990 | 2 | |
| 7 | 9267477 Комплект труб 1990-1990 | 2 | |
| 8 | 9270257 Винт 1990-1990 | 4 | |
| 10 | 9255233 Стеклоподъемник Электроманеврируемый | LH | 1 | |
| 10 | 9255225 Стеклоподъемник Электроманеврируемый | RH | 1 | |
| 10B | 8285298 Кабель 1990-1990 | 1 | |
| 10C | 4695334 Держатель LH | 1 | |
| 10C | 4695342 Держатель RH | 1 | |
4303186 30538908 Демпфер | 3 | ||
| 11 | 9263823 30538908 Демпфер 1990-1990 | Для электроподъемника окна | 4 | |
| 12 | 9268608 30538908 Демпфер 1990-1990 | Для электроподъемника окна | 2 | |
| 13 | 7969223 Винт | 6 | |
| 14 | 7971658 11900428 Гайка | 6 | |
| 15 | 9261256 Направляющая планка LOWER,LH | 1 | |
| 15 | 9261249 Направляющая планка LOWER,RH | 1 | |
| 16 | 9261231 Направляющая планка -1990 | LH | 1 | |
| 16 | 4094132 Направляющая планка 1990- | LH | 1 | |
| 16 | 9261223 4094124 Направляющая планка -1990 | RH | 1 | |
| 16 | 4094124 Направляющая планка 1990- | RH | 1 | |
| 17 | 9248006 Защитная ступица | 2 | |
| 18 | 9263658 Защитная ступица | 2 | |
| 19 | 7969223 Винт | 4 | |
| 20 | 9263641 Прокладка | 2 | |
| 21 | 6960793 Петля LH | 2 | |
| 21 | 6960785 Петля RH | 2 | |
| 22 | 9259938 Пробка | 4 | |
| 23 | 7398761 Винт | 8 | |
| 24 | 6993059 Стеклоподъемник LH | 1 | |
| 24 | 6993042 Стеклоподъемник RH | 1 | |
| 25 | 7969223 Винт | 12 | |
| 26 | 6930572 12803392 Пробка | 2 | |
| 27 | 9534322 Мотовило | 2 | |
| 28 | 9759671 Шайба | 2 | |
| 28A | 7969967 Шайба | 2 | |
| 29 | 9835737 Винт | 2 | |
| 30 | 9534355 Крышка | 2 | |
| 31 | 9258807 Болт | 20 | |
| 32 | 9279514 4767208 Прокладка | X | |
| 33 | 7972466 Винт | 4 | |
| 34 | 8029969 Шайба | 4 | |
8284085 Комплект петель LH | 1 | ||
8284077 Комплект петель RH | 1 | ||
8547895 Стеклоподъемник I | Электроманеврируемый | 1 | ||
8547390 Проводка I | Задний. Электроманеврируемый | 1 |