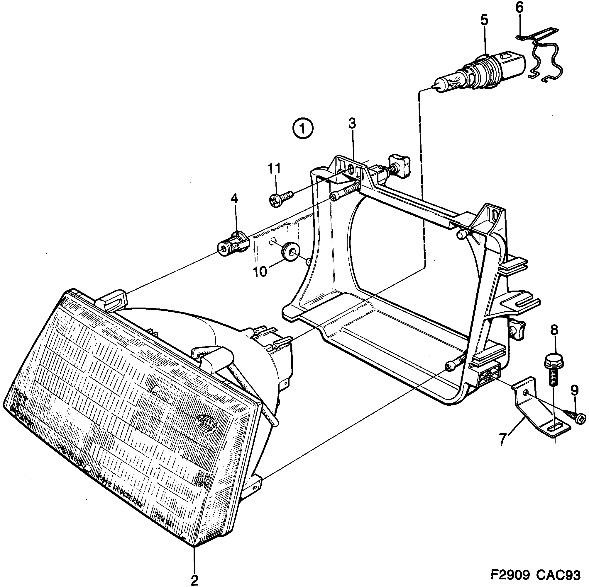
560: Электрика, общие данные - Освещение - Фара
(1991 - 1993 | 5D) | Для 9000 (1991)

| Поз. | Номер | Кол-во | |
|---|---|---|---|
| 1 | 9521352 Фара LH | 1 | |
| 1 | 9521360 Фара RH | 1 | |
| 2 | 9521774 Вставка фары LH | 1 | |
| 2 | 9521782 Вставка фары RH | 1 | |
| 3 | 9521816 Крепежная рама LH | 1 | |
| 3 | 9521824 Крепежная рама RH | 1 | |
| 4 | 9526484 Втулка подшипника | 3 | |
| 5 | 9512401 32000476 Лампа накаливания 40/238 301 006 | 1 | |
| 6 | 9526260 Пружина | 1 | |
| 7 | 9525254 Угол крепления LH | 1 | |
| 7 | 9525262 Угол крепления RH | 1 | |
| 8 | 7975170 7982366 Винт | 2 | |
| 9 | 7922438 Винт | 2 | |
| 10 | 9504648 Втулка, вкладыш | 2 | |
| 11 | 7973159 7973001 Винт | 4 |