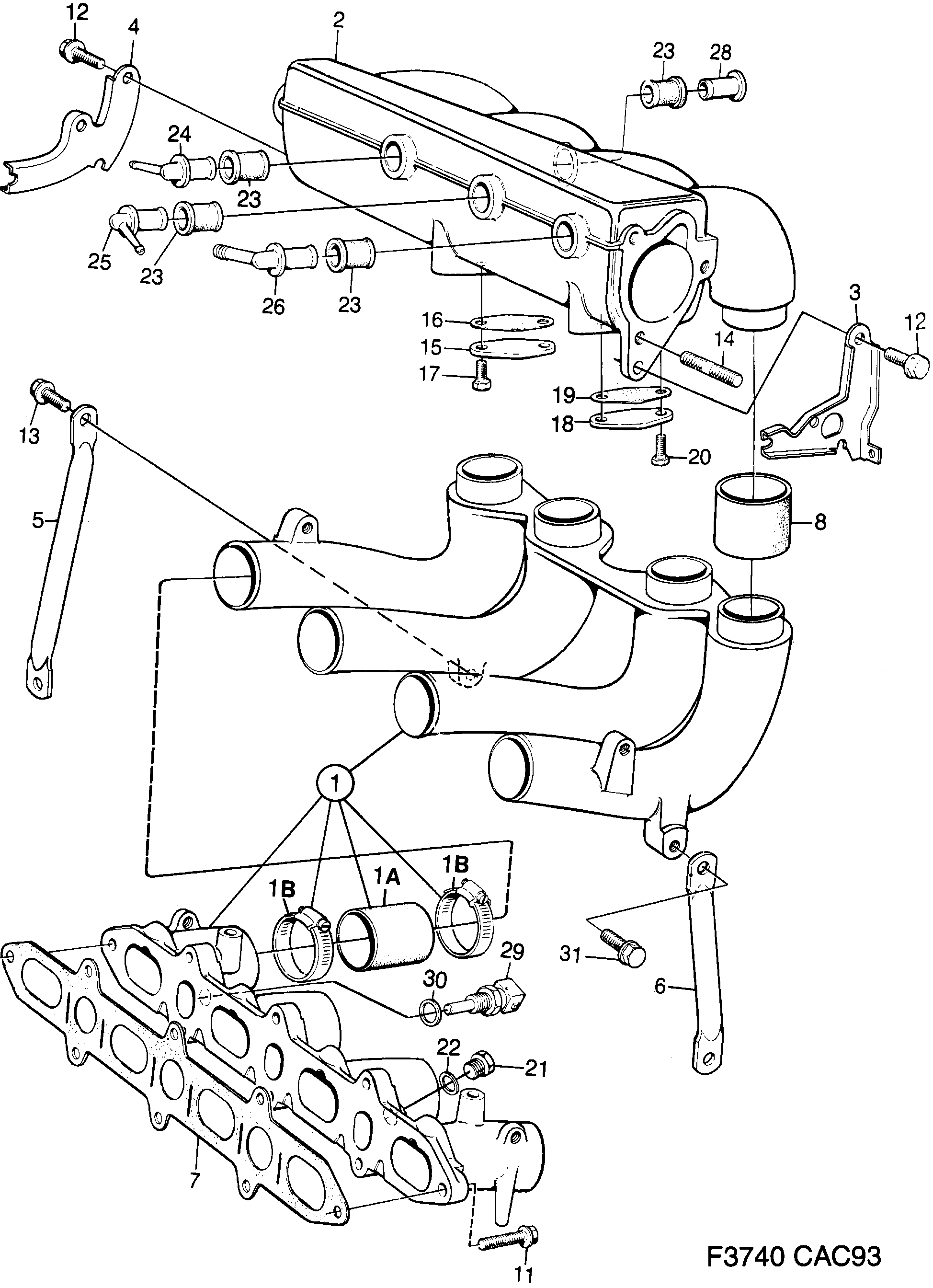
1220: Двигатель - Впускная система и выхлопная система - Впускная труба
(1992 - 1993 | B202I, B202R, B202S, B234I, B234L) | Для 9000 (1992)

| Поз. | Номер | Кол-во | |||
|---|---|---|---|---|---|
| 1 | 9133885 Впускная труба | 1 | |||
| 1A | 9134727 Шланг | 4 | |||
| 1B | 7970130 92153077 Зажим шланга | 8 | |||
| 2 | 8789489 Впускная труба | 1 | |||
| 3 | 8789570 Крепление | 1 | |||
| 4 | 8789562 Крепление | 1 | |||
| 5 | 9113531 Распорка | 1 | |||
| 6 | 8789695 Распорка | 1 | |||
| 7 | 9126277 Прокладка | 1 | |||
| 8 | 9134735 93167179 Шланг | 4 | |||
| 11 | 8125197 Винт | 8 | |||
| 12 | 8125148 Винт | 8 | |||
| 13 | 8125163 Винт | 2 | |||
| 14 | 8005910 Резьбовая шпилька | 3 | |||
| 15 | 7586860 Фланец | 1 | |||
| 16 | 7586878 Прокладка | 1 | |||
| 17 | 8125015 7985930 Винт | 2 | |||
| 18 | 9358177 Фланец | 1 | |||
| 19 | 7507973 Прокладка | 1 | |||
| 20 | 8125015 7985930 Винт | 2 | |||
| 21 | 8789323 Пробка | 1 | |||
| 22 | 8124125 Прокладка | 1 | |||
| 23 | 7515208 Втулка, вкладыш | 4 | |||
| 24 | 8359937 Ниппель | 1 | |||
| 25 | 8359937 Ниппель | 1 | |||
| 26 | 8357543 Ниппель | 1 | |||
| 28 | 9114000 Пробка | 1 | |||
| 29 | 1 | ||||
| 30 | 1 | ||||
| 31 | 7978208 92150014 Винт | 1 | |||