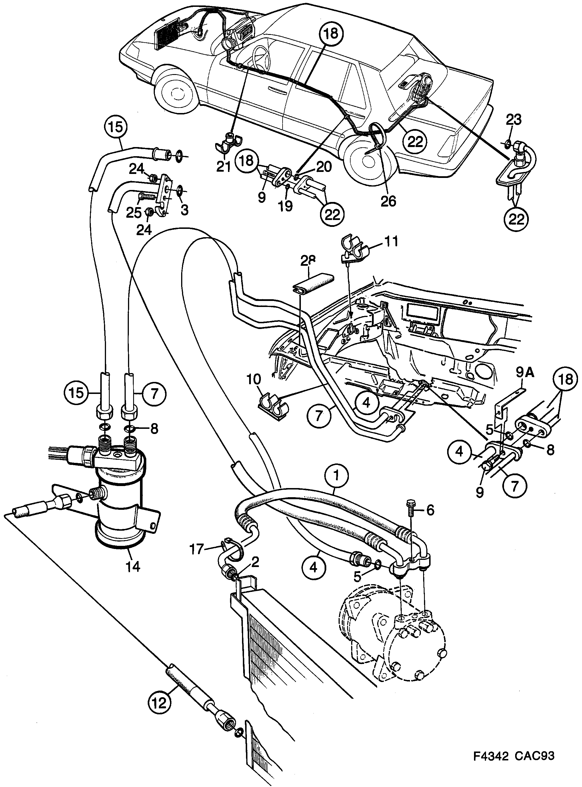
380: Отопление и вентиляция - Шланг - RAC
(1992 - 1993) | Для 9000 (1992)

| Поз. | Номер | Кол-во | |||
|---|---|---|---|---|---|
| 1 | 4071387 Шланг TURBO | 1 | |||
| 2 | 4318036 30541941 О-образное кольцо | 1 | |||
| 3 | 4318051 30541943 О-образное кольцо | 1 | |||
| 4 | 4071262 Шланг | 1 | |||
| 5 | 4318044 О-образное кольцо | 1 | |||
| 6 | 7982564 92151523 Винт | 1 | |||
| 7 | 4071296 Шланг | 1 | |||
| 8 | 4318028 30541940 О-образное кольцо | 2 | |||
| 9 | 7978232 Винт | 2 | |||
| 9A | 4319802 Консоль | 1 | |||
| 10 | 4318473 Держатель трубы | 2 | |||
| 11 | 4318325 30541956 Держатель трубы | 1 | |||
| 12 | |||||
| 14 | |||||
| 15 | |||||
| 17 | 7971880 11900513 Хомут | 1 | |||
| 18 | 4072518 Труба | 1 | |||
| 19 | 4318028 30541940 О-образное кольцо | 1 | |||
| 20 | 4318044 О-образное кольцо | 1 | |||
| 21 | 4074027 Держатель трубы | 2 | |||
| 22 | 4072500 Труба | 1 | |||
| 23 | 4318028 30541940 О-образное кольцо | 1 | |||
| 24 | 7977929 11900451 Гайка | 2 | |||
| 25 | 7978117 11900355 Винт | 1 | |||
| 26 | 7971898 Хомут | 1 | |||
| 28 | 4175287 Защита от износа | 1 | |||