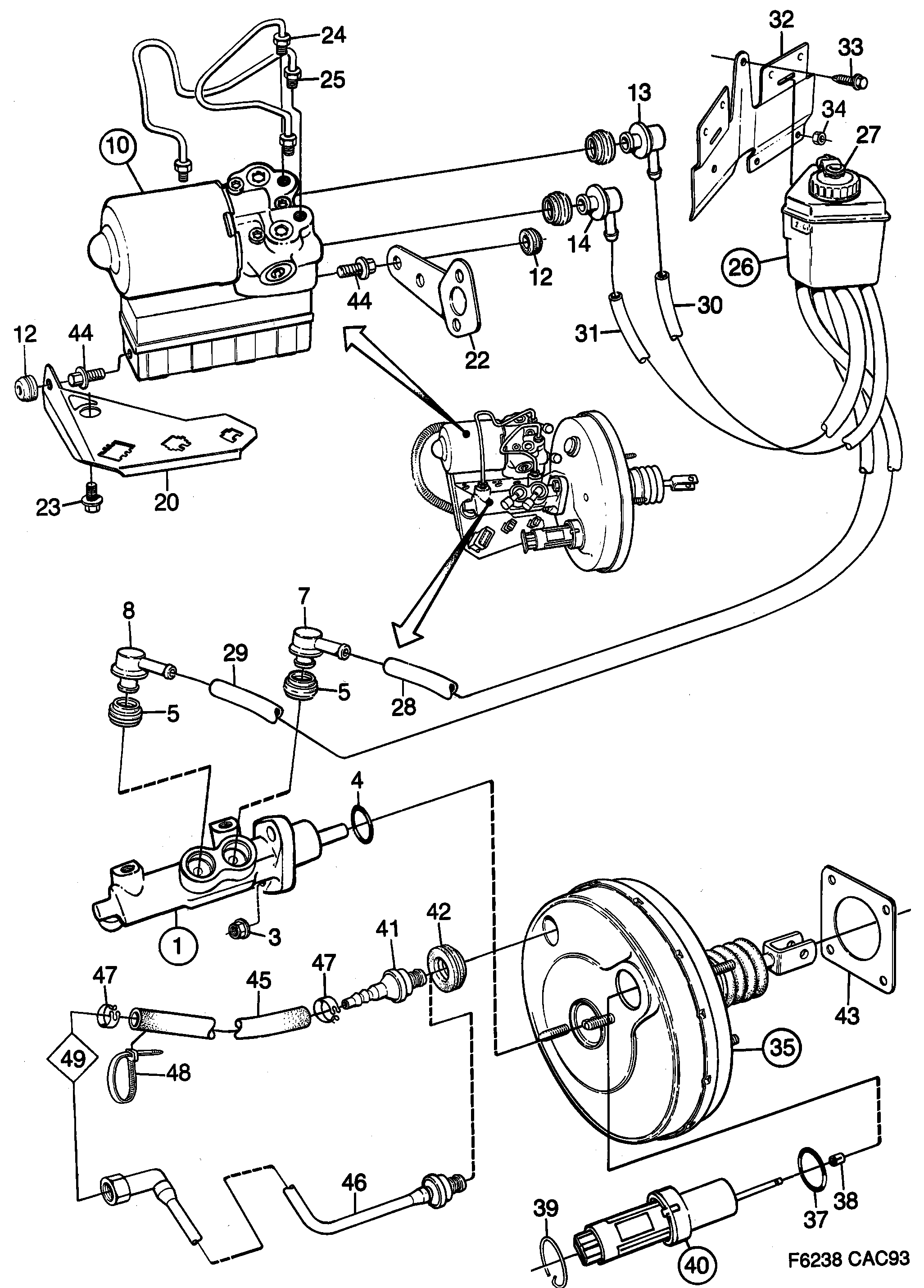
230: Тормоза - Система ножного тормоза - Гидравлический узел ABS - Mark IV
(1993) | Для 9000 (1993)

| Поз. | Номер | Кол-во | |||
|---|---|---|---|---|---|
| 1 | 4198438 Главный цилиндр | 1 | |||
| 3 | 4198396 Гайка | 2 | |||
| 4 | 4198503 Уплотнительное кольцо | 1 | |||
| 5 | 4198297 Наконечник трубы | 2 | |||
| 7 | 4198305 Соединительный патрубок | 1 | |||
| 8 | 4198313 Соединительный патрубок | 1 | |||
| 10 | 4198446 Гидравлический узел | 1 | |||
| 12 | 4198107 Резиновая втулка Не имеется как отдельная запчасть. | 3 | |||
| 13 | 4198222 Ниппель | 1 | |||
| 14 | 4198230 Ниппель | 1 | |||
| 20 | 4198065 Консоль Не имеется как отдельная запчасть. | 1 | |||
| 22 | 4198073 Консоль | 1 | |||
| 23 | 4198511 Винт Не имеется как отдельная запчасть. | 1 | |||
| 24 | 4198081 Тормозные трубки Не имеется как отдельная запчасть. | 1 | |||
| 25 | 4198099 Тормозные трубки Не имеется как отдельная запчасть. | 1 | |||
| 26 | 4425724 Резервуар, бачок (4197901) | 1 | |||
| 27 | 4425708 Крышка (4198263) | 1 | |||
| 28 | 4198271 Шланг Не имеется как отдельная запчасть. | 1 | |||
| 29 | 4198289 Шланг Не имеется как отдельная запчасть. | 1 | |||
| 30 | 4198123 Шланг Не имеется как отдельная запчасть. | 1 | |||
| 31 | 4198131 Шланг Не имеется как отдельная запчасть. | 1 | |||
| 32 | 4197919 Консоль | 1 | |||
| 33 | 7978638 92151885 Винт | 1 | |||
| 34 | 7977929 11900451 Гайка | 2 | |||
| 35 | 4198412 4645487 Тормозной сервоусилитель | 1 | |||
| 37 | 4198339 О-образное кольцо | 1 | |||
| 38 | 4198354 Прокладка белый | 1,2 MM | 1 | |||
| 38 | 4198362 Прокладка зеленый | 2,4 MM | 1 | |||
| 38 | 4198370 Прокладка синий | 3,6 MM | 1 | |||
| 38 | 4198388 Прокладка красный | 4,8 MM | 1 | |||
| 39 | 4198347 Натяжное кольцо | 1 | |||
| 3 | 4198396 Гайка | 2 | |||
| 4 | 4198503 Уплотнительное кольцо | 1 | |||
| 40 | 4198420 Датчик педали | 1 | |||
| 37 | 4198339 О-образное кольцо | 1 | |||
| 38 | 4198354 Прокладка белый | 1,2 MM | 1 | |||
| 38 | 4198362 Прокладка зеленый | 2,4 MM | 1 | |||
| 38 | 4198370 Прокладка синий | 3,6 MM | 1 | |||
| 38 | 4198388 Прокладка красный | 4,8 MM | 1 | |||
| 39 | 4198347 Натяжное кольцо | 1 | |||
| 41 | 8986705 Обратный клапан | 1 | |||
| 42 | 4198149 5233739 Наконечник трубы | 1 | |||
| 43 | 8958357 Уплотнение | 1 | |||
| 44 | 4198529 Винт Не имеется как отдельная запчасть. | 3 | |||
| 45 | 8966954 Вакуумный шланг B202 | 1 | |||
| 45 | 8966954 Вакуумный шланг B234I | L=660 MM | 1 | |||
| 46 | 4425468 Вакуумная труба B234TURBO | 1 | |||
| 47 | 8943177 Зажим шланга | 2 | |||
| 48 | 7398373 Зажим -1993 | 1 | |||
| 48 | 7971880 11900513 Хомут 1993- | 1 | |||
| 49 | |||||
4198461 Крепежный комплект | 1 | ||||
4198479 Комплект шлангов | 1 | ||||
4198487 Тормозные трубки | 1 | ||||