230: Система подвески - Задняя подвеска
(1992 - 1993) | Для 9000 (1993)

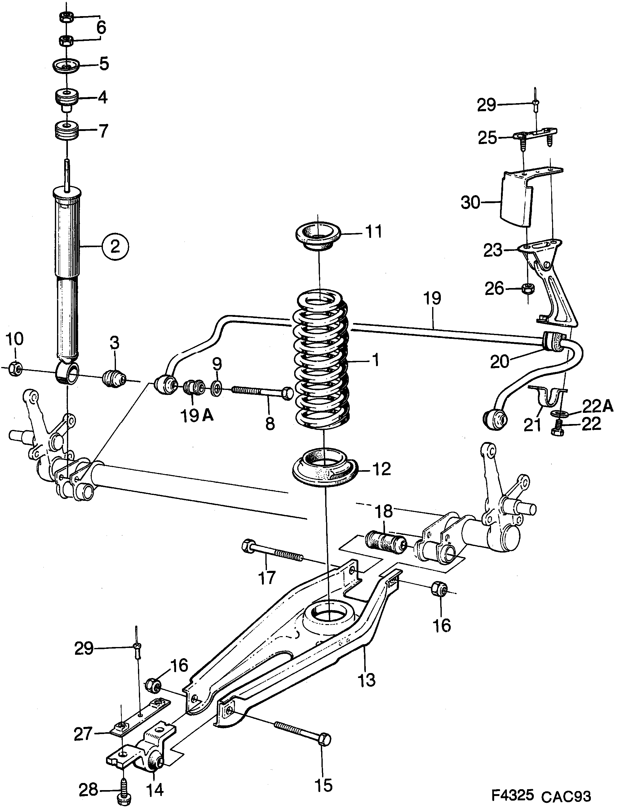
| Поз. | Номер | Кол-во | |||
|---|---|---|---|---|---|
| 1 | 4193561 Пружина красный/серый диаметр 13,3 мм | 2 | |||
| 1 | 4193603 Пружина AIRBAG 2,AC,AS,LU,SR | 2 | |||
| 1 | 4193603 Пружина желтый/желтый диаметр 13,5 мм | AIRBAG 2,AC,AS,EAS,LU | 2 | |||
| 1 | 4193611 Пружина желтый/синий диаметр 13,7 мм | AIRBAG 2,AC,AS LU,EAS,SR,RWW | 2 | |||
| 1 | 4193629 Пружина 1992- | T16S | желтый/белый диаметр 13,5 мм | 2 | |||
| 1 | 4193637 Пружина 1992- | T16S | желтый/зеленый диаметр 13,7 мм | 2 | |||
| 1 | 4193645 Пружина Автомобили с автоматическим контролем уровня | 2 | |||
| 2 | 4195228 4647095 Комплект амортизатора оранжевый | 2 | |||
| 2 | 4195236 4647095 Комплект амортизатора B234TURBO | лиловый | + AC,SR ABS,AIR-BAG,EAS,RAC | 2 | |||
| 2 | 4199444 4647095 Комплект амортизатора 1992- | T16S | 2 | |||
| 2 | 8993784 Комплект амортизатора Автомобили с автоматическим контролем уровня | 2 | |||
| 3 | 8952749 Втулка подшипника | 2 | |||
| 3 | 8963944 Втулка подшипника Автомобили с автоматическим контролем уровня | 2 | |||
| 4 | 4197422 Резиновая втулка | 2 | |||
| 5 | 8959934 Шайба | 2 | |||
| 6 | 7979511 30509371 Гайка | 4 | |||
| 7 | 4106266 Резиновая втулка | 2 | |||
| 8 | 7979594 Винт | 2 | |||
| 9 | 8073116 11011199 Шайба | 4 | |||
| 10 | 8151482 Гайка замка | 2 | |||
| 11 | 8952285 30519187 Изолятор пружины | 2 | |||
| 12 | 8950438 Изолятор пружины | 2 | |||
| 13 | 8970782 Серьга рессоры | 2 | |||
| 14 | 8957714 Крепление подшипника | 2 | |||
| 15 | 7982028 Винт | 2 | |||
| 16 | 8151474 92153199 Гайка замка | 8 | |||
| 17 | 7982036 Винт | 2 | |||
| 18 | 8951063 Втулка, вкладыш | 2 | |||
| 19 | 4105730 93169245 Стабилизатор поперечной устойчивости | 1 | |||
| 19 | 8961765 Стабилизатор поперечной устойчивости | 1 | |||
| 19A | 8962011 8952749 Втулка подшипника | 2 | |||
| 20 | 4107090 4425583 Резиновая втулка -1993 | 2 | |||
| 20 | 4425583 Резиновая втулка 1993- | 2 | |||
| 20 | 8952129 Резиновая втулка -1993 | 2 | |||
| 20 | 4425575 Резиновая втулка 1993- | 2 | |||
| 21 | 8952137 Бюгель | 2 | |||
| 22 | 7976897 11900016 Винт | 4 | |||
| 22A | 8380982 Шайба | 4 | |||
| 23 | 4193132 Шарнир LH | 1 | |||
| 23 | 4193140 Шарнир RH | 1 | |||
| 25 | 8961625 Крепежная пластина | 2 | |||
| 26 | 7971922 92150143 Гайка | 4 | |||
| 27 | 8958498 30519311 Гайка | 2 | |||
| 28 | 7976905 Винт | 4 | |||
| 29 | 7961642 Заклепка | 2 | |||
| 30 | 8969214 Защитная плита | 1 | |||