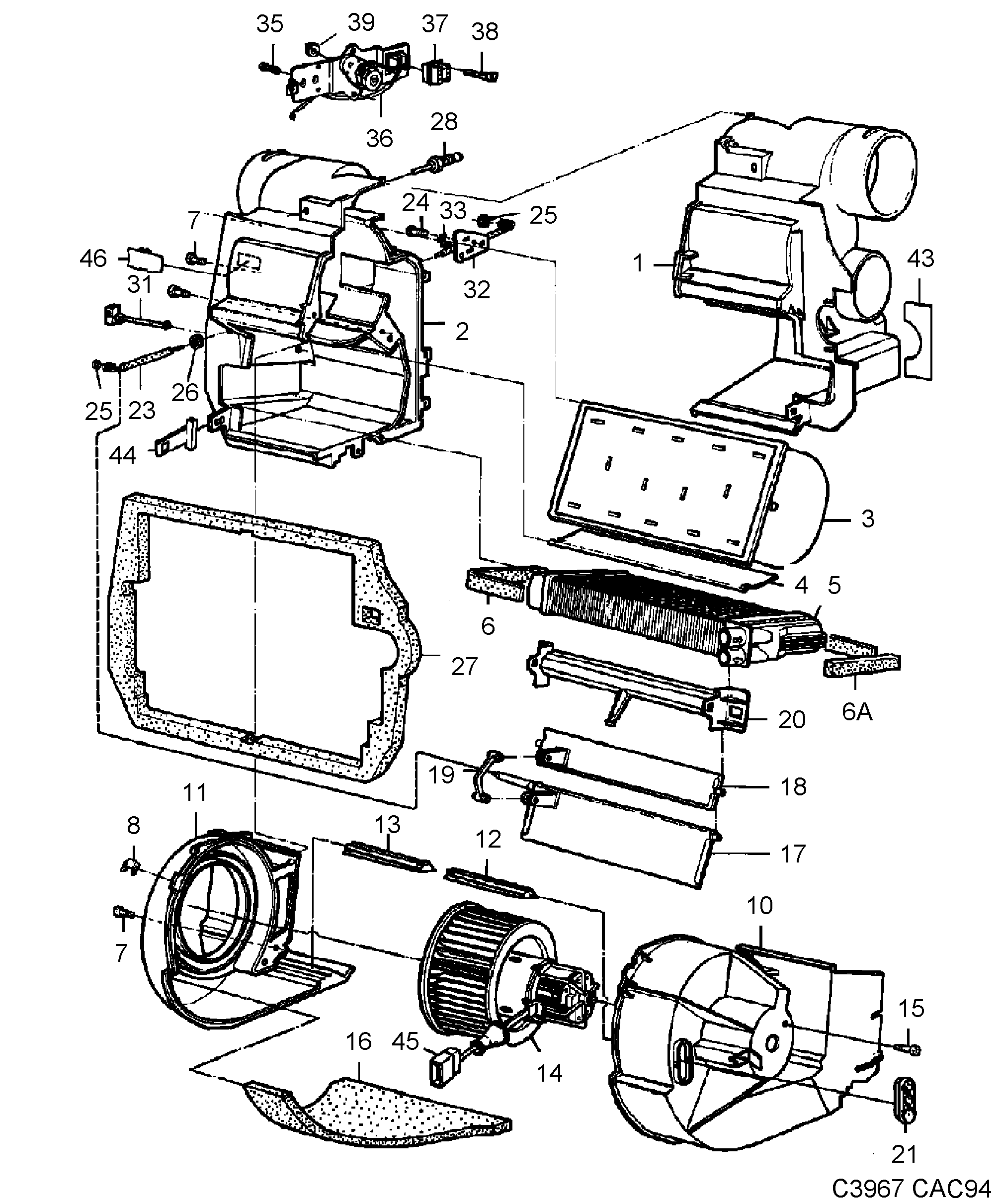
180: Отопление и вентиляция - Теплообменник, серво - Вентилятор, АСС
(1994 - 1998) | Для 9000 (1997)

| Поз. | Номер | Кол-во | |||
|---|---|---|---|---|---|
| 1 | 4383063 Корпус отопителя LH | 1 | |||
| 2 | 4383071 Корпус отопителя RH | 1 | |||
| 3 | 9624578 Корпус воздухоотражателя | 1 | |||
| 4 | 9625468 Шина жесткости | 1 | |||
| 5 | 5046362 Теплообменник 1994- | 1 | |||
| 6 | 9626300 Уплотнение | 1 | |||
| 6A | 9626318 Уплотнение | 1 | |||
| 7 | 7971443 Винт | 2 | |||
| 8 | 9625989 Зажим | 10 | |||
| 10 | 9628272 Корпус вентилятора LH | 1 | |||
| 11 | 9622614 Корпус вентилятора RH | 1 | |||
| 12 | 9625138 Воздухоотражатель LH | 1 | |||
| 13 | 9625120 Воздухоотражатель RH | 1 | |||
| 14 | 9628587 Узел вентилятора | 1 | |||
| 15 | 8059230 92151805 Винт | 1 | |||
| 16 | 9625955 Изоляция | 1 | |||
| 17 | 9624321 Заслонка LOWER | 1 | |||
| 18 | 9624305 Заслонка UPPER | 1 | |||
| 19 | 9624347 Шарнир | 1 | |||
| 20 | 9622655 Промежуточная деталь | 1 | |||
| 21 | 9622812 Крышка | 1 | |||
| 23 | 9623935 Регулировочный кабель | 1 | |||
| 24 | 7971393 Винт | 1 | |||
| 25 | 7975485 Шайба | 2 | |||
| 26 | 9625831 Защитная втулка | 1 | |||
| 27 | 9631490 Уплотнение | 1 | |||
| 28 | 7399348 Заклепка | 2 | |||
| 31 | 1 | ||||
| 32 | 9623315 Крепежная накладка | 1 | |||
| 33 | 9622432 Зажим | 1 | |||
| 35 | 7971443 Винт | 2 | |||
| 36 | 4319190 30542972 Двигатель | 1 | |||
| 37 | 4117461 Штепсельный разъем | 1 | |||
| 38 | 4115085 12789932 Кабельная клемма | 10 | |||
| 39 | 4382826 Резиновая втулка | 1 | |||
| 43 | 9622697 Держатель GROMMET | 1 | |||
| 44 | 9627415 Крепежная накладка LH | 1 | |||
| 44 | 9627407 Крепежная накладка RH | 1 | |||
| 45 | Блок контактов See Group 3B Connector housing. | ||||
| 46 | 9629411 Зажим | 1 | |||