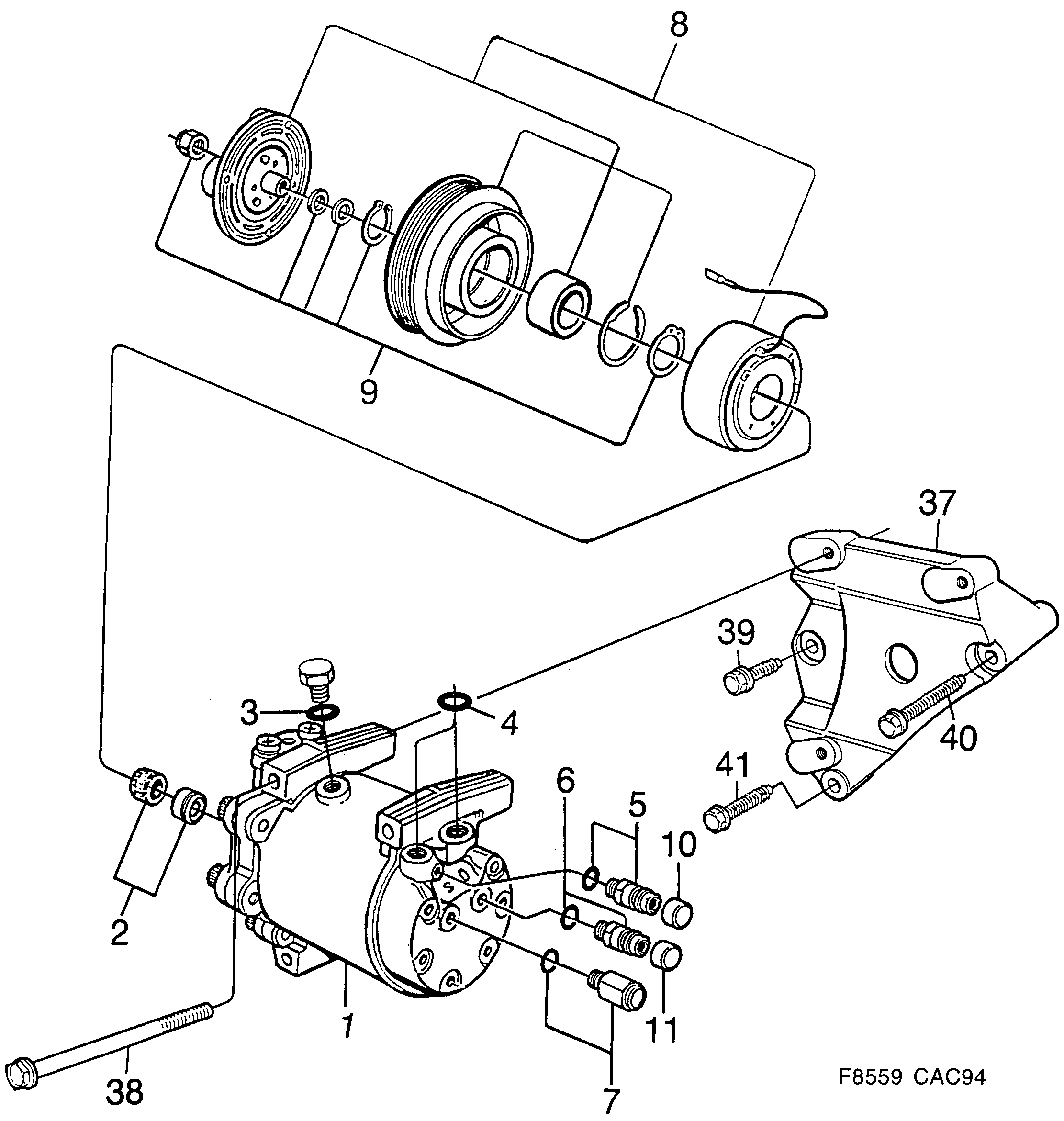
300: Отопление и вентиляция - Компрессор АС - Sanden
(1994 - 1998) | Для 9000 (1997)

| Поз. | Номер | Кол-во | |
|---|---|---|---|
| 1 | 4758181 4868659 Компрессор 1996-1997 | 4-CYL | 1 | |
| 2 | 4635496 Комплект прокладок 1994-1997 | 1 | |
| 3 | 4635504 О-образное кольцо | 1 | |
| 4 | 4635520 О-образное кольцо | 2 | |
| 5 | 4635546 Клапан | 1 | |
| 7 | 4635561 Клапан | 1 | |
| 8 | 4635579 Сцепление 1994-1997 | 1 | |
| 9 | 4635587 Сцепление в комплекте 1994-1997 | 1 | |
| 10 | 4635819 Шляпка клапана | 1 | |
| 37 | 4356275 Консоль | 1 | |
| 38 | 7398266 Винт | 3 | |
| 39 | 7978208 92150014 Винт | 1 | |
| 40 | 7982119 11900373 Винт | 1 | |
| 41 | 7978224 11900368 Винт | 1 |