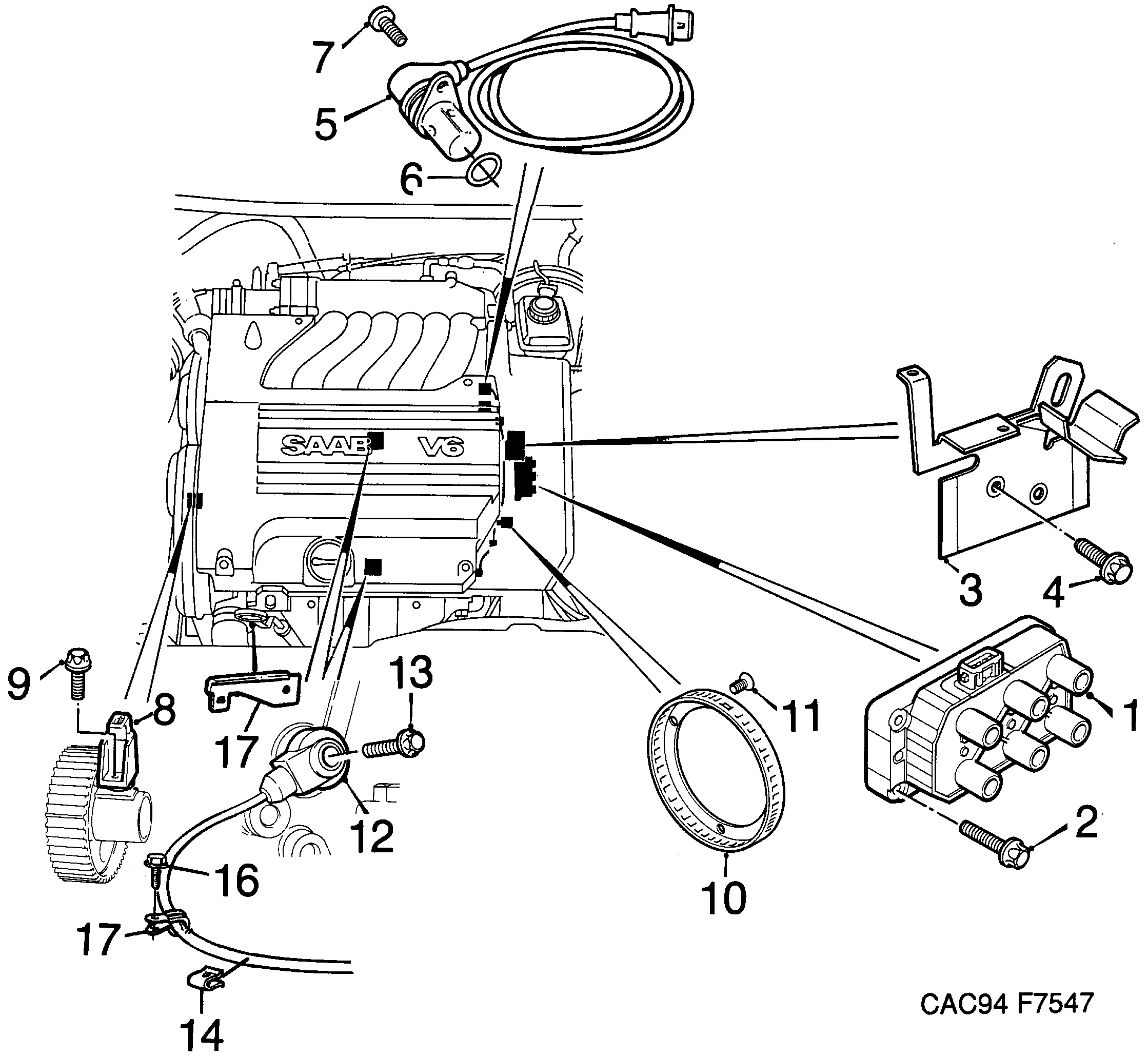
420: Электрика, общие данные - Система зажигания - Motronic
(1994 - 1998) | Для 9000 (1997)

| Поз. | Номер | Кол-во | |
|---|---|---|---|
| 1 | 4770210 Модуль катушки зажигания 1996-1998 | 1 | |
| 2 | 4770020 11093953 Винт (4502753) | 4 | |
| 3 | 4504478 Консоль | 1 | |
| 4 | 4504528 Винт | 2 | |
| 5 | 4300737 91153782 Датчик положения 1996-1998 | коленвал | 1 | |
| 6 | 9171117 О-образное кольцо | 1 | |
| 7 | 4500351 11093961 Винт | 1 | |
| 8 | 4660452 Датчик положения 1996-1998 | распредвал | 1 | |
| 9 | 4500351 11093961 Винт | 1 | |
Коленвал | |||
| 10 | 4501185 90469427 Диафрагма | 1 | |
| 11 | 4501193 90280051 Винт | 4 | |
| 12 | 4300729 Датчик стука 1996-1998 | 2 | |
| 13 | 4501110 11093611 Винт | 2 | |
| 14 | 4388757 12763576 Зажим 1996-1998 | 1 | |
| 15 | 7969348 Зажим 1996-1998 | 1 | |
| 16 | 7978091 11900353 Винт 1996-1998 | 1 | |
| 17 | 4229944 Держатель контакта 1996-1998 | 1 |