450: Электрика, общие данные - Система зажигания - Trionic
(1994 - 1998) | Для 9000 (1997)

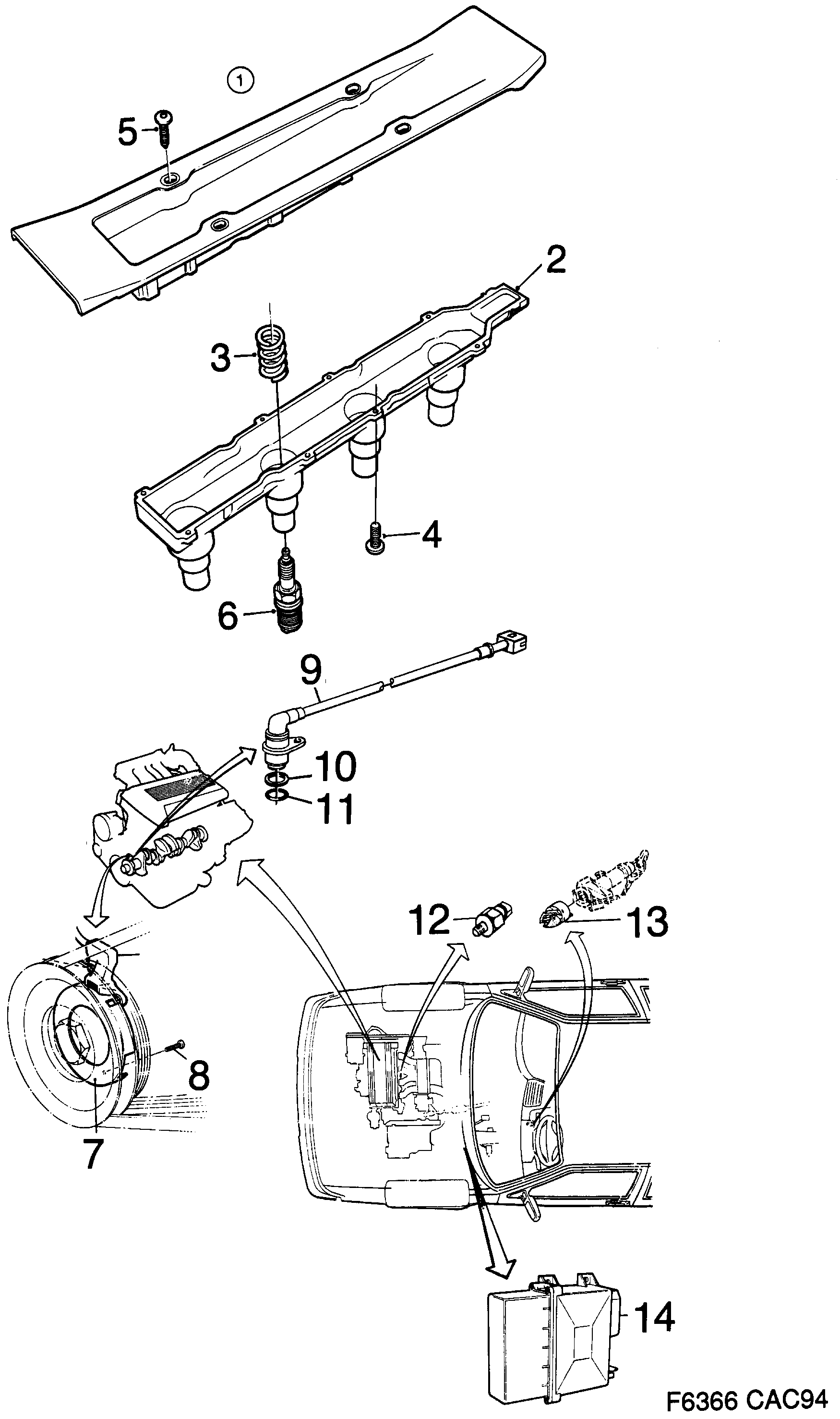
| Поз. | Номер | Кол-во | |||
|---|---|---|---|---|---|
| 1 | 9178955 55561132 Кассета зажигания 1995- | 1 | |||
| 2 | 9167016 Нижняя часть | 1 | |||
| 3 | 9167032 Пружина | 4 | |||
| 4 | 7968316 Винт | 8 | |||
| 5 | 9145764 30551902 Винт | 4 | |||
| 6 | 30520467 Свеча зажигания I | (9117565) NGK BCPR6ES 1,1 | 4 | |||
| 6 | 32000330 Свеча зажигания TURBO | (9112541) NGK BCPR7ES 1,1 | 4 | |||
| 7 | 9167024 55557241 Диафрагма | 1 | |||
| 8 | 9114455 Винт | 3 | |||
| 9 | 4227203 90451441 Датчик положения | 1 | |||
| 10 | 93166804 Опорное кольцо | 1 | |||
| 11 | 9171117 О-образное кольцо | 1 | |||
| 12 | |||||
| 13 | |||||
| 14 | |||||