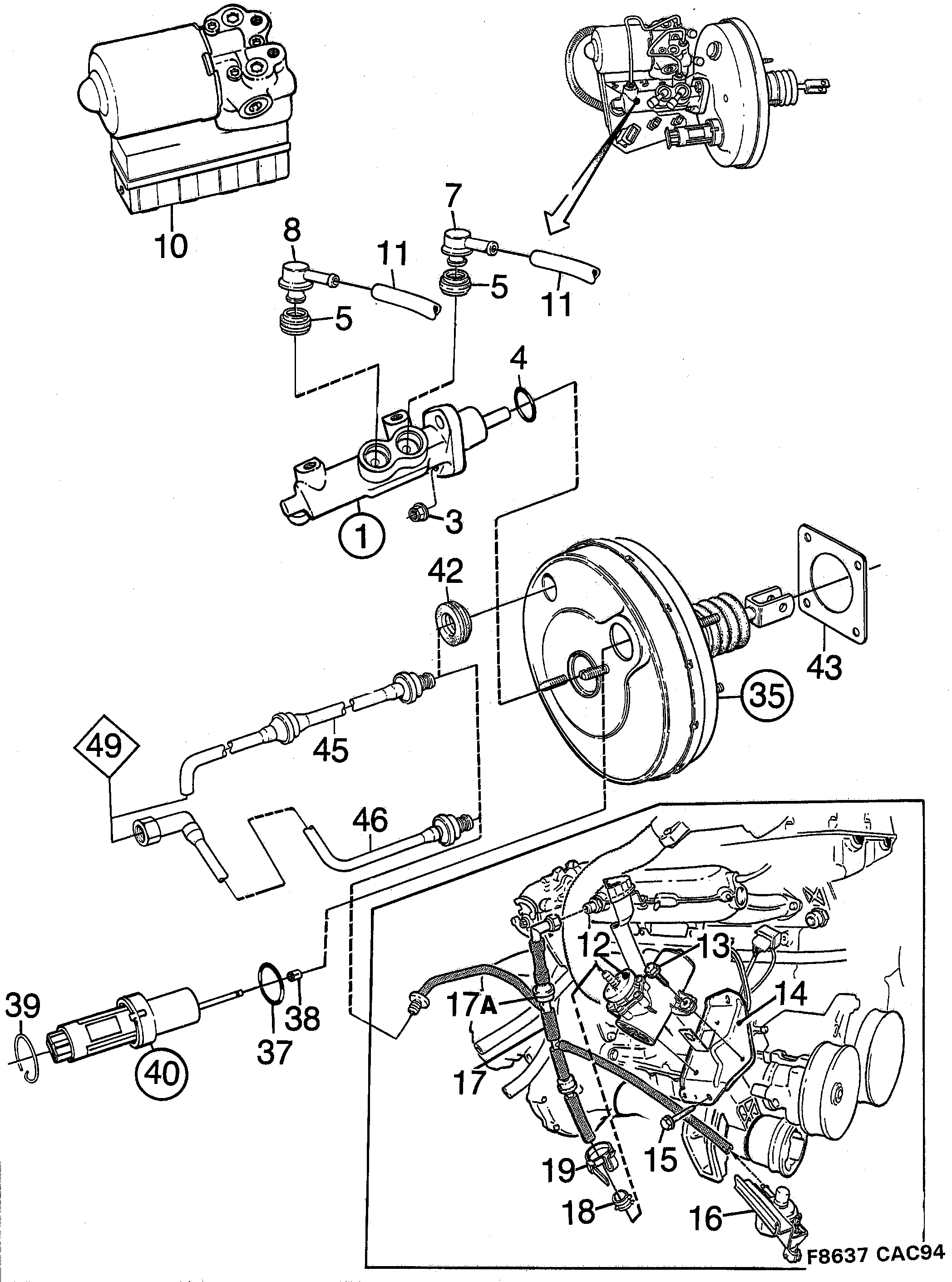
240: Тормоза - Система ножного тормоза - Главный цилиндр - Mark IV
(1994 - 1998) | Для 9000 (1997)

| Поз. | Номер | Кол-во | |||
|---|---|---|---|---|---|
| 1 | 4198438 Главный цилиндр | 1 | |||
| 3 | 4198396 Гайка | 2 | |||
| 4 | 4198503 Уплотнительное кольцо | 1 | |||
| 5 | 4198297 Наконечник трубы | 2 | |||
| 7 | 4198305 Соединительный патрубок | 1 | |||
| 8 | 4198313 Соединительный патрубок | 1 | |||
| 10 | |||||
| 11 | |||||
| 12 | 4646220 Вакуумный насос 1996-1998 | B204TURBO | 1 | |||
| 13 | 7978133 Винт 1996-1998 | B204TURBO | 3 | |||
| 14 | 4646469 Крепление 1996-1998 | B204TURBO | 1 | |||
| 15 | |||||
| 16 | |||||
| 17 | 4646253 Вакуумная труба 1996-1997 | B204TURBO | 1 | |||
| 17 | 4907598 Вакуумная труба 1997- | B204TURBO | 1 | |||
| 17A | 4647624 Обратный клапан 1996-1998 | B204TURBO | 1 | |||
| 18 | 7974009 Зажим шланга 1997- | B204TURBO | 1 | |||
| 19 | 7593221 30507607 Хомут 1997-, RHD | B204TURBO | 1 | |||
| 20 | 4647624 Обратный клапан 1996-1998 | B204TURBO | 1 | |||
| 35 | 4645487 Тормозной сервоусилитель 1995-1998 | 1 | |||
| 37 | 4198339 О-образное кольцо | 1 | |||
| 38 | 4198354 Прокладка белый | 1,2 MM | 1 | |||
| 38 | 4198362 Прокладка зеленый | 2,4 MM | 1 | |||
| 38 | 4198370 Прокладка синий | 3,6 MM | 1 | |||
| 38 | 4198388 Прокладка красный | 4,8 MM | 1 | |||
| 39 | 4198347 Натяжное кольцо | 1 | |||
| 3 | 4198396 Гайка | 2 | |||
| 4 | 4198503 Уплотнительное кольцо | 1 | |||
| 40 | 4198420 Датчик педали | 1 | |||
| 37 | 4198339 О-образное кольцо | 1 | |||
| 38 | 4198354 Прокладка белый | 1,2 MM | 1 | |||
| 38 | 4198362 Прокладка зеленый | 2,4 MM | 1 | |||
| 38 | 4198370 Прокладка синий | 3,6 MM | 1 | |||
| 38 | 4198388 Прокладка красный | 4,8 MM | 1 | |||
| 39 | 4198347 Натяжное кольцо | 1 | |||
| 42 | 4198149 5233739 Наконечник трубы | 1 | |||
| 43 | 8958357 Уплотнение | 1 | |||
| 45 | 4425773 Вакуумный шланг I, 4-CYL | ниппель диаметр 8 мм, впускная труба Труба | 1 | |||
| 46 | 4904355 Вакуумная труба 1996-1998 | B204TURBO, B234TURBO | 1 | |||
| 46 | 4424958 Вакуумная труба 1995-1998 | I, 6-CYL | 1 | |||
| 49 | |||||