150: Система подвески - Передняя подвеска
(1997 - 1998) | Для 9000 (1997)

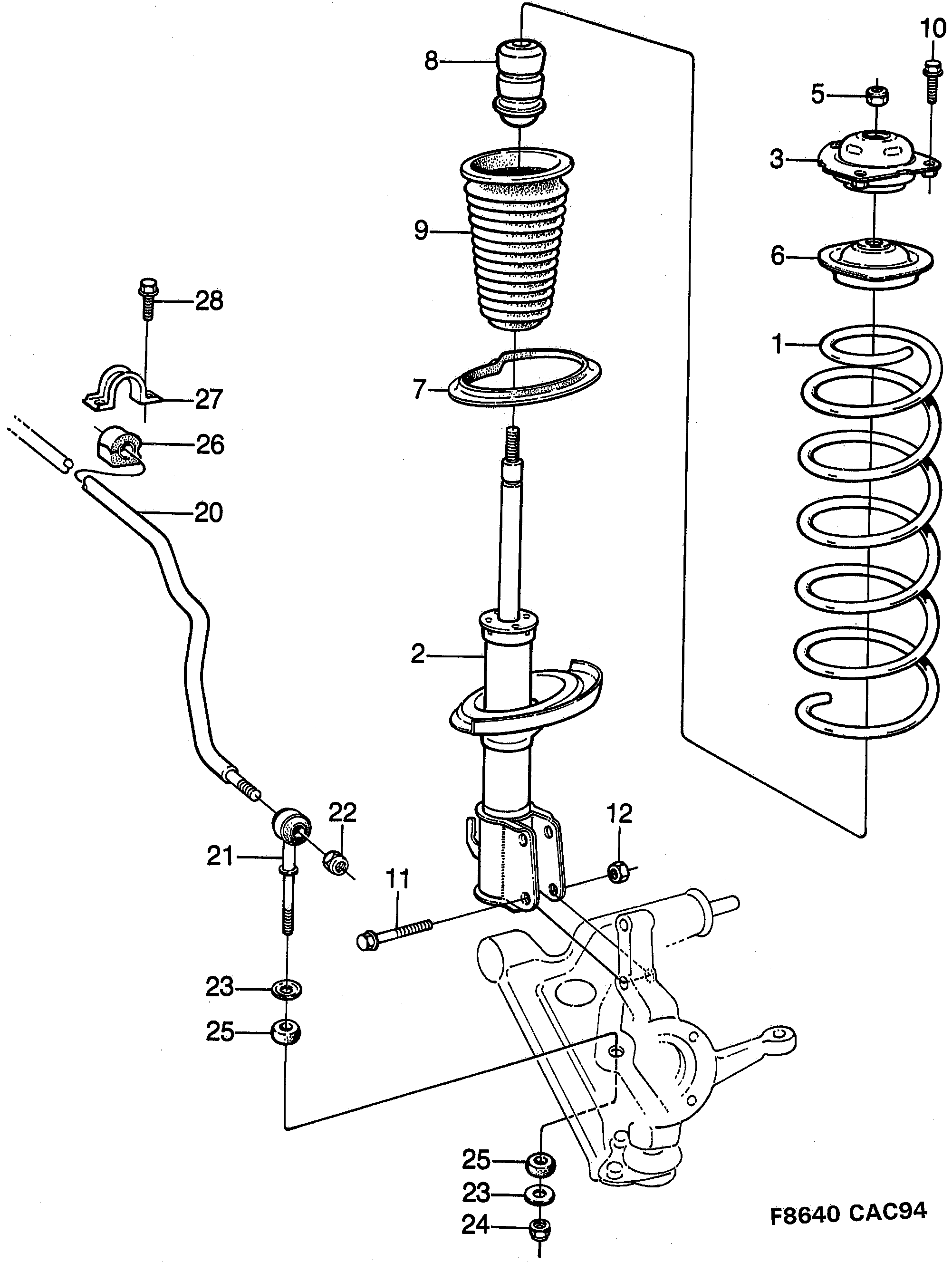
| Поз. | Номер | Кол-во | |
|---|---|---|---|
| 1 | 4544870 Пружина зеленый/серый | CODE=AA | 2 | |
| 1 | 4544888 Пружина серый/серый | CODE=AB | 2 | |
| 1 | 4426730 Пружина зеленый/зеленый | CODE=AC | 2 | |
| 1 | 4544896 Пружина оранжевый/синий | CODE=AD | 2 | |
| 1 | 4646717 Пружина оранжевый/белый | CODE=AE | 2 | |
| 1 | 4646725 Пружина оранжевый/зеленый | CODE=AF | 2 | |
| 2 | 4543781 4199899 Стойка пружина красный | CODE=A | 2 | |
| 2 | 4543799 Стойка пружина желтый | CODE=B | 2 | |
| 2 | 4646758 4199899 Стойка пружина коричневый | CODE=C | 2 | |
| 3 | 4106969 Упорный подшипник | 2 | |
| 5 | 7979537 Гайка замка | 2 | |
| 6 | 8968067 Седло пружины | 2 | |
| 7 | 4195327 Прокладка | 2 | |
| 8 | 8972002 Буффер | 2 | |
| 9 | 8958084 Сильфон | 2 | |
| 10 | 7984511 Винт | 6 | |
| 11 | 8966129 Винт | 4 | |
| 12 | 7979552 92153201 Гайка | 4 | |
| 20 | 8968984 Стабилизатор поперечной устойчивости CODE=C | 1 | |
| 21 | 8958944 Шарнир | 2 | |
| 22 | 7979578 Гайка | 2 | |
| 23 | 8960171 Шайба | 4 | |
| 24 | 8151474 92153199 Гайка замка | 2 | |
| 25 | 8953986 Блок | 4 | |
| 26 | 8968992 Втулка, вкладыш | 2 | |
| 27 | 8954000 Крышка | 2 | |
| 28 | 7399330 Винт | 4 |