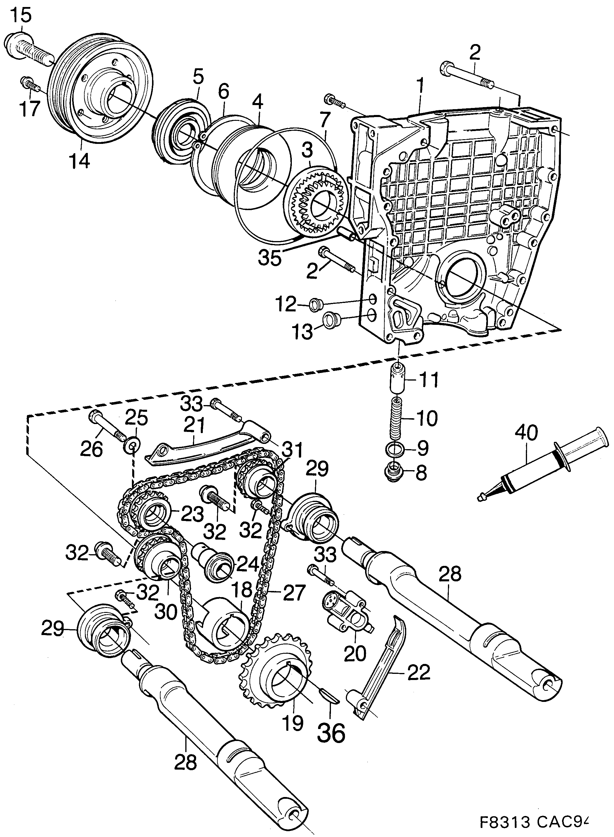
300: Двигатель - Корпус двигателя - Силовая передача - Балансирная ось
(1994 - 1998 | 4-CYL) | Для 9000 (1998)

| Поз. | Номер | Кол-во | |||
|---|---|---|---|---|---|
| 1 | 9143652 30551852 Колпак | 1 | |||
| 2 | 7984891 92151834 Винт | 15 | |||
| 3 | 1 | ||||
| 3 | 1 | ||||
| 4 | 9138934 Корпус масляного насоса | 1 | |||
| 5 | 9173576 55557231 Уплотнение 1996- | коленвал передний | 1 | |||
| 6 | 9129719 30551798 Стопорное кольцо | 1 | |||
| 7 | 9130600 Уплотнение | 1 | |||
| 8 | 7508955 Пробка | 1 | |||
| 9 | 9355389 Прокладка | 1 | |||
| 10 | 9309998 Пружина | 1 | |||
| 11 | 9167784 Поршень | 1 | |||
| 12 | 8123168 Пробка | 1 | |||
| 13 | 8123192 Пробка | 1 | |||
| 14 | 9144841 Шкив | 1 | |||
| 15 | 9116443 Винт | 1 | |||
| 18 | 9129727 30551799 Поводок | 1 | |||
| 19 | 9138264 Цепная звездочка | 1 | |||
| 20 | 9139130 Натяжитель цепи | 1 | |||
| 21 | 9145368 55557272 Направляющая цепи | 1 | |||
| 22 | 9145384 55557271 Направляющая цепи | 1 | |||
| 23 | 9140658 Цепная звездочка | 1 | |||
| 24 | 9145392 55557376 Вал | 1 | |||
| 25 | 9130535 Осевая шайба | 1 | |||
| 26 | 7984735 92153157 Винт | 1 | |||
| 27 | 7485105 Цепь | 1 | |||
| 28 | 9174533 Балансирная ось 1995-1998 | 2 | |||
| 28 | 9185588 55557377 Балансирная ось 1998- | 2 | |||
| 29 | 9115288 Корпус подшипника -1998 | 2 | |||
| 29 | 9172255 Корпус подшипника 1998- | 2 | |||
| 30 | 9142068 93167190 Цепная звездочка -1998 | выпуск | 1 | |||
| 30 | 9178336 55557384 Цепная звездочка 1998- | выпуск | 1 | |||
| 31 | 9142035 93167191 Цепная звездочка -1998 | впуск | 1 | |||
| 31 | 9178302 55557379 Цепная звездочка 1998- | впуск | 1 | |||
| 32 | 8059982 Винт -1998 | 2 | |||
| 32 | 8082968 55562873 Винт 1998- | 2 | |||
| 33 | 7978141 92150006 Шестигранный винт 1997-1998 | 4 | |||
| 34 | 7978109 11900354 Винт 1997-1998 | 2 | |||
| 35 | 8117608 Натяжной штифт | 1 | |||
| 36 | |||||
| 40 | 90297970 Уплотнение фланца 50 ML | X | |||