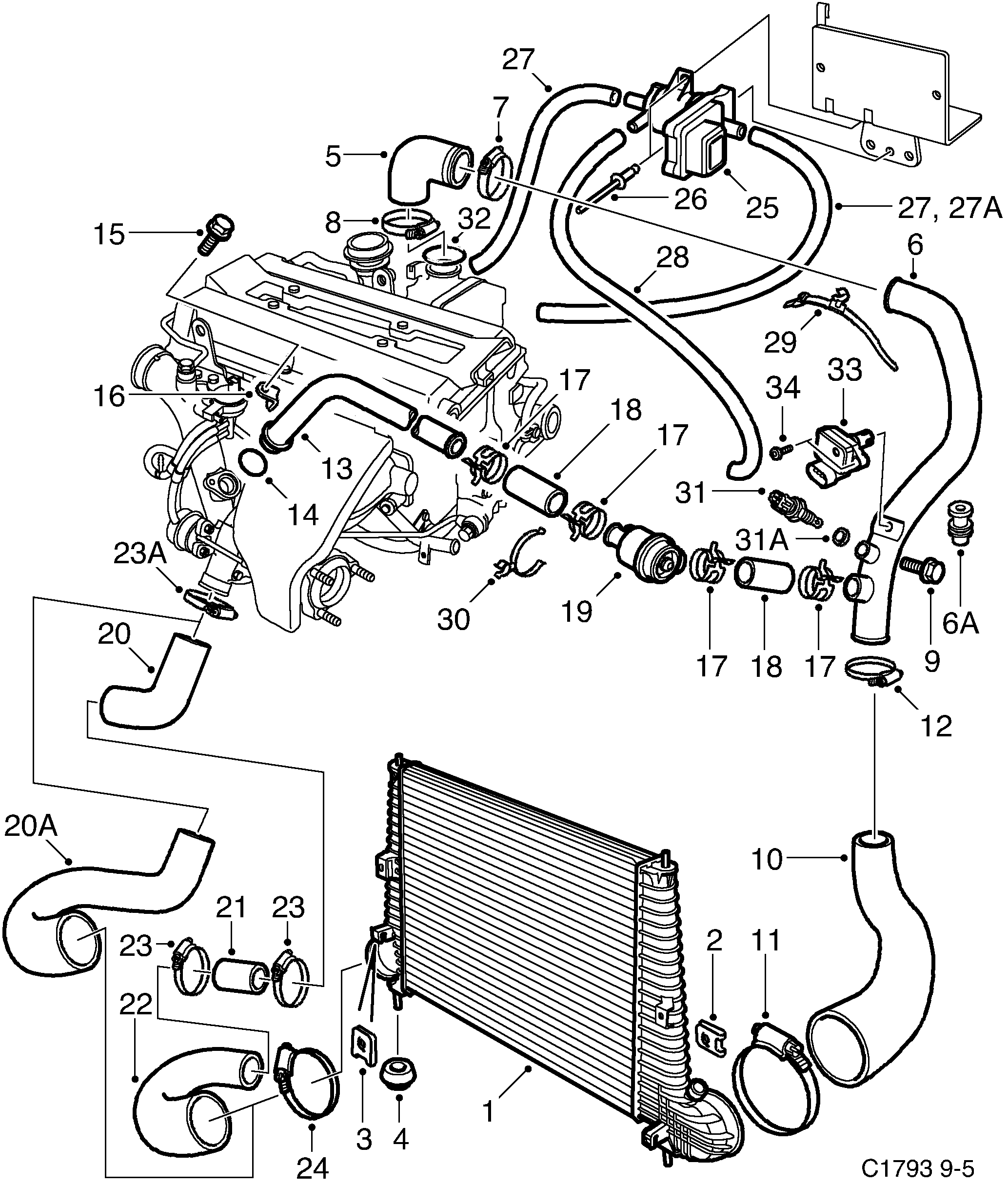
1000: Двигатель - Система охлаждения - Охладитель нагнетаемого воздуха
(1998 - 2010 | B205E, B205L, B205R, B235E, B235R) | Для 9-5 (9600) (2002)

| Поз. | Номер | Кол-во | |
|---|---|---|---|
| 1 | 4576039 Охладитель нагнетаемого воздуха | 1 | |
| 2 | 8267098 Зажим AC/ACC | 2 | |
| 3 | 8267098 Зажим | 2 | |
| 4 | 4283594 90091989 Резиновая втулка | 2 | |
| 6 | 5191770 Труба нагнетаемого воздуха 2001-2010 | 1 | |
| 6A | 9179318 55557389 Ниппель 2001-2010 | 1 | |
| 8 | 4940144 Зажим шланга 1999-2010 | 1 | |
| 9 | 7978190 55566034 Винт | 1 | |
| 10 | 4966701 Шланг нагнетаемого воздуха 2000-2010 | Название вещества Di-(2-ethylhexyl)phthalat Указание по безопасности использования: При правильном применении и надлежащей утилизации не представляет опасности для здоровья и окружающей среды. | 1 | |
| 11 | 7970155 92153080 Зажим шланга 1998-2006 | 1 | |
| 12 | 92150221 92153077 Зажим шланга 1998-2004 | 1 | |
| 13 | 4753869 Труба 1999-2010 | 1 | |
| 13 | 4753869 Труба 1999-, LHD | 1 | |
| 14 | 7987415 О-образное кольцо 2001- | 1 | |
| 15 | 92150001 11900353 Винт 1998-2006 | 1 | |
| 16 | 4670352 Зажим | 1 | |
| 17 | 90571576 Зажим шланга | 4 | |
| 18 | 7591936 Шланг | 2 | |
| 19 | 4441895 Байпасный клапан | 1 | |
| 20A | 4966735 Воздушный шланг 2000-2010 | 1 | |
| 23A | 7970130 92153077 Зажим шланга | 1 | |
| 24 | 7970148 92153079 Зажим шланга | 1 | |
| 25 | 9189002 55562854 Вакуумный клапан 1998-2006 | 1 | |
| 26 | 92150179 92153060 Заклепка 1998-2006 | 2 | |
| 27 | 9136243 Вакуумный шланг -2002 | Продается длиной по 5 м | L=330 MM | 2 | |
| 27 | 9136243 Вакуумный шланг 2002- | Продается длиной по 5 м | L=330 MM | 1 | |
| 27A | 9136243 Вакуумный шланг 2002- | Продается длиной по 5 м | L=260 MM | 1 | |
| 28 | 9136243 Вакуумный шланг Продается длиной по 5 м | L=850 MM | 1 | |
| 29 | 7398977 Хомут | 2 | |
| 30 | 7398407 Зажим | 1 | |
| 32 | 4940698 О-образное кольцо 1998- | 1 | |
| 33 | 55560162 55563262 Датчик 2001-2010 | (91 97 948) (30 584 326) | 1 | |
| 34 | 7922370 Винт 2001-2010 | 2 |