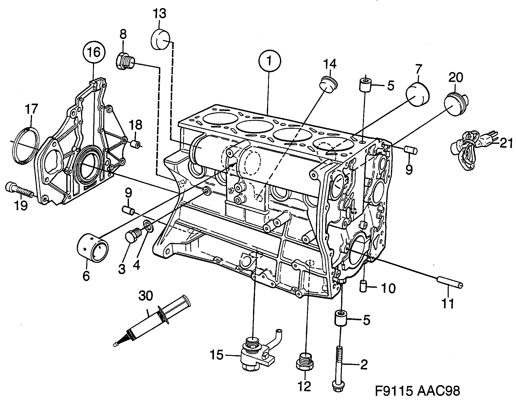
220: Двигатель - Корпус двигателя - Блок цилиндров
(1998 - 2003 | B205E, B205L, B205R, B235E, B235R) | Для 9-3 (9400) (2002)

| Поз. | Номер | Кол-во | |
|---|---|---|---|
| 1 | 9174285 Блок цилиндров 1998-2002 | B205, B235 | Не имеется как отдельная запчасть. | 1 | |
| 2 | 9128687 Винт | 10 | |
| 3 | 5125232 Пробка 1999-2002 | B204, B234, B205 | 1 | |
| 4 | 8124141 92150435 Прокладка 1998-2002 | B204, B234, B205 | 1 | |
| 5 | 8346470 Направляющая | 5 | |
| 6 | 7588684 Втулка, вкладыш | 2 | |
| 7 | 7985120 Уплотнительная шайба | 7 | |
| 8 | 8348047 Пробка | 1 | |
| 9 | 7585052 Направляющая | 4 | |
| 10 | 7949548 Штифт | 5 | |
| 11 | 7950066 Штифт | 1 | |
| 12 | 9115049 30520417 Пробка 1998-2002 | B204, B234, B205 | 4 | |
| 13 | 8123259 92151501 Уплотнительная шайба | 2 | |
| 14 | 8123218 Уплотнительная шайба 1998-2002 | B204, B234, B205 | 1 | |
| 15 | 9167677 Форсунка охлаждения поршня 1998-2002 | B204L, B234I, B235R, B205L | 4 | |
| 16 | 9174194 55557715 Плита | 1 | |
| 17 | 9174202 55557240 Уплотнение коленвал задний | 1 | |
| 18 | 9129800 Направляющая гильза | 2 | |
| 19 | 7978109 11900354 Винт | 12 | |
| 20 | 4725883 Обогреватель двигателя | 1 | |
| 21 | 4397311 Соединительный кабель | 1 | |
| 30 | 90297970 Уплотнение фланца 50 ML | X |