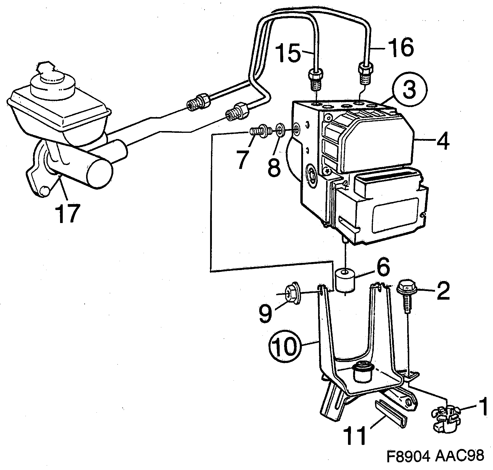
160: Тормоза - Система ножного тормоза - Гидравлический узел ABS
(1998 - 2003) | Для 9-3 (9400) (2002)

| Поз. | Номер | Кол-во | |||
|---|---|---|---|---|---|
| 1 | 4243432 5125398 Гайка корзины 1998-2003 | 3 | |||
| 2 | 7978190 55566034 Винт | 3 | |||
| 3 | 5390091 Гидравлический аггрегат 2001-2003 | 1 | |||
| 3 | 5233911 Гидравлический аггрегат 2002-2003 | TCS | 1 | |||
| 4 | 4779526 Электронный блок Не имеется как отдельная запчасть. | 1 | |||
| 4 | 5235874 Электронный блок Не имеется как отдельная запчасть. | TCS | 1 | |||
| 6 | 4646675 Опорная втулка | 1 | |||
| 7 | 4646683 Опорный палец | 2 | |||
| 8 | 4646691 Демпфер | 2 | |||
| 9 | 7977952 11900452 Шестигранная гайка | 2 | |||
| 10 | 4907697 Консоль | 1 | |||
| 11 | 4175295 4867917 Планка защиты края | 1 | |||
| 15 | 5334503 Тормозные трубки 2001-2003, LHD | 1 | |||
| 15 | 5082136 Тормозные трубки 1999-2002, LHD | ''VIGGEN'' | 1 | |||
| 16 | 4905311 Тормозные трубки 2001-2003, LHD | 1 | |||
| 16 | 5082177 Тормозные трубки 1999-2002, LHD | ''VIGGEN'' | 1 | |||
| 15 | 5063946 Тормозные трубки 2001-2003, RHD | 1 | |||
| 15 | 4905394 Тормозные трубки 2001-2002, RHD | D223L | 1 | |||
| 16 | 5063938 Тормозные трубки 2001-2003, RHD | 1 | |||
| 16 | 4905386 Тормозные трубки 2001-2002, RHD | D223L | 1 | |||
| 17 | 1 | ||||
| 17 | 1 | ||||