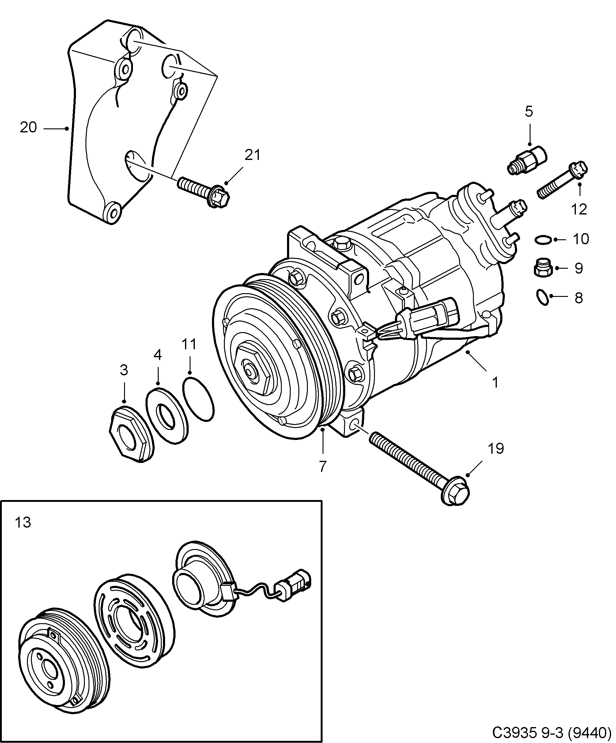
250: Отопление и вентиляция - Компрессор АС
(2003 - 2011 | 4D, CV, 5D) | Для 9-3 (9440) (2011)

| Поз. | Номер | Кол-во | |
|---|---|---|---|
| 1 | 12759394 Компрессор 2005-2011 | Z18XE, B207 | 1 | |
| 1 | 12770420 Компрессор 2008-2011 | Z19DTR, A19DTR | 1 | |
| 3 | 93184251 Гайка 2005-2011 | 1 | |
| 4 | 90543271 Шайба качения | 1 | |
| 5 | 9194582 Клапан | 1 | |
| 7 | 93189061 Сцепление 2009-2011 | B207 | 1 | |
| 7 | 93184285 Сцепление Z19DT, Z19DTH, Z19DTR, A19DTR, A20NFT | 1 | |
| 8 | 90543272 Стопорное кольцо | 1 | |
| 9 | 93182417 Винт | 1 | |
| 10 | 90543274 О-образное кольцо | 1 | |
| 11 | 93184284 Часть | 1 | |
| 12 | 93173699 Винт | 1 | |
| 19 | 24447549 Винт 2004-2011 | 3 | |
| 20 | 55210423 Консоль 2008-2011 | Z19DT, Z19DTH, Z19DTR, A19DTR | 1 | |
| 21 | 55563716 Винт 2007-2011 | Z19DTH, Z19DT, Z19DTR, A19DTR | M10X85 | 4 |