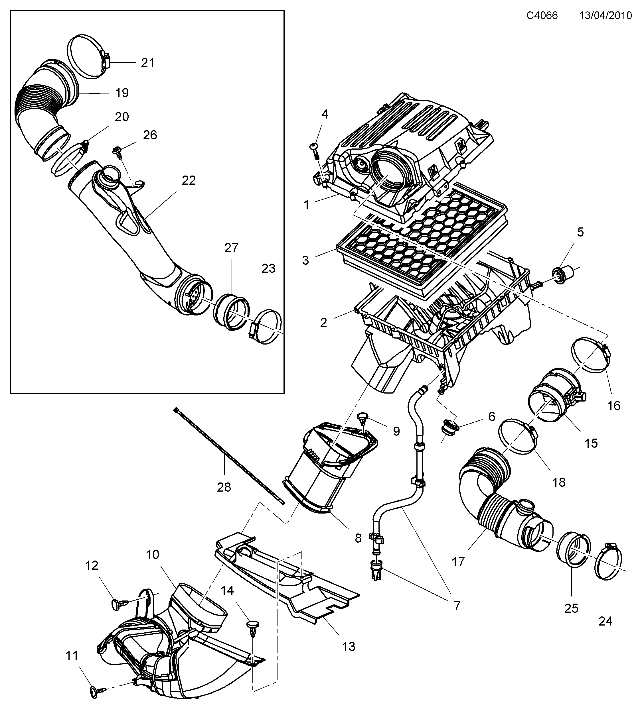
1125: Двигатель - Топливная система - Воздухоочиститель
(2010 - 2011 | A20DTH, A20DTR) | Для 9-5 (650) (2011)

| Поз. | Номер | Кол-во | |
|---|---|---|---|
| 1 | 13296367 Крышка | 1 | |
| 2 | 13335598 Корпус | 1 | |
| 3 | 13319421 Вставка фильтра | 1 | |
| 4 | 12800518 Винт | 6 | |
| 5 | 9202941 Резиновая прокладка | 1 | |
| 6 | 9129705 Резиновая прокладка | 1 | |
| 7 | 13324887 Шланг Дренаж | 1 | |
| 8 | 12825705 Направляющая | 1 | |
| 9 | 11589292 Заклепка | 1 | |
| 10 | 13328136 Воздушный канал INLET | 1 | |
| 11 | 13278397 Винт | 1 | |
| 12 | 11589291 Зажим крепления | 1 | |
| 13 | 13321545 Водосток | 1 | |
| 14 | 11589290 Расширяющаяся заклепка | 1 | |
| 15 | 55562426 Счетчик потока воздуха | 1 | |
| 16 | 24415473 Зажим шланга 82-92mm | 1 | |
| 17 | 55561787 Воздушный канал A20DTH | OUTLET | 1 | |
| 18 | 24415473 Зажим шланга A20DTH | Выпуск воздуха Передний | 82-92mm | 1 | |
| 19 | 55562490 Воздушный канал A20DTR | Передний | OUTLET | 1 | |
| 20 | 24415470 Зажим шланга A20DTR | Выпуск воздуха Передний | 66-75MM | 1 | |
| 21 | 24415472 Зажим шланга A20DTR | Выпуск воздуха Передний | 77-87MM | 1 | |
| 22 | 55562491 Воздушный канал A20DTR | Задний | OUTLET | 1 | |
| 23 | 24415467 Зажим шланга A20DTR | Выпуск воздуха Задний | 49-57MM | 1 | |
| 24 | 24415469 Зажим шланга A20DTH | Выпуск воздуха Задний | 59-70 MM | 1 | |
| 25 | 13309145 Прокладка A20DTH | 1 | |
| 26 | 11519382 Винт A20DTR | Выпуск воздуха Канал | M6X16 | 1 | |
| 27 | 55562769 Прокладка A20DTR | Выпуск воздуха Канал | 1 | |
| 28 | 11900513 Хомут | 1 |