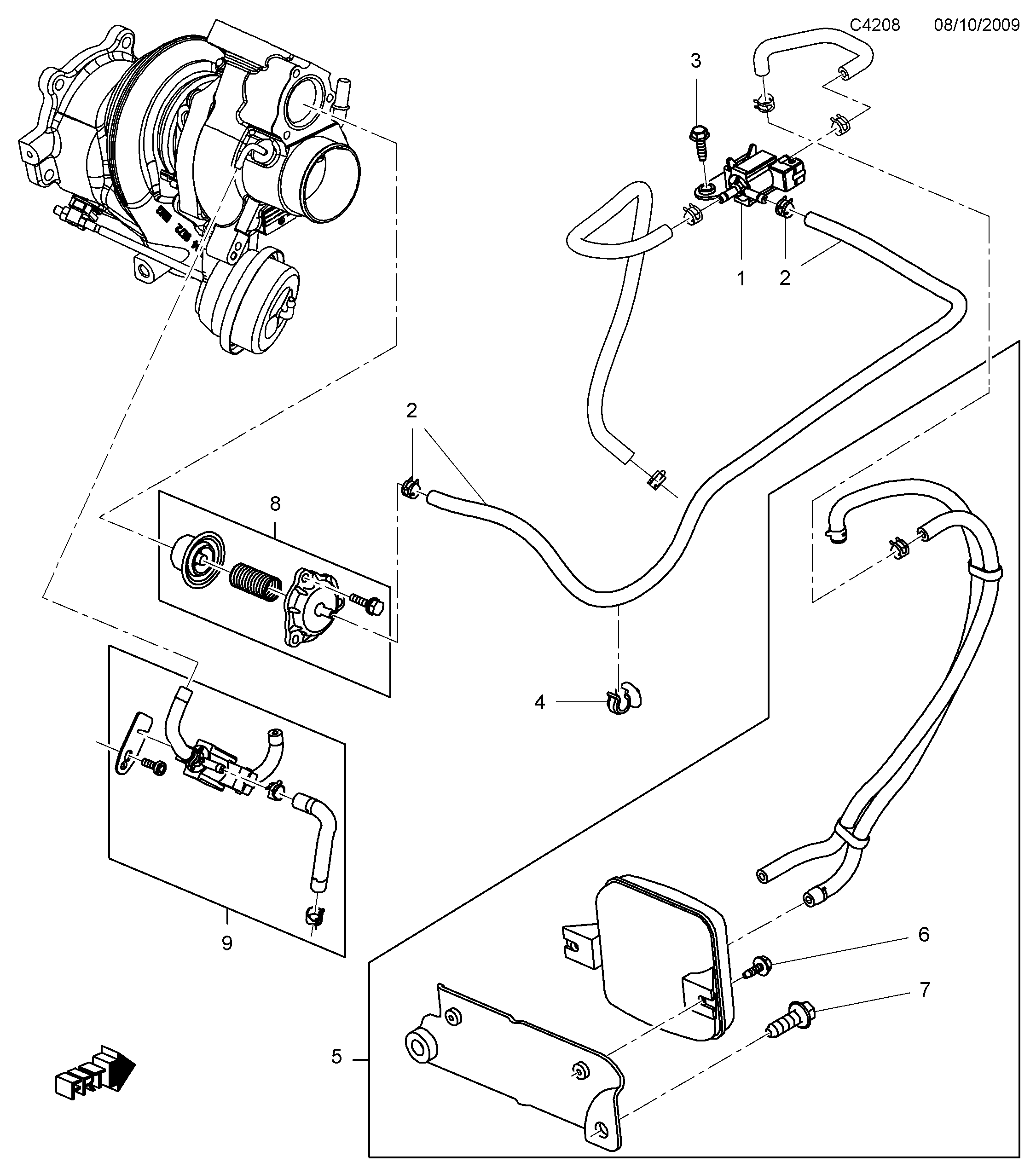
8000: Двигатель - Система наддува - Вакуумная система
(2010 - 2011 | A20DTH, A20DTR, A20NFT, A16LET) | Для 9-5 (650) (2011)

| Поз. | Номер | Кол-во | |
|---|---|---|---|
| 1 | 12633411 Байпасный клапан A20NHT | 1 | |
| 1 | 12633354 Соленоид 2011-2011 | A20NFT | 1 | |
| 2 | 12632187 Труба | 1 | |
| 3 | 11588712 Винт M6X20 | 2 | |
| 4 | 90501729 Зажим крепления | 1 | |
| 5 | 12626029 Резервуар, бачок | 1 | |
| 6 | 11570143 Шестигранный винт | 2 | |
| 7 | 3545602 Шестигранный винт M10 X31 | 1 | |
| 8 | 19168558 Байпасный клапан A20NHT | Комплект | 1 | |
| 9 | 19168559 Пускатель A20NHT | Комплект | 1 |