9350: Трансмиссия - Дифференциал - Задний - С ELSD
(2010 - 2011) | Для 9-5 (650) (2011)

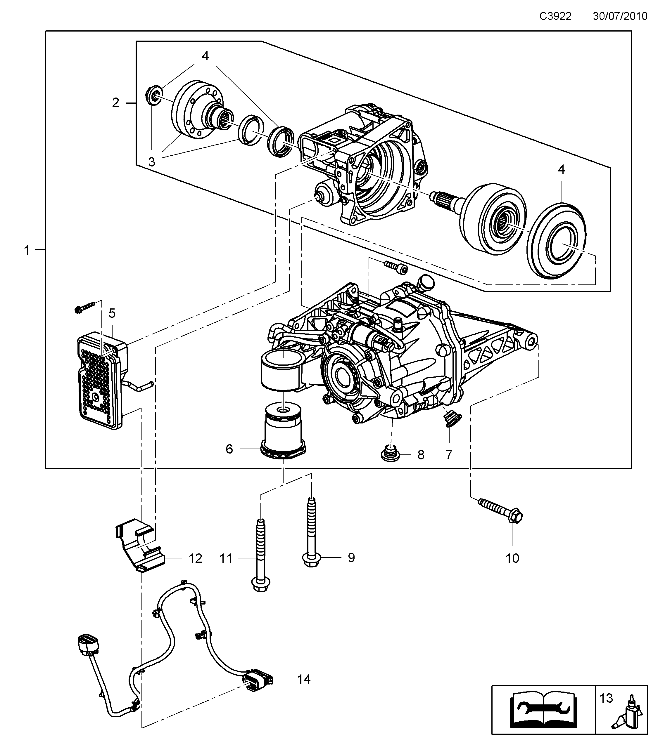
| Поз. | Номер | Кол-во | |
|---|---|---|---|
| 1 | 12824376 Дифференциал A20NHT, A28NER, A28NET | 1 | |
| 1 | 13332040 Дифференциал A20DTR | 1 | |
| 2 | 13334090 Сцепление | 1 | |
| 3 | 13334081 Фланец | 1 | |
| 4 | 13334079 Комплект прокладок | 1 | |
| 5 | 13334519 Узел управления | 1 | |
| 6 | 13332339 Втулка, вкладыш A20DTR | 2 | |
| 7 | 13297321 Пробка Заливка масла | 1 | |
| 8 | 13297321 Пробка СЛИВ МАСЛА | 1 | |
| 9 | 11589281 Шестигранный винт M12X100 | 2 | |
| 10 | 11609598 Шестигранный винт M12 X 1.75 X 75 MM | 2 | |
| 11 | 11609609 Винт A20DTR | M12X105 | 2 | |
| 12 | 13286702 Щит | 1 | |
| 13 | 93165418 Уплотнительная масса Коробка дифференциала | 40ML | X | |
| 13 | 93165267 Уплотнительная масса Коробка дифференциала | 80ML | X | |
| 14 | 13330277 Проводка 2011-2011 | Задний мост Прерыватель | 1 |