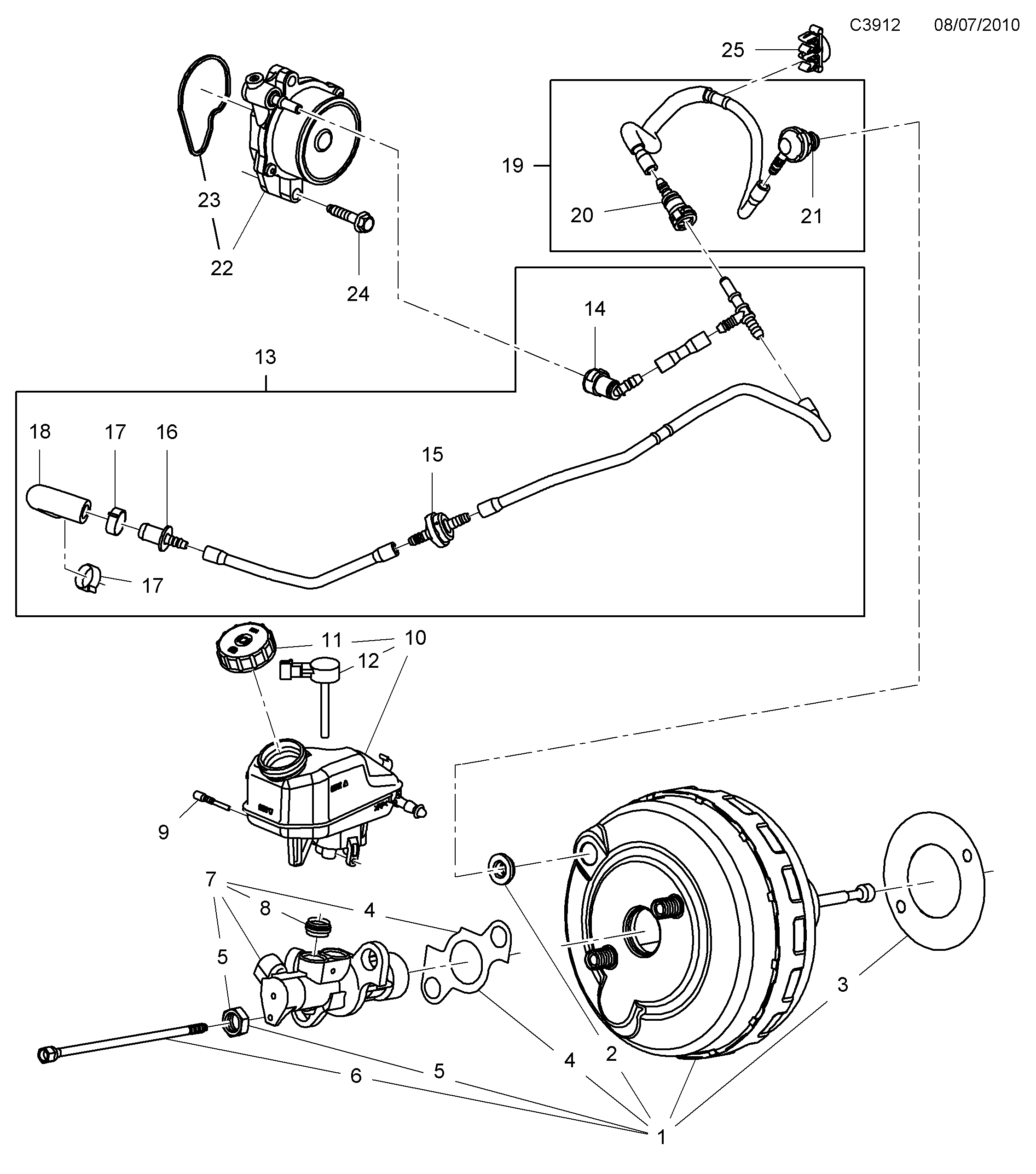
4000: Тормоза - Система ножного тормоза - Главный цилиндр и вакуумный сервоусилитель
(2010 - 2011 | A20DTH, A20DTR, A20NFT, A16LET) | Для 9-5 (650) (2011)

| Поз. | Номер | Кол-во | |
|---|---|---|---|
| 1 | 13286441 Тормозной сервоусилитель LHD | 1 | |
| 1 | 13286440 Тормозной сервоусилитель RHD | 1 | |
| 2 | 90512838 Вводной канал | 1 | |
| 3 | 13286442 Уплотнение | 1 | |
| 4 | 90272667 Уплотнительное кольцо Главный цилиндр | 1 | |
| 5 | 13286443 Гайка | 2 | |
| 6 | 13265563 Винт M8X200 | 2 | |
| 7 | 13286445 Комплект главного цилиндра LHD | 1 | |
| 7 | 13286446 Комплект главного цилиндра RHD | 1 | |
| 4 | 90272667 Уплотнительное кольцо Главный цилиндр | 1 | |
| 5 | 13286443 Гайка | 2 | |
| 8 | 13286448 Вводной канал | 2 | |
| 9 | 13286449 Винт | 1 | |
| 10 | 13286450 13286452 Резервуар, бачок | 1 | |
| 11 | 13286453 Крышка | 1 | |
| 12 | 13286456 Выключатель | 1 | |
| 13 | 22773982 Вакуумная труба 2011-2011 | 1 | |
| 14 | 90498846 Быстрая муфта | 1 | |
| 15 | 90498464 Обратный клапан | 1 | |
| 16 | 12761753 Опора | 1 | |
| 17 | 25509495 Зажим шланга 2011-2011 | 2 | |
| 18 | 20990921 Шланг 2011-2011 | 1 | |
| 19 | 13227542 Вакуумная труба LHD | 1 | |
| 19 | 13227543 Вакуумный трубопровод RHD | 1 | |
| 20 | 90498845 Быстрая муфта | 1 | |
| 21 | 13292000 Обратный клапан RHD | 1 | |
| 22 | 12632504 Вакуумный насос | 1 | |
| 23 | 55561100 Прокладка | 1 | |
| 24 | 11588729 Шестигранный винт M8X55 | 2 | |
| 25 | 90539595 Зажим LHD | Вакуумная труба | 1 |