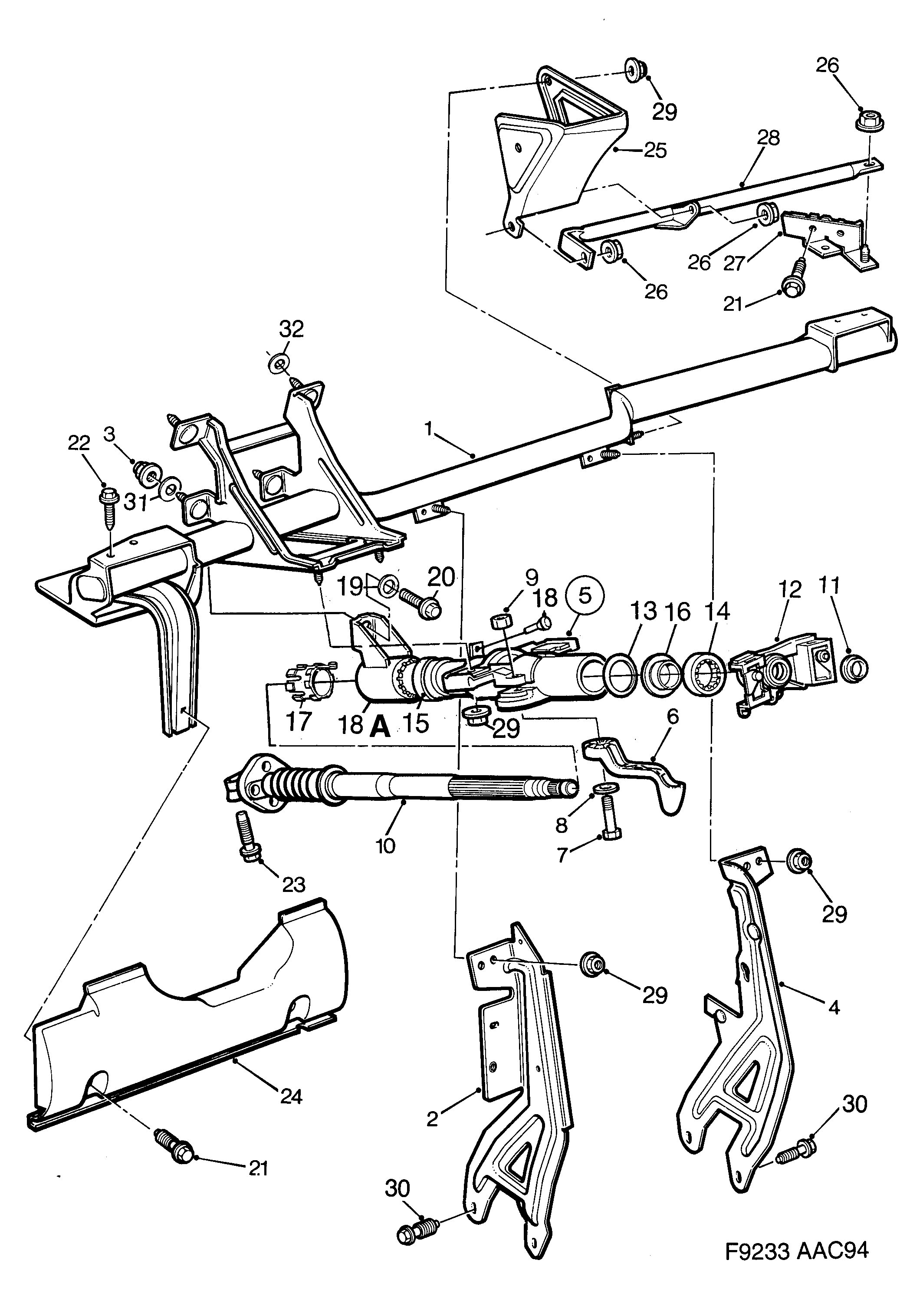
180: Train avant - Direction - Elément volant direction - Colonne de direction
(1994 - 1998)

| Pos. | Réf. | Qté | |
|---|---|---|---|
| 1 | 4233409 5010400 Elément volant direction Usage: -1994, LHD | 1 | |
| 1 | 4507059 5010400 Elément volant direction Usage: 1994-1997, LHD | 1 | |
| 1 | 5010400 Elément volant direction Usage: 1998-1998, LHD | 1 | |
| 1 | 4379582 Elément volant direction Usage: RHD | 1 | |
| 2 | 4414868 Béquille Usage: -1994, LHD | 1 | |
| 2 | 4414868 Béquille Usage: -1994, RHD | AS3 | 1 | |
| 2 | 4505756 Béquille Usage: 1994-, LHD | 1 | |
| 2 | 4505889 Béquille Usage: 1994-, RHD | AS3 | 1 | |
| 3 | 4345419 90191908 Ecrou | X | |
| 4 | 4414827 30550991 Béquille Usage: LHD | AIRBAG 2 | 1 | |
| 4 | 4414827 30550991 Béquille Usage: LHD | AS3 | 1 | |
| 4 | 4233318 Béquille Usage: RHD | 1 | |
| 5 | 4379194 4804050 Colonne de direction Usage: -1994 | 1 | |
| 5 | 4531240 4804050 Colonne de direction Usage: 1994-1994, LHD | 1 | |
| 5 | 4505699 4804050 Colonne de direction Usage: 1995-1996, LHD | 1 | |
| 5 | 4532222 4804050 Colonne de direction Usage: 1994-1994, RHD | 1 | |
| 5 | 4505699 4804050 Colonne de direction Usage: 1995-1996, RHD | 1 | |
| 5 | 4531240 4804050 Colonne de direction Usage: -1994, LHD | 1 | |
| 5 | 4505699 4804050 Colonne de direction Usage: 1995-1996, LHD | 1 | |
| 5 | 4534624 4804050 Colonne de direction Usage: -1994, LHD | 1 | |
| 5 | 4505699 4804050 Colonne de direction Usage: 1995-1996, LHD | 1 | |
| 5 | 4505699 4804050 Colonne de direction Usage: -1996, RHD | 1 | |
| 5 | 4804050 Colonne de direction Usage: 1996-1997 | 1 | |
| 5 | 4842860 5207352 Colonne de direction Usage: 1998-1998 | 1 | |
| 6 | 4232963 5170501 Poignée | 1 | |
| 7 | 8021966 5018536 Vis à tête hexagonale | 1 | |
| 8 | 7981954 Rondelle | 1 | |
| 9 | 8073512 92150265 Contre-écrou | 1 | |
| 10 | 4845715 Colonne volant Usage: 1994-1997 | 1 | |
| 10 | 4842902 Colonne volant Usage: 1998-1998 | 1 | |
| 11 | 8954281 Anneau verrouillage Usage: 1994-1997 | 1 | |
| 11 | 5010194 5016779 Anneau verrouillage Usage: 1998-1998 | 1 | |
| 12 | 4460739 5010186 Carter palier Usage: -1994 | 1 | |
| 12 | 4505715 5010186 Carter palier Usage: 1994- | 1 | |
| 12 | 4505715 5010186 Carter palier Usage: LHD | 1 | |
| 13 | 4505723 5335658 Rondelle-ressort Usage: 1994- | 1 | |
| 13 | 4505723 5335658 Rondelle-ressort Usage: LHD | 1 | |
| 14 | 8950701 4903985 Roulement billes Usage: 1994- | 1 | |
| 14 | 8950701 4903985 Roulement billes Usage: LHD | 1 | |
| 15 | 4631719 Bague entretoise Usage: 1995-1997 | 1 | |
| 15 | 4631719 Bague entretoise Usage: 1994-1997 | 1 | |
| 16 | 4460721 Bague en plastique | 1 | |
| 17 | 4849337 Palier Usage: 1996- | 1 | |
| 18 | 7035801 Obturateur en caoutchouc Usage: 1998-1998 | 1 | |
| 18A | 4902292 Console Usage: 1998- | 1 | |
| 19 | 7061328 Rondelle Usage: 1994- | 1 | |
| 20 | 4346466 Vis à tête hexagonale Usage: -1994 | 1 | |
| 20 | 7982986 Vis Usage: 1994- | 1 | |
| 21 | 7978091 11900353 Vis | X | |
| 22 | 7399330 Vis | 4 | |
| 23 | 4087631 Vis à tête hexagonale | 1 | |
| 24 | 4414611 Protection Usage: -1994, LHD | 1 | |
| 24 | 4505749 Protection Usage: 1994-1994, LHD | 1 | |
| 24 | 4534491 Protection Usage: 1995-1997, LHD | 1 | |
| 24 | 4534491 Protection Usage: 1994-1997, LHD | 1 | |
| 24 | 4842985 Protection Usage: 1998-1998, LHD | 1 | |
| 25 | 4414694 30550989 Protection Usage: LHD | AIRBAG 2 | 1 | |
| 26 | 7977929 11900451 Ecrou Usage: AIRBAG 2 | 3 | |
| 27 | 4474367 Support Usage: AIRBAG 2 | 1 | |
| 28 | 4414702 30550990 Tuyau Usage: AIRBAG 2 | 1 | |
| 29 | 7971922 92150143 Ecrou | X | |
| 30 | 7972466 Vis | X | |
| 31 | 4345724 Joint Usage: 1994-1996 | 2 | |
| 32 | 4345344 Rondelle Usage: RHD | 1 |