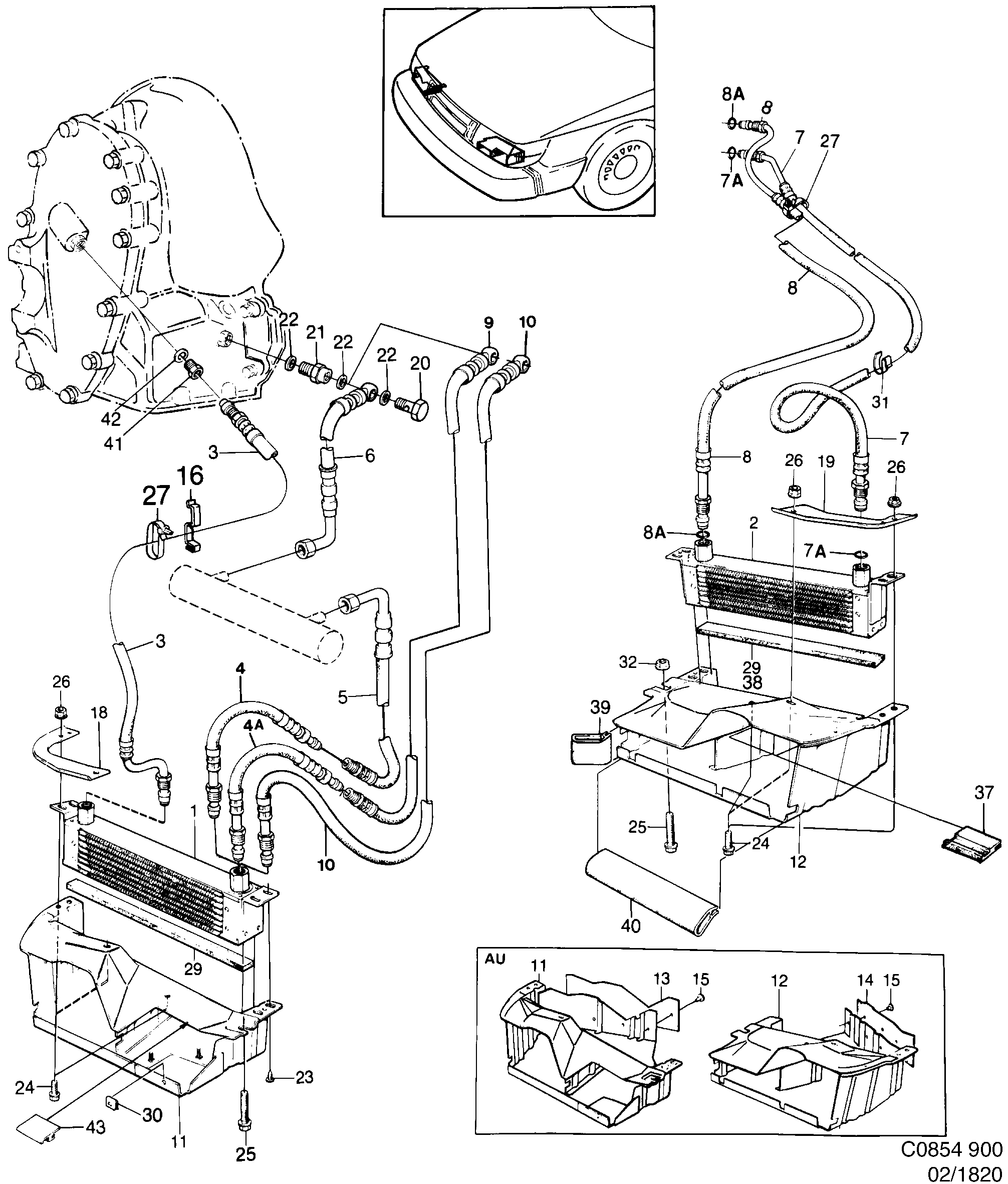
1820: Moteur - Système de refroidissement - Refroidisseur d'huile à air - Moteur et boîte de vitesses automatique
(1990 - 1993)
Concerne aussi CV 1994

| Pos. | Réf. | Qté | |
|---|---|---|---|
| 1 | 7546963 Radiateur huile | 1 | |
| 2 | 7546567 Radiateur huile Usage: moteur | 1 | |
| 3 | 7549868 Flexible hydraulique | 1 | |
| 4 | 7547847 Flexible hydraulique | 1 | |
| 4A | 7547847 Flexible hydraulique Usage: -1990 | 1 | |
| 5 | 7544372 Flexible hydraulique | 1 | |
| 6 | 7546385 Flexible hydraulique | 1 | |
| 7 | 7546476 Flexible hydraulique Usage: moteur | 1 | |
| 7A | 7977580 Joint torique | 2 | |
| 8 | 7546484 Flexible hydraulique Usage: moteur | 1 | |
| 8A | 7977580 Joint torique | 2 | |
| 9 | 7547821 Flexible hydraulique Usage: -1990 | 1 | |
| 10 | 4118204 Flexible hydraulique Usage: 1990- | 1 | |
| 11 | 7546922 Cassette Usage: RH | 1 | |
| 11 | 7547029 Cassette Usage: RH | 1 | |
| 12 | 7546773 Cassette Usage: LH | 1 | |
| 12 | 7547003 Cassette Usage: LH | 1 | |
| 13 | 7544448 Anti-éclaboussures Usage: Pièce du 75 47 029. | 1 | |
| 14 | 7544430 Anti-éclaboussures Usage: Pièce du 75 47 003. | 1 | |
| 15 | 8235178 Rivet pop | 8 | |
| 16 | 4279287 Porte-flexible Usage: 1991-1993 | 2 | |
| 18 | 7540313 Douille | 1 | |
| 19 | 7540305 Douille Usage: moteur | 1 | |
| 20 | 9301532 12773569 Vis banjo Usage: -1992 | 1 | |
| 20 | 8322927 12773569 Vis banjo Usage: 1992- | 1 | |
| 21 | 7540032 Raccord | 1 | |
| 22 | 8981961 4161162 Joint Usage: 1990-1992 | 3 | |
| 22 | 4161162 Joint Usage: 1993-1993 | 3 | |
| 23 | 7922891 Vis | 4 | |
| 24 | 8059586 92151823 Vis | 8 | |
| 25 | 7974447 Vis | 2 | |
| 26 | 7971658 11900428 Ecrou | 8 | |
| 27 | 7971880 11900513 Ruban serrage | X | |
| 29 | 7541519 Joint | 1 | |
| 30 | 7975741 Ecrou | 4 | |
| 31 | 7542715 Clip Usage: ENGINE | 1 | |
| 32 | 7975220 Ecrou | 2 | |
| 37 | 7548787 Joint | 1 | |
| 38 | 7546955 Joint | 1 | |
| 39 | 7548795 Joint | 1 | |
| 40 | 7548803 Joint | 1 | |
| 41 | 7546971 Raccord | 1 | |
| 42 | 7599426 Joint | 1 | |
| 43 | 7548787 Joint | 1 | |
9337270 Jeu radiateur huile Usage: moteur | X | ||
9320268 Kit conversion | X |