
| Pos. | Part No. | Qty | |
|---|---|---|---|
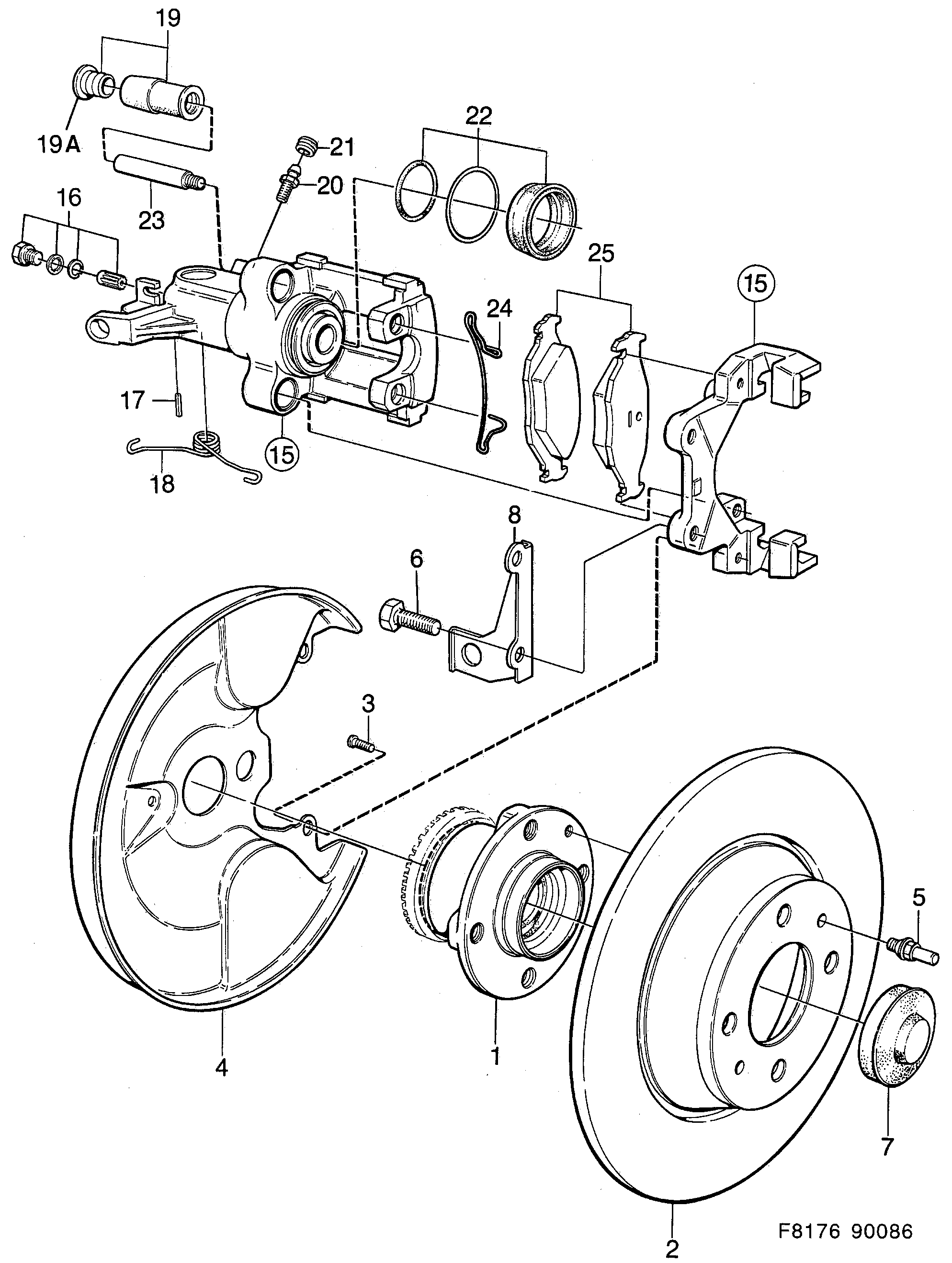
| 1 | 8971095 Wheel hub Usage: with bearing | 2 | |
| 1 | 8971111 Wheel hub Usage: with bearing | ABS | 2 | |
| 2 | 8970717 Brake disc | 2 | |
| 3 | 7972441 Screw | 6 | |
| 4 | 8954547 8963027 Protecting plate | 2 | |
| 5 | 8968588 Pin | 2 | |
| 6 | 8970428 Screw | 4 | |
| 7 | 8952665 Cap | 2 | |
| 8 | 9101635 Bracket Usage: LH | 1 | |
| 8 | 9101643 Bracket Usage: RH | 1 | |
| 15 | 8970618 Brake housing Usage: Also available as exchange unit. | LH | 1 | |
| 15 | 8970626 Brake housing Usage: Also available as exchange unit. | RH | 1 | |
| 16 | 4107793 Adjuster kit | 1 | |
| 17 | 8955437 Pin | 1 | |
| 18 | 8955395 Spring Usage: LH | 1 | |
| 18 | 8955403 Spring Usage: RH | 1 | |
| 19 | 8955445 4467064 Guide | 4 | |
| 19A | 8955478 Cover | 4 | |
| 20 | 8955411 Bleed screw Usage: M8 | 2 | |
| 20 | 4838124 Bleed screw Usage: M7 | 2 | |
| 21 | 8955429 8908576 Protecting casing | 2 | |
| 22 | 8961849 Gasket kit | 2 | |
| 23 | 8955486 90297771 Slide pin | 4 | |
| 24 | 8970816 Spring | 2 | |
| 25 | 8968026 5055967 Brake pad kit | 1 |