1960: Moteur - Système de refroidissement - Refroidisseur d'air de suralimentation
(1986 - 1989)

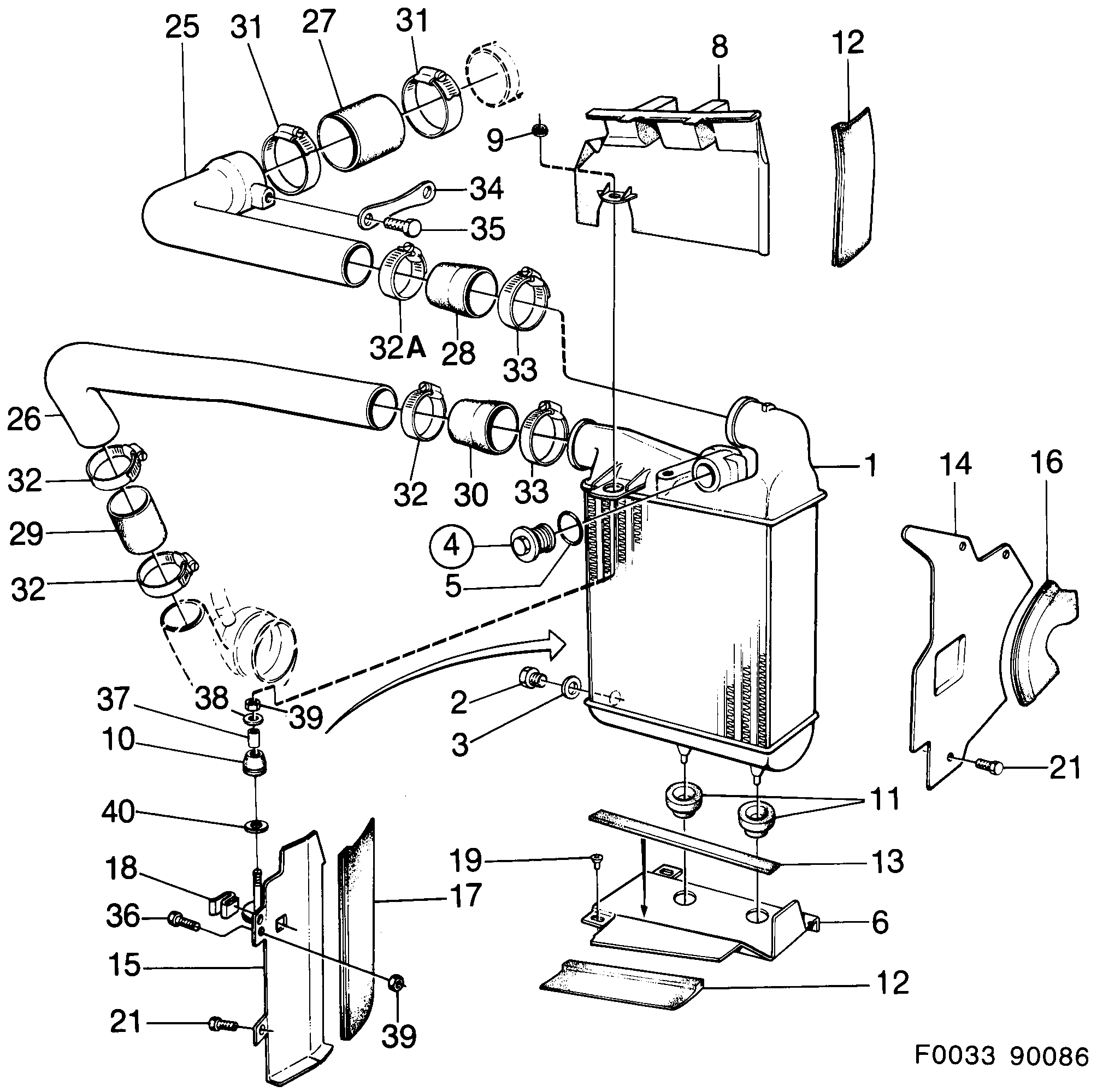
| Pos. | Réf. | Qté | |
|---|---|---|---|
| 1 | 7543887 Radiateur Usage: -1986 | 1 | |
| 1 | 7544539 Radiateur Usage: 1986-1989 | 1 | |
| 1 | 7599418 Refoidisseur d'air de suralimentation Usage: 1989- | 1 | |
| 2 | 7540610 Tampon | 1 | |
| 3 | 7540628 Joint | 1 | |
| 4 | 7550023 Soupape | 1 | |
| 5 | 7972797 Joint torique | 1 | |
| 6 | 7513070 Fixation Usage: LOWER | 1 | |
| 8 | 7544505 Fixation | 1 | |
| 9 | 8573966 Bague | 1 | |
| 10 | 7543762 Bague caoutchouc | 1 | |
| 11 | 7512593 Bague caoutchouc | 2 | |
| 12 | 7513096 Joint | 2 | |
| 13 | 7513112 Joint | 1 | |
| 14 | 7512676 Tôle Usage: 1986-1986 | OUTER | 1 | |
| 14 | 7547623 Tôle Usage: 1987-1989 | OUTER | 1 | |
| 14 | 7512718 Tôle latérale Usage: 1986-1986, LHD | OUTER | 1 | |
| 14 | 7547631 Tôle Usage: 1987-1989, LHD | OUTER | 1 | |
| 15 | 7543846 Tôle latérale Usage: INNER | 1 | |
| 16 | 7512775 Joint | 1 | |
| 17 | 7512742 Joint | 1 | |
| 18 | 7958861 Collier serrage | 1 | |
| 19 | 7972045 Rivet Usage: -1987 | 3 | |
| 19 | 7961659 Rivet Usage: 1987-1988 | 3 | |
| 19 | 7972490 92153058 Rivet Usage: 1989-1989 | 3 | |
| 21 | 7973159 7973001 Vis | 4 | |
| 25 | 7527302 Tuyau Usage: 1986-1988 | 1 | |
| 25 | 8977787 Tuyau Usage: 1989-1989 | Valable aussi pour SE 1988B. | 1 | |
| 26 | 7527310 Tuyau Usage: 1986-1988 | 1 | |
| 26 | 8978314 Tuyau Usage: 1989-1989 | Valable aussi pour SE 1988B. | 1 | |
| 27 | 7526262 Flexible | 1 | |
| 28 | 9387697 Flexible Usage: 1986-1988 | 1 | |
| 28 | 8976037 Flexible Usage: 1989-1989 | Valable aussi pour SE 1988B. | 1 | |
| 29 | 7526288 4904702 Flexible | 1 | |
| 30 | 7526841 Flexible | 1 | |
| 31 | 7970155 92153080 Collier serrage | 2 | |
| 32 | 7970130 92153077 Collier serrage | 3 | |
| 32A | 7970130 92153077 Collier serrage Usage: 1986-1988 | 1 | |
| 32A | 7970148 92153079 Collier serrage Usage: 1989-1989 | Valable aussi pour SE 1988B. | 1 | |
| 33 | 7970148 92153079 Collier serrage | 2 | |
| 34 | 7506645 Gâche | 2 | |
| 35 | 7972607 92153146 Vis | 2 | |
| 36 | 7965544 Vis | 1 | |
| 37 | 7544356 Tube entretoise | 1 | |
| 38 | 7975469 7987506 Rondelle | 1 | |
| 39 | 7971658 11900428 Ecrou | 2 | |
| 40 | 7549041 Rondelle entretoise | 1 |