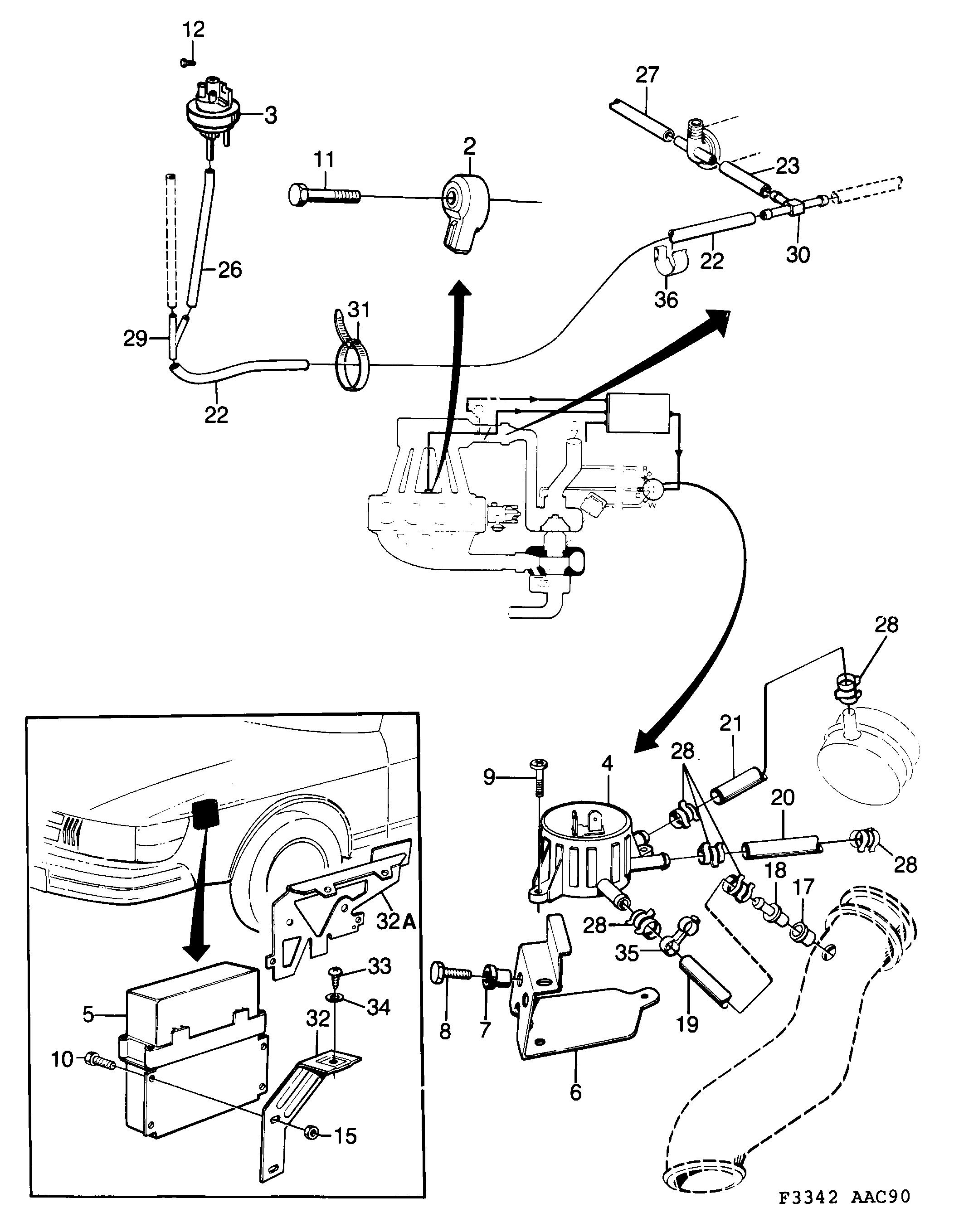
2060: Moteur - Système de suralimentation - Système APC
(1990 - 1993)
Concerne aussi CV 1994

| Pos. | Réf. | Qté | |
|---|---|---|---|
| 2 | 7568801 Détecteur de cliquetis | 1 | |
| 3 | 9342064 Détecteur pression | 1 | |
| 4 | 7517477 Vanne électromagnétique | 1 | |
| 5 | 7566599 Unité électronique Usage: Avec catalyseur. | 1 | |
| 5 | 8857427 Unité électronique Usage: 1990-1991, LHD | Avec catalyseur. | (SPG) | 1 | |
| 5 | 7524127 Unité électronique Usage: Sans catalyseur. | 1 | |
| 5 | 9119330 Unité électronique Usage: 157 HP,(116 KW) | 1 | |
| 5 | 7583172 Unité électronique Usage: Avec catalyseur. Egalement disponible en unité de rechange. | 175 HP (129 KW) | 1 | |
| 5 | 4393971 Unité électronique Usage: 185 HP (137 KW) | 1 | |
| 6 | 9342239 Console | 1 | |
| 7 | 7973456 Ecrou expandeur | 2 | |
| 8 | 8019721 Vis Usage: 1990-1990 | 2 | |
| 8 | 7978380 11900379 Vis Usage: 1991-1993 | 2 | |
| 9 | 7922800 Vis | 2 | |
| 10 | 8019713 Vis | 4 | |
| 11 | 8125197 Vis | 1 | |
| 12 | 7972359 7922800 Vis | 2 | |
| 15 | 7973365 92150136 Ecrou | 4 | |
| 17 | 8325656 Bague | 1 | |
| 18 | 9342270 Raccord | 1 | |
| 19 | 7525777 Flexible | 1 | |
| 20 | 7510266 Flexible | 1 | |
| 21 | 9342619 Flexible | 1 | |
| 22 | 9136243 Flexible à dépression Usage: Vendu par longueurs de 5m | L=500 MM | 1 | |
| 23 | 9136243 Flexible à dépression Usage: Vendu par longueurs de 5m | L=30 MM | 1 | |
| 23 | 9136243 Flexible à dépression Usage: B202S | Vendu par longueurs de 5m | L=1250 MM | 1 | |
| 26 | 9136243 Flexible à dépression Usage: Vendu par longueurs de 5m | L=90 MM | 2 | |
| 27 | 9136243 Flexible à dépression Usage: Vendu par longueurs de 5m | L=1670 MM | 1 | |
| 28 | 7973522 Collier serrage | 6 | |
| 29 | 8509002 Tuyau | 1 | |
| 30 | 8366791 12791937 Tuyau | 1 | |
| 31 | 7971880 11900513 Ruban serrage | 2 | |
| 32 | 7525744 Console | 2 | |
| 32A | Console Usage: ABS | 1 | |
| 33 | 8059396 Vis Usage: -1991 | 2 | |
| 33 | 9849514 Rivet Usage: 1991- | 2 | |
| 34 | 8029944 Rondelle | 2 | |
| 35 | 7398399 Collier serrage | 1 | |
| 36 | 7933443 Clip | 2 | |
9136243 Flexible à dépression Usage: Vendu par longueurs de 5m | L=5000 MM | X |