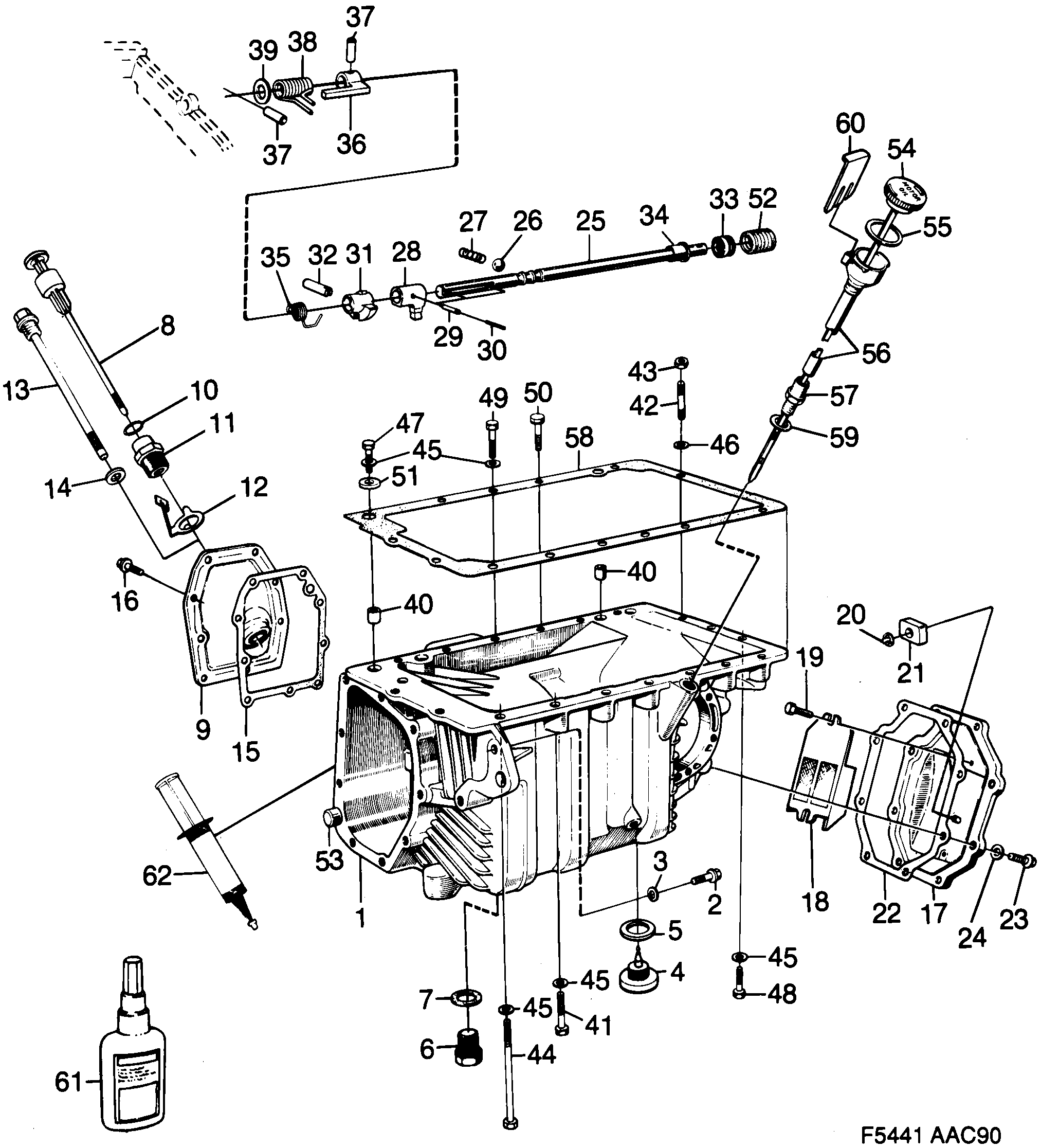
230: Transmission - Boîte de vitesses, manuelle - Carter de boîte de vitesses, collecteur d'huile
(1990 - 1993 | M)
Concerne aussi CV 1994

| Pos. | Réf. | Qté | |
|---|---|---|---|
Boîte de vitesses, manuelle | |||
| 1 | 8726309 Carter boîte vitesses Usage: 1990-1990 | 1 | |
| 1 | 8728875 8733362 Carter boîte vitesses Usage: 1991-1993 | 1 | |
| 1 | 8733362 Carter boîte vitesses Usage: 2010- | 1 | |
| 2 | 8082968 55562873 Vis Usage: 1990-1990 | 1 | |
| 2 | 8125189 Vis Usage: 1991-1993 | 1 | |
| 3 | 8029985 92153033 Rondelle Usage: 1990-1990 | 1 | |
| 4 | 8717407 Bouchon vidange Usage: -2011 | 1 | |
| 5 | 8717415 Joint Usage: -2011 | 1 | |
| 6 | 8711871 8731762 Bouchon vidange Usage: -2010 | 1 | |
| 6 | 8728065 8731762 Bouchon vidange Usage: 1990-1990 | 1 | |
| 6 | 8731762 Bouchon vidange Usage: 1991-1993 | 1 | |
| 7 | 8718439 Joint Usage: -2010 | 1 | |
| 7 | 8728057 Joint Usage: 2011- | 1 | |
| 8 | 8728396 8729345 Jauge Usage: -2011 | 1 | |
| 9 | 8728149 Couvercle | 1 | |
| 10 | 8109647 Joint torique Usage: -2011 | 1 | |
| 11 | 8726770 Raccord Usage: -2011 | 1 | |
| 12 | 8727737 Ressort Usage: -2011 | 1 | |
| 13 | 8729345 Jauge Usage: 2011- | 1 | |
| 14 | 8124182 Joint Usage: 2011- | 1 | |
| 15 | 8728677 Joint | 1 | |
| 16 | 7970015 Vis Usage: 1990-1990 | 9 | |
| 16 | 8125197 Vis Usage: 1991-1993 | 9 | |
| 17 | 8727729 Couvercle Usage: 1990-1990 | 1 | |
| 17 | 8729303 Couvercle Usage: 1991-1993 | 1 | |
| 18 | 8727711 Filtre | 1 | |
| 19 | 8019945 Vis | 2 | |
| 20 | 7977507 Rondelle Usage: 1991-1993 | 1 | |
| 21 | 8727745 Aimant Usage: 1991-1993 | 1 | |
| 22 | 8728651 Joint | 1 | |
| 23 | 8083933 Vis Usage: 1990-1990 | 8 | |
| 23 | 8125197 Vis Usage: 1991-1993 | 8 | |
| 24 | 8029985 92153033 Rondelle Usage: 1990-1990 | 8 | |
| 25 | 8722803 Tige changement vitesse | 1 | |
| 26 | 8341257 Bille | 1 | |
| 27 | 8719775 Ressort | 1 | |
| 28 | 8343014 Flasque entraînement Usage: 1990-1990 | 1 | |
| 28 | 8729808 Flasque entraînement Usage: 1991-1993 | 1 | |
| 29 | 8049553 Goujon élastique | 2 | |
| 30 | 7956154 Goujon élastique | 1 | |
| 31 | 8712945 Blocage | 1 | |
| 32 | 8712952 Goupille | 1 | |
| 33 | 8344335 8730764 Joint | 1 | |
| 34 | 8711608 Bague | 1 | |
| 35 | 8713166 Ressort | 1 | |
| 36 | 8722720 Flasque entraînement | 1 | |
| 37 | 8049553 Goujon élastique | 2 | |
| 38 | 8722829 Ressort Usage: 1990-1990 | 1 | |
| 38 | 8729790 Ressort Usage: 1991-1993 | 1 | |
| 39 | 8722837 Rondelle | 1 | |
| 40 | 8300725 Douille guide | 2 | |
| 41 | 8083958 8125213 Vis | 6 | |
| 42 | 8005928 Goujon | 1 | |
| 43 | 8151235 Ecrou | 1 | |
| 44 | 7965569 Vis | 1 | |
| 45 | 8029985 92153033 Rondelle Usage: 1990-1992 | 14 | |
| 45 | 9166372 32000432 Rondelle Usage: 1993-1993 | 14 | |
| 46 | 9328824 8981987 Joint | 1 | |
| 47 | 9346354 Vis | 1 | |
| 48 | 8082968 55562873 Vis Usage: 1990-1992 | 1 | |
| 48 | 9166331 Vis Usage: 1993-1993 | 1 | |
| 49 | 9346362 Vis | 5 | |
| 50 | 9346370 Vis | 1 | |
| 51 | 7061328 Rondelle | 1 | |
| 52 | 4118238 Soufflet étanchéité | 1 | |
| 53 | 8723967 12755009 Goujon guidage | 2 | |
| 54 | 7514201 Jauge huile | 1 | |
| 55 | 9361544 55557303 Bague de garniture | 1 | |
| 56 | 9368200 Rechargement d'huile | 1 | |
| 57 | 9361452 Raccord | 1 | |
| 58 | 7510241 Joint | 1 | |
8781841 93165267 Instajoint Usage: 280 ML | X | ||
| 59 | 9361627 Rondelle | 1 | |
| 60 | 9362542 Plaque | 1 | |
| 61 | 7496284 Etanchéité filetages Usage: 50 ML | X | |
| 62 | 90297970 Instajoint Usage: 50 ML | X | |
7496003 Kit joints | 1 |