5650: Moteur - Système de refroidissement - Refroidisseur d'huile à air
(2005 | 4-CYL,DIESEL)

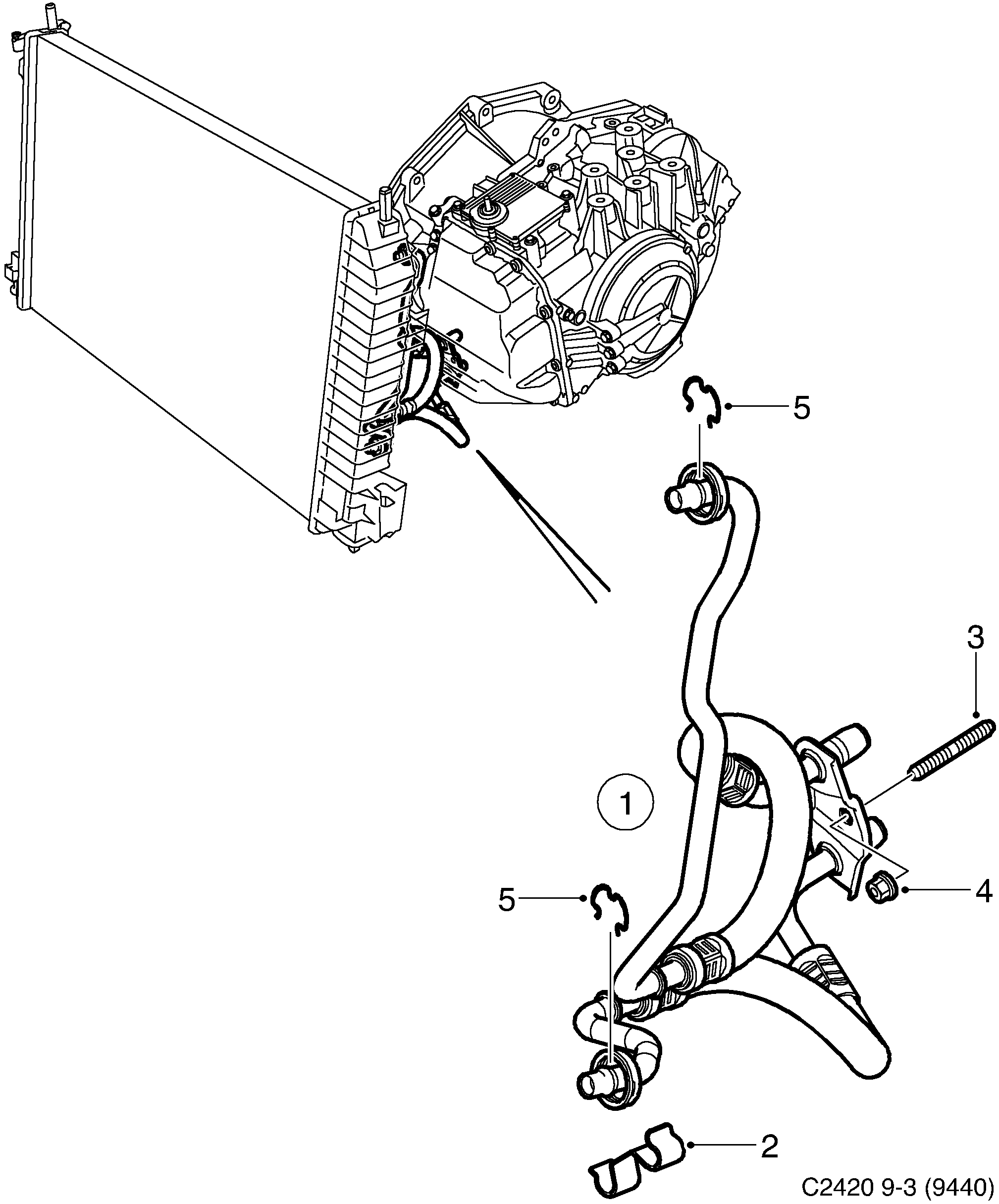
| Pos. | Réf. | Qté | |
|---|---|---|---|
| 1 | 13174428 Flexible hydraulique | 1 | |
| 2 | 24456963 Clip | 1 | |
| 3 | 22652153 Goujon | 1 | |
| 4 | 11900451 Ecrou | 1 | |
| 5 | 24205103 Clip | 2 |
(2005 | 4-CYL,DIESEL)

| Pos. | Réf. | Qté | |
|---|---|---|---|
| 1 | 13174428 Flexible hydraulique | 1 | |
| 2 | 24456963 Clip | 1 | |
| 3 | 22652153 Goujon | 1 | |
| 4 | 11900451 Ecrou | 1 | |
| 5 | 24205103 Clip | 2 |