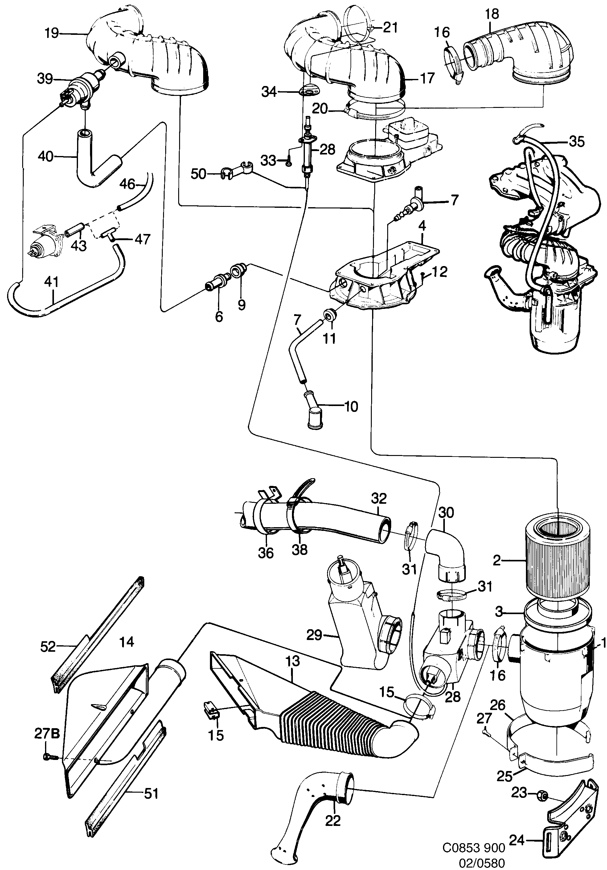
580: Moteur - Système de carburant - Epurateur d'air
(1986 - 1989)

| Pos. | Réf. | Qté | |
|---|---|---|---|
| 1 | 7512999 Filtre air | 1 | |
| 1 | 7512999 Filtre air Usage: EU avec spécifications US. | 1 | |
| 1 | 8317901 Filtre air Usage: LHD | 1 | |
| 2 | 9318502 Filtre air | 1 | |
| 3 | 8317919 Cartouche | 1 | |
| 4 | 8334831 Adapteur | 1 | |
| 4 | 8334831 Adapteur Usage: Pour I avec catalyseur. Pour TURBO avec catalyseur. | 1 | |
| 4 | 9303892 Adapteur Usage: TURBO | 1 | |
| 7 | 9303900 Raccord | 1 | |
| 10 | 8326621 Coude caoutchouc | 1 | |
| 11 | 8325656 Bague | 1 | |
| 12 | 7922370 Vis | 6 | |
| 13 | 7525801 Tuyau | 1 | |
| 14 | 7525447 Tuyau Usage: 1986-1988 | 1 | |
| 14 | 8978306 Tuyau Usage: 1989-1989 | Valable aussi pour SE 1988B. | 1 | |
| 15 | 9319526 Collier serrage | 4 | |
| 16 | 7970148 92153079 Collier serrage | 2 | |
| 17 | 9332081 Canal air | 1 | |
| 17 | 8386351 Raccord Usage: I | 1 | |
| 18 | 7532013 Manchon Usage: TURBO | 1 | |
| 18 | 7536642 Tambour air Usage: Pour TURBO avec catalyseur. | 1 | |
| 19 | 9346487 Prise air Usage: LHD | 1 | |
| 20 | 7970189 Collier serrage | 1 | |
| 21 | 7970155 92153080 Collier serrage | 1 | |
| 22 | 8332918 Schnorchel Usage: TURBO | 1 | |
| 22 | 7533870 Prise air Usage: I | EU avec spécifications US. | 1 | |
| 23 | 8029555 8151227 Ecrou Usage: 1986-1987 | 2 | |
| 23 | 8151227 Ecrou Usage: 1988-1989 | 2 | |
| 24 | 9288432 Fixation | 1 | |
| 25 | 8321044 Ruban serrage | 1 | |
| 26 | 8321051 Ruban serrage | 1 | |
| 27 | 8019945 Vis | 1 | |
| 27B | 7974769 7922891 Vis Usage: I | 2 | |
| 28 | 9331893 Boîtier volet | 1 | |
| 29 | 9303181 Boîtier volet | 1 | |
| 30 | 9303207 Embout tuyau | 1 | |
| 31 | 7970130 92153077 Collier serrage | 2 | |
| 32 | 9317991 Flexible | 1 | |
| 32 | 9331174 Flexible | 1 | |
| 32 | 7529191 Flexible | 1 | |
| 33 | 7922289 7965684 Vis | 2 | |
| 34 | 9332057 Rondelle | 1 | |
| 35 | 8326480 Flexible | 1 | |
| 36 | 9341173 Collier serrage | 1 | |
| 38 | 7971906 Ruban serrage Usage: LHD | 1 | |
| 39 | 9346206 Valve dépression Usage: 1986-1988, LHD | 1 | |
| 39 | 9346206 Valve dépression Usage: 1989-1989 | I | Avec catalyseur. Valable aussi pour SE 1988B. | 1 | |
| 40 | 9346461 Flexible Usage: LHD | 1 | |
| 41 | 9136243 Flexible à dépression Usage: 1986-1988 | Vendu par longueurs de 5m | L=650MM | 1 | |
| 43 | 9136243 Flexible à dépression Usage: 1986-1988 | Vendu par longueurs de 5m | L=30 MM | 1 | |
| 46 | 9136243 Flexible à dépression Usage: 1986-1988 | Vendu par longueurs de 5m | L=240 MM | 1 | |
| 46 | 7512346 Flexible Usage: 1989-1989 | Valable aussi pour SE 1988B. Avec catalyseur. | L=500 MM | 1 | |
| 47 | 8366791 12791937 Tuyau Usage: 1986-1988 | 1 | |
| 50 | 9345257 Clip | 2 | |
| 51 | 7512890 Joint Usage: 1986-1988 | TURBO | 1 | |
| 51 | 7539125 Joint caoutchouc Usage: 1989-1989 | TURBO | 1 | |
| 52 | 7512916 Joint Usage: 1986-1988 | TURBO | 1 | |
| 52 | 7528284 Joint caoutchouc Usage: 1989-1989 | TURBO | 1 | |
9136243 Flexible à dépression Usage: Vendu par longueurs de 5m | L=5000 MM | X | ||
7971880 11900513 Ruban serrage Usage: L=259 MM | X |