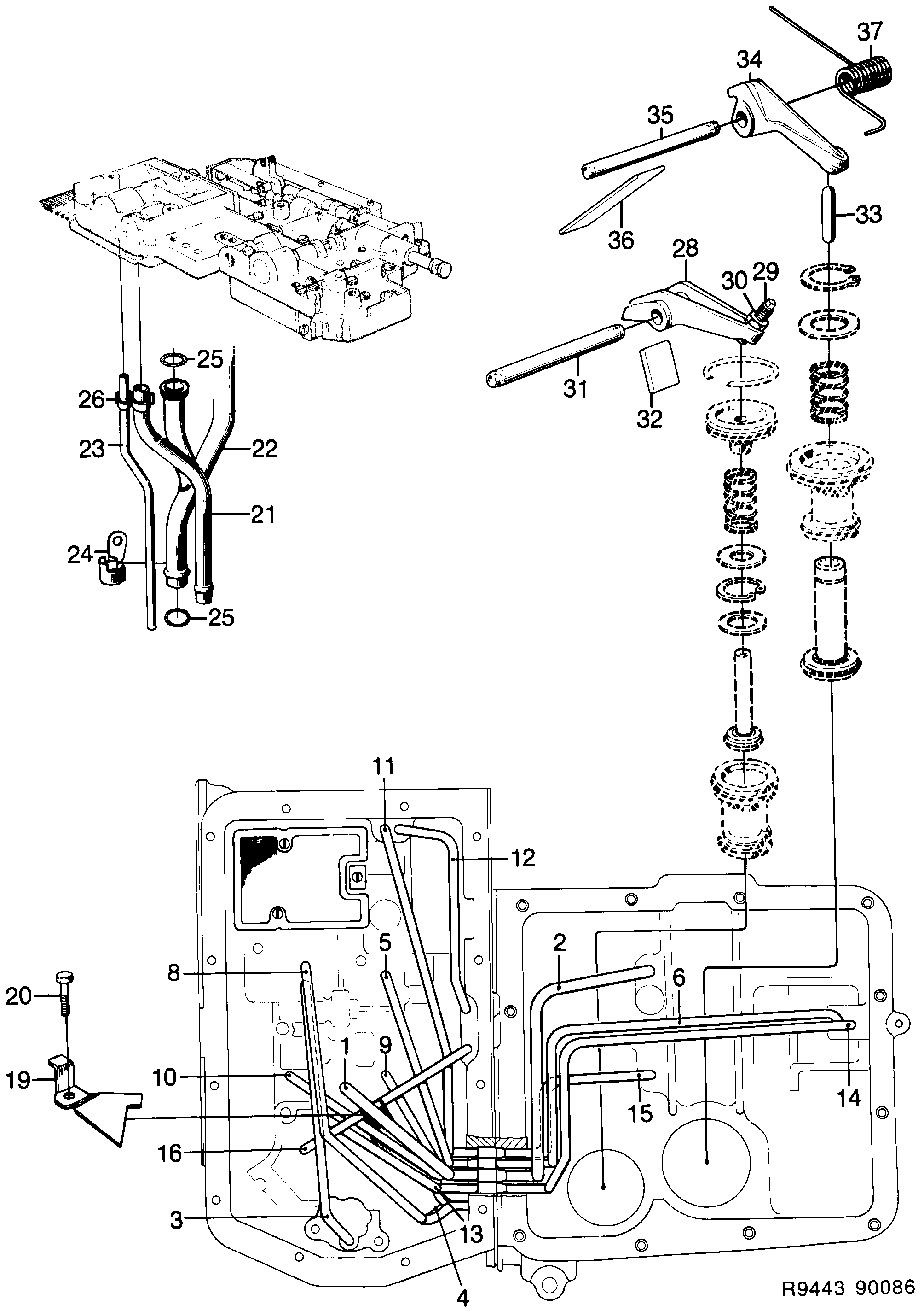
700: Transmission - Boîte de vitesses, automatique - Système de contrôle - 2ème partie
(1986 - 1989 | A)

| Pos. | Réf. | Qté | |
|---|---|---|---|
Boîte de vitesses, automatique | |||
| 1 | 7542632 Tuyau | 1 | |
| 2 | 9335241 Tuyau | 1 | |
| 3 | 7542640 Tuyau | 1 | |
| 4 | 9335266 Tuyau | 1 | |
| 5 | 9335324 Tuyau | 1 | |
| 6 | 9335340 Tuyau | 1 | |
| 8 | 7542657 Tuyau | 1 | |
| 9 | 9335290 Tuyau | 1 | |
| 10 | 9335308 Tuyau | 1 | |
| 11 | 9335357 Tuyau | 1 | |
| 12 | 9335365 Tuyau | 1 | |
| 13 | 7510423 Tuyau | 1 | |
| 14 | 7510431 Tuyau | 1 | |
| 15 | 9335373 Tuyau | 1 | |
| 16 | 9335381 Tuyau | 1 | |
| 19 | 9348178 Tirant | 1 | |
| 20 | 9362328 Vis | 1 | |
| 21 | 8709164 Tuyau | 1 | |
| 22 | 7542251 Tuyau | 1 | |
| 23 | 9334749 Tuyau | 1 | |
| 24 | 8332595 Collier serrage | 1 | |
| 25 | 8705733 Joint torique | 2 | |
| 26 | 8708760 Collier serrage | 1 | |
| 28 | 8706038 Bras | 1 | |
| 29 | 8706046 Vis réglage | 1 | |
| 30 | 9334814 Ecrou | 1 | |
| 31 | 8706061 Arbre | 1 | |
| 32 | 9347949 Plateau pression | 1 | |
| 33 | 8706103 Tige-poussoir | 1 | |
| 34 | 9334822 Levier | 1 | |
| 35 | 8706061 Arbre | 1 | |
| 36 | 8705220 Articulation | 1 | |
| 37 | 7544844 Ressort | 1 | |
7511470 Kit tuyaux | 1 |