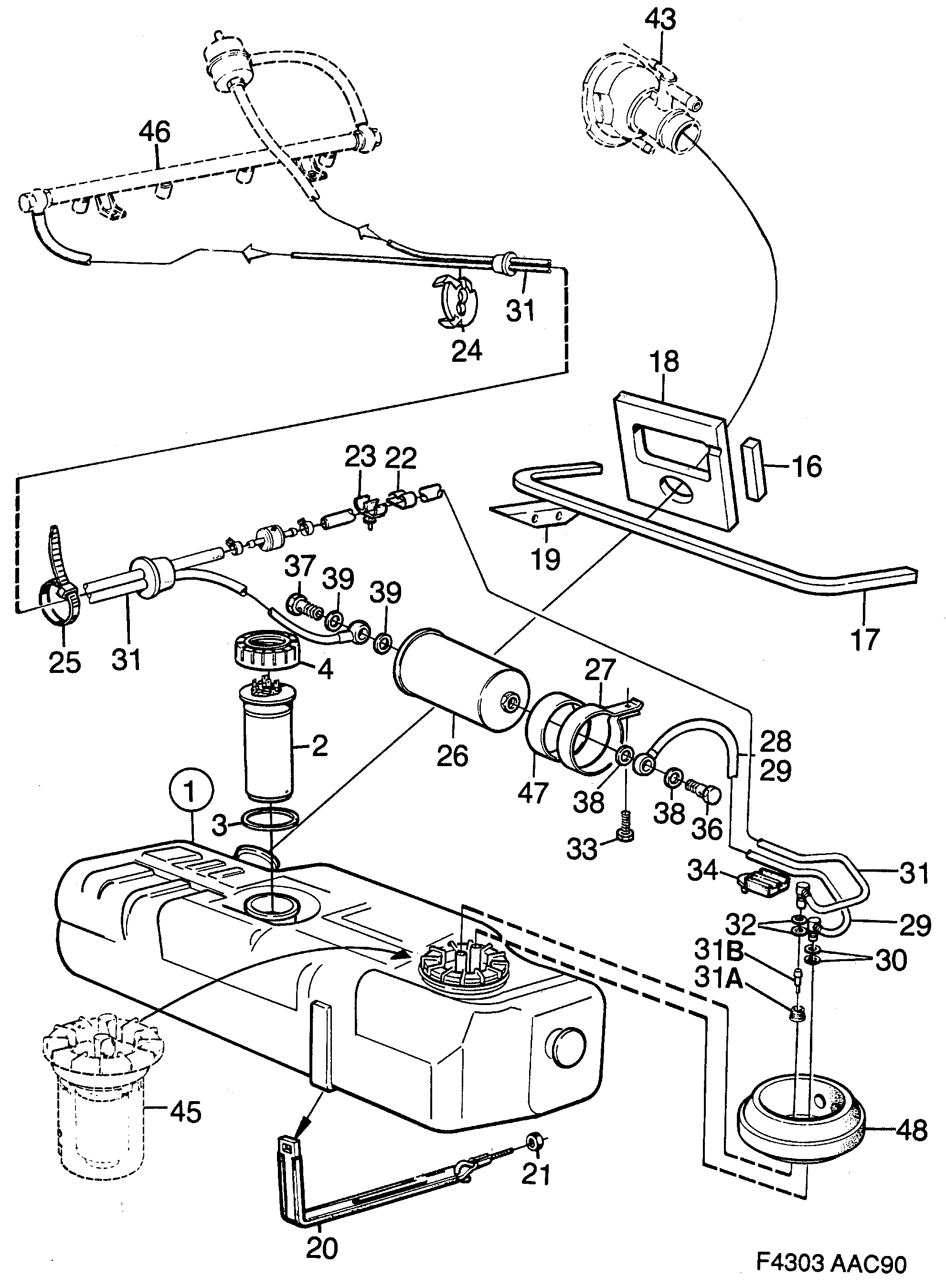
830: Moteur - Système de carburant - Réservoir d'essence
(1990 - 1993 | B212)
Concerne aussi CV 1994

| Pos. | Réf. | Qté | |
|---|---|---|---|
| 1 | 8982126 Réservoir | 1 | |
| 2 | 8980393 Transmetteur carburant | 1 | |
| 3 | 9392689 Joint | 1 | |
| 4 | 9393950 Ecrou | 1 | |
| 16 | 8572752 Support | 2 | |
| 17 | 4019824 Joint | 1 | |
| 18 | 4015608 Joint | 1 | |
| 19 | 9329855 Joint | 1 | |
| 20 | 4015145 Ruban serrage | 2 | |
| 21 | 8074288 11900440 Ecrou Usage: 1990-1992 | 2 | |
| 21 | 9166406 11900440 Ecrou Usage: 1993-1993 | 2 | |
| 22 | 9349945 Clip | 2 | |
| 23 | 7963895 Collier | 2 | |
| 24 | 8328346 Support | 1 | |
| 25 | 7971872 Ruban serrage | 2 | |
| 26 | 9333790 4163853 Filtre carburant Usage: 1990-1991 | 1 | |
| 26 | 8978405 4163853 Filtre carburant Usage: 1990-1991 | Voitures équipées d'un système d'injection Lucas. | 1 | |
| 26 | 4163853 Filtre carburant Usage: 1992-1993 | 1 | |
| 27 | 7526650 4573903 Fixation | 1 | |
| 29 | 4015715 Conduite carburant Usage: -1990 | 1 | |
| 29 | 4161741 Conduite carburant Usage: 1990- | 1 | |
| 30 | 7974546 Joint torique | 2 | |
| 31 | 4015731 Conduite carburant Usage: Pour I avec catalyseur. | 1 | |
| 31 | 4015723 Conduite carburant | 1 | |
| 31A | 8977779 Valve antiretour | 1 | |
| 31B | 8977761 Cône soupape | 1 | |
| 32 | 7974546 Joint torique | 2 | |
| 33 | 7923014 Vis | 1 | |
| 34 | 9382870 Collier serrage | 3 | |
| 36 | 8322927 12773569 Vis banjo Usage: 1990-1991 | 1 | |
| 36 | 4374211 12773569 Vis banjo Usage: 1992-1993 | 1 | |
| 37 | 8319915 12794638 Vis banjo Usage: 1990-1991 | 1 | |
| 37 | 4374203 12794638 Vis banjo Usage: 1992-1993 | 1 | |
| 38 | 8981961 4161162 Joint Usage: -1992 | 2 | |
| 38 | 4161162 Joint Usage: 1992- | 2 | |
| 39 | 8981979 4443883 Joint Usage: -1992 | 2 | |
| 39 | 4159265 4443883 Joint Usage: 1992- | 2 | |
| 43 | Tube remplissage | ||
| 45 | Pompe carburant | ||
| 46 | |||
| 47 | 8977811 Cale Usage: -1992 | Voitures équipées d'un système d'injection Lucas. | 1 | |
| 48 | 4020673 4160305 Joint Usage: 1990-1990 | 1 | |
| 48 | 4160305 Joint Usage: 1991-1993 | 1 | |
9362781 Flexible Usage: L=10M | X |