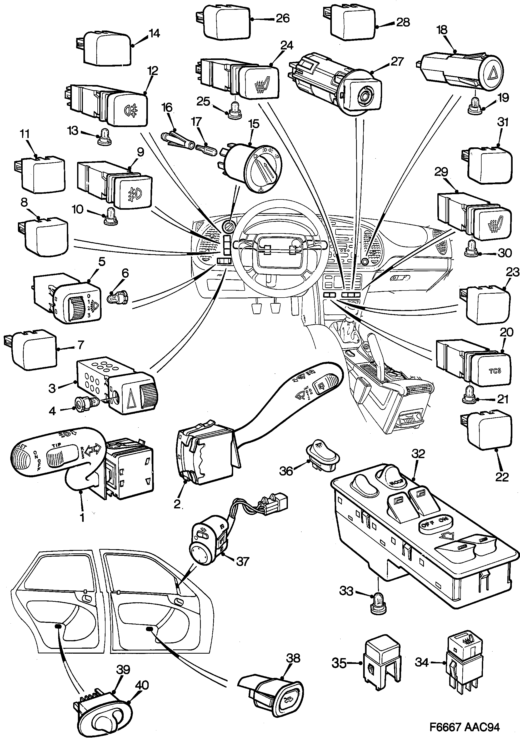
840: Système électrique, généralités - Autre équipement électrique - Interrupteur
(1994 - 1998)

| Pos. | Réf. | Qté | |
|---|---|---|---|
| 1 | 4409314 5354139 Interrupteur Usage: 1994-1996 | clignotants | 1 | |
| 1 | 4739488 5354139 Interrupteur Usage: 1997-1998 | clignotants | 1 | |
| 1 | 4409306 5354147 Interrupteur Usage: 1994-1995 | Avec régulateur de vitesse. clignotants | 1 | |
| 1 | 4692778 5354147 Interrupteur Usage: 1996-1996 | Avec régulateur de vitesse. clignotants | 1 | |
| 1 | 4669081 5354147 Interrupteur Usage: 1997-1998 | Avec régulateur de vitesse. clignotants | 1 | |
| 2 | 4409439 Interrupteur Usage: -1994 | essuie-glace | 1 | |
| 2 | 4617486 Interrupteur Usage: 1994-1995 | essuie-glace | 1 | |
| 2 | 4692794 Interrupteur Usage: 1996-1997 | essuie-glace | 1 | |
| 2 | 4616132 5354162 Interrupteur Usage: 1998-1998 | essuie-glace | 1 | |
| 2 | 4409421 Interrupteur Usage: -1994 | Avec essuie-glace arrière essuie-glace | 1 | |
| 2 | 4617478 Interrupteur Usage: 1994-1995 | Avec essuie-glace arrière essuie-glace | 1 | |
| 2 | 4692786 Interrupteur Usage: 1996-1996 | Avec essuie-glace arrière essuie-glace | 1 | |
| 2 | 4811360 Interrupteur Usage: 1997-1997 | Avec essuie-glace arrière essuie-glace | 1 | |
| 2 | 4616140 5354170 Interrupteur Usage: 1998-1998 | Avec essuie-glace arrière essuie-glace | 1 | |
| 3 | 4202933 4617460 Rhéostat Usage: éclairage du tableau de bord | 1 | |
| 4 | 4466967 Ampoule | 1 | |
| 5 | 4410775 5471073 Interrupteur Usage: -1997 | réglage du niveau des phares | 1 | |
| 5 | 4736906 5471073 Interrupteur Usage: 1997- | réglage du niveau des phares | 1 | |
| 6 | 4466967 Ampoule Usage: -1997 | 1 | |
| 6 | 4929311 5471065 Ampoule Usage: 1997- | 1 | |
| 7 | 4409280 30550921 Bouton Usage: bouton borgne | 1 | |
| 8 | 4409264 12768428 Bouton Usage: bouton borgne | 1 | |
| 9 | 30550915 12768423 Interrupteur Usage: antibrouillard | (4409223) | 1 | |
| 10 | 4466439 Ampoule | 1 | |
| 11 | 4409272 12768427 Bouton Usage: bouton borgne | 1 | |
| 12 | 4409231 Interrupteur Usage: 1994-1996 | antibrouillard arrière | 1 | |
| 12 | 4733952 Interrupteur Usage: 1997-1998 | antibrouillard arrière | 1 | |
| 13 | 4466439 Ampoule | 1 | |
| 14 | 4409264 12768428 Bouton Usage: bouton borgne | 1 | |
| 15 | 8590838 Interrupteur Usage: commutateur d'éclairage | 1 | |
| 16 | 8553356 Support | 1 | |
| 17 | 8500613 93190474 Ampoule Usage: 40/238 286 009 | 1 | |
| 18 | 4109526 Interrupteur Usage: feu de détresse | 1 | |
| 19 | 4114898 Ampoule | 1 | |
| 20 | 4411864 Interrupteur Usage: 1994-1997 | TCS | 1 | |
| 21 | 4466439 Ampoule | 1 | |
| 22 | 4409280 30550921 Bouton Usage: bouton borgne | 1 | |
| 23 | 4409280 30550921 Bouton Usage: bouton borgne | 1 | |
| 24 | 4409256 30550918 Interrupteur Usage: coussin chauffant | LH | 1 | |
| 25 | 4466439 Ampoule | 1 | |
| 26 | 4409280 30550921 Bouton Usage: bouton borgne | 1 | |
| 27 | Capteur Usage: température de l'air intérieur | ||
| 28 | 4410403 Bouton Usage: bouton borgne | 1 | |
| 29 | 4409249 Interrupteur Usage: coussin chauffant | RH | 1 | |
| 30 | 4466439 Ampoule | 1 | |
| 31 | 4409280 30550921 Bouton Usage: bouton borgne | 1 | |
| 32 | 4224036 Interrupteur Usage: 1994-1994 | lève-vitre | 1 | |
| 32 | 4615852 Interrupteur Usage: 1995-1998 | lève-vitre | 1 | |
| 32 | 4224028 Interrupteur Usage: 1994-1994 | Pour voitures équipées d'un toit ouvrant. lève-vitre | 1 | |
| 32 | 4615860 Interrupteur Usage: 1995-1998 | Pour voitures équipées d'un toit ouvrant. lève-vitre | 1 | |
| 32 | 4223996 Interrupteur Usage: 1994-1994 | lève-vitre | 1 | |
| 32 | 4519146 Interrupteur Usage: 1995-1998 | lève-vitre | 1 | |
| 32 | 4223988 Interrupteur Usage: 1994-1994 | Pour voitures équipées d'un toit ouvrant. lève-vitre | 1 | |
| 32 | 4519120 Interrupteur Usage: 1995-1998 | Pour voitures équipées d'un toit ouvrant. lève-vitre | 1 | |
| 32 | 4224044 Interrupteur Usage: lève-vitre | 1 | |
| 33 | 4069373 Ampoule | 1 | |
| 34 | 4222493 Interrupteur Usage: 1995-1998 | Arrière. coussin chauffant | 1 | |
| 35 | 4223426 Bouton Usage: bouton borgne | 1 | |
| 36 | 4411997 Interrupteur Usage: éclairage intérieur | 1 | |
| 37 | 4466405 5248141 Interrupteur Usage: LHD | EM | 1 | |
| 37 | 4466413 5248141 Interrupteur Usage: RHD | EM | 1 | |
| 38 | 4061883 4733440 Interrupteur Usage: 1994-1996, LHD | serrure de coffre bagage | 1 | |
| 38 | 4733440 Interrupteur Usage: 1997-1998, LHD | serrure de coffre bagage | 1 | |
| 38 | 4061255 4733457 Interrupteur Usage: 1994-1996, RHD | serrure de coffre bagage | 1 | |
| 38 | 4733457 Interrupteur Usage: 1997-1998, RHD | serrure de coffre bagage | 1 | |
| 39 | 4437463 4519989 Interrupteur Usage: -1994 | Arrière. lève-vitre | 2 | |
| 39 | 4519989 Interrupteur Usage: 1994- | Arrière. lève-vitre | 2 | |
| 40 | 4437455 Châssis | 2 |