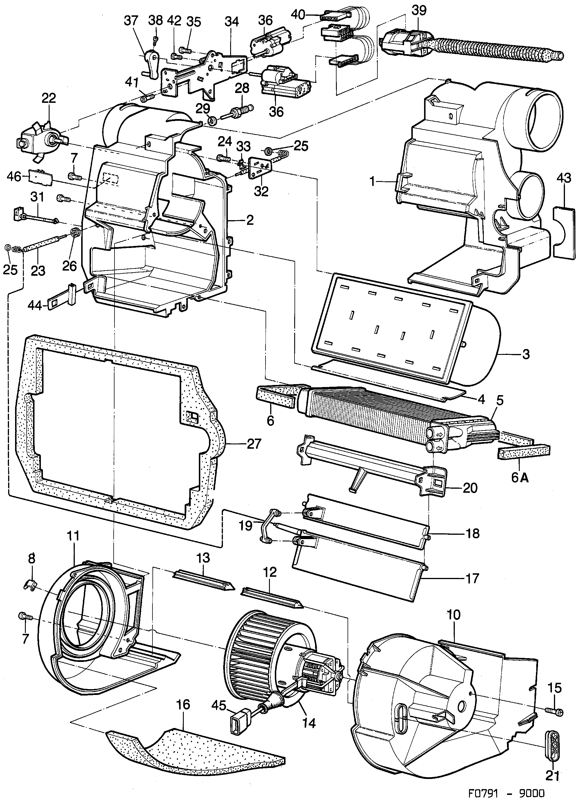
160: Отопление и вентиляция - Теплообменник, серво - Вентилятор, АСС
(1985 - 1989) | Для 9000 (1985)

| Поз. | Номер | Кол-во | |||
|---|---|---|---|---|---|
| 1 | 9622663 Корпус отопителя LH | 1 | |||
| 2 | 9622671 Корпус отопителя 1985-1988 | RH | 1 | |||
| 3 | 9624578 Корпус воздухоотражателя | 1 | |||
| 4 | 9625468 Шина жесткости | 1 | |||
| 5 | 9620238 4613881 Теплообменник | 1 | |||
| 6 | 9626300 Уплотнение | 1 | |||
| 6A | 9626318 Уплотнение | 1 | |||
| 7 | 7971443 Винт | 2 | |||
| 8 | 9625989 Зажим | 10 | |||
| 10 | 9622606 9628272 Корпус вентилятора 1985-1986 | LH | 1 | |||
| 11 | 9622614 Корпус вентилятора RH | 1 | |||
| 12 | 9625138 Воздухоотражатель LH | 1 | |||
| 13 | 9625120 Воздухоотражатель RH | 1 | |||
| 14 | 9622622 9628587 Узел вентилятора 1985-1986 | 1 | |||
| 15 | 8059230 92151805 Винт | 1 | |||
| 16 | 9625955 Изоляция | 1 | |||
| 17 | 9624321 Заслонка | 1 | |||
| 18 | 9624305 Заслонка | 1 | |||
| 19 | 9624347 Шарнир | 1 | |||
| 20 | 9622655 Промежуточная деталь | 1 | |||
| 21 | 9622812 Крышка | 1 | |||
| 22 | 9623869 Передача между пересекающимися осями | 1 | |||
| 23 | 9623935 Регулировочный кабель | 1 | |||
| 24 | 7971393 Винт | 1 | |||
| 25 | 7975485 Шайба | 2 | |||
| 26 | 9625831 Защитная втулка | 1 | |||
| 27 | 9626987 9631490 Уплотнение 1985-1987 | (9620345) | 1 | |||
| 28 | 7974090 7399348 Винт | 2 | |||
| 29 | 7916489 92153032 Шайба 1985-1987 | 2 | |||
| 31 | 1 | ||||
| 32 | 9623315 Крепежная накладка | 1 | |||
| 33 | 9622432 Зажим | 1 | |||
| 34 | 9625534 Крепежная пластина | 1 | |||
| 35 | 7971443 Винт | 2 | |||
| 36 | 9625435 Электромотор | 2 | |||
| 37 | 9623968 Рычаг | 1 | |||
| 38 | 7975584 92150234 Винт | 1 | |||
| 39 | 9626052 Вентилятор 1985-1986 | 1 | |||
| 40 | 9624123 Проводка | 1 | |||
| 41 | 8059107 Винт | 6 | |||
| 42 | 7971336 Винт 1985-1986 | 2 | |||
| 43 | 9622697 Держатель | 1 | |||
| 44 | 9627415 Крепежная накладка LH | 1 | |||
| 44 | 9627407 Крепежная накладка RH | 1 | |||
| 45 | Блок контактов See Group 3B Connector housing. | ||||