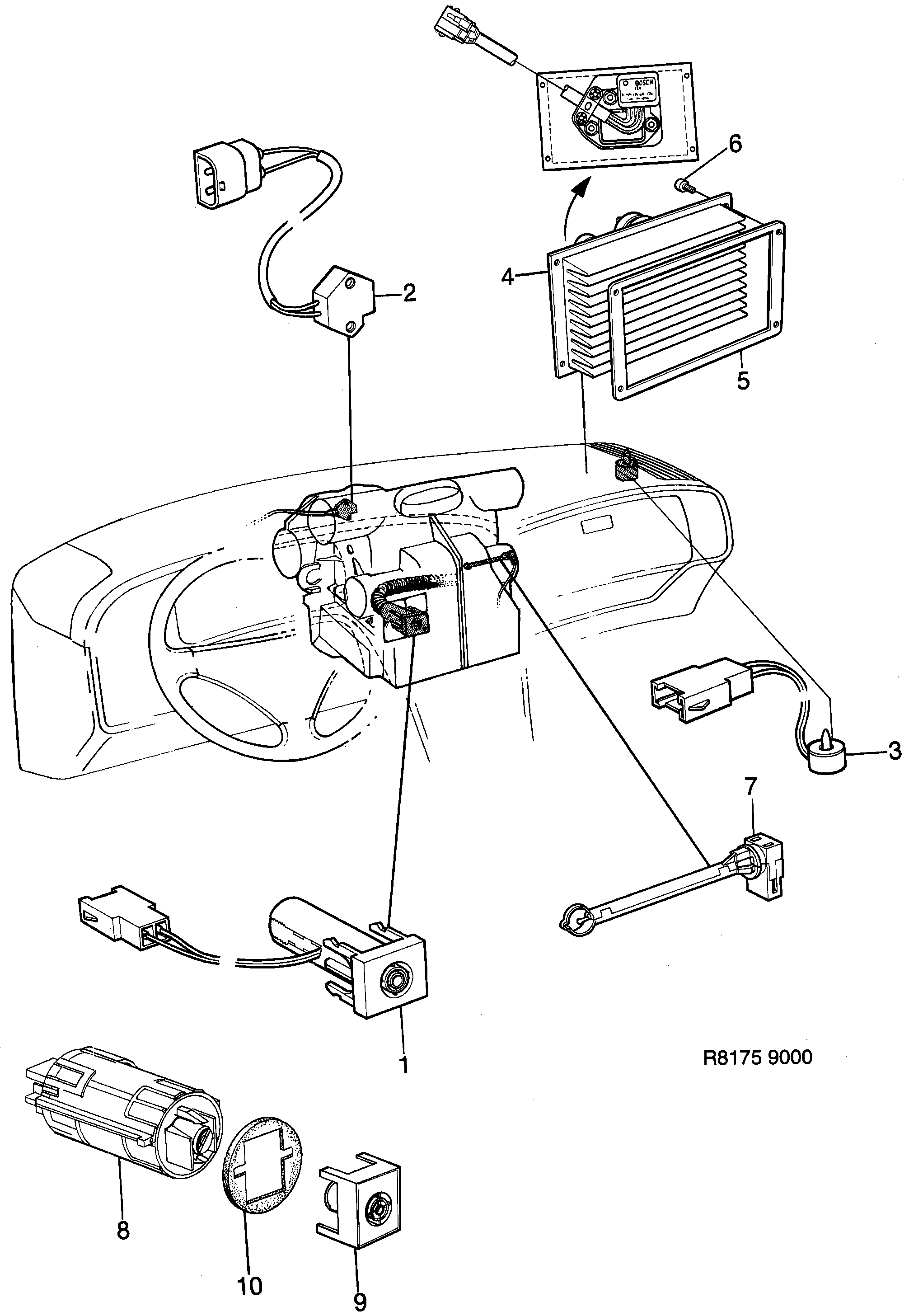
1090: Электрика, общие данные - Прочее электрическое оборудование - Датчик АСС
(1985 - 1989) | Для 9000 (1985)

| Поз. | Номер | Кол-во | |||
|---|---|---|---|---|---|
| 1 | 9622747 Датчик 1985-1986 | температура воздуха в салоне | 1 | |||
| 2 | 9623265 Датчик температура наружного воздуха | 1 | |||
| 3 | 9626375 Датчик интенсивность солнечного излучения | 1 | |||
| 3 | 9628033 Датчик интенсивность солнечного излучения | 1 | |||
| 4 | 9622788 Управляющее устройство -1988 | 1 | |||
| 5 | 9625823 Уплотнение -1988 | 1 | |||
| 6 | 7922214 Винт | 4 | |||
| 7 | 9622762 Датчик температура смеси воздуха | 1 | |||