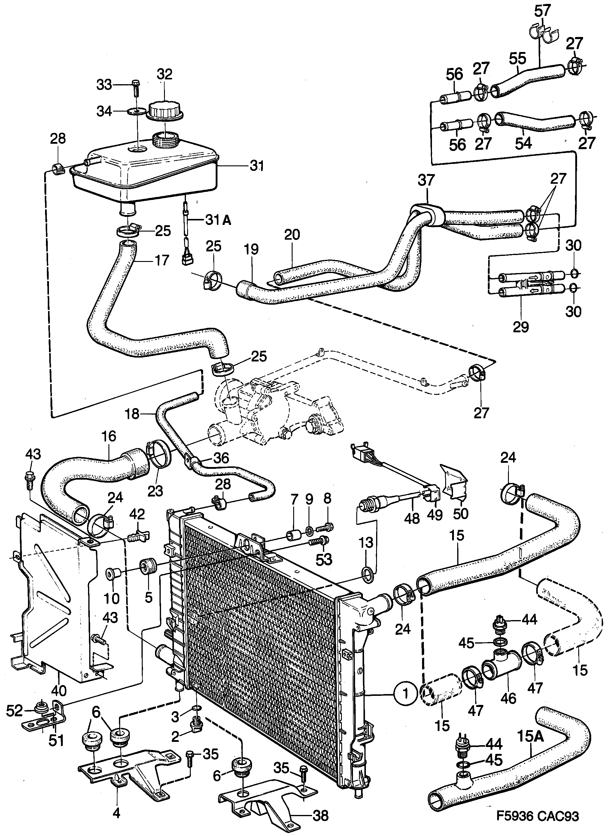
1760: Двигатель - Система охлаждения - Радиатор, и т.д.
(1990 - 1993) | Для 9000 (1990)

| Поз. | Номер | Кол-во | |||
|---|---|---|---|---|---|
| 1 | 9382649 7599194 Радиатор 1990-1990 | TURBO | 1 | |||
| 1 | 7550080 7599194 Радиатор 1990-1990 | TURBO | 1 | |||
| 1 | 9382656 Радиатор 1990-1990 | TURBO | AC | 1 | |||
| 1 | 7550098 Радиатор 1990-1990 | TURBO | AC | 1 | |||
| 1 | 9382649 7599194 Радиатор -1990 | I | 1 | |||
| 1 | 9382631 Радиатор 1990- | B202I | HEAT/VENT | 1 | |||
| 1 | 9382649 7599194 Радиатор 1990-1992 | B202I | Кроме SE, FI, EU, GB | HEAT/VENT | 1 | |||
| 1 | 9382649 7599194 Радиатор 1990-1992 | B202I | AC | 1 | |||
| 1 | 9382649 7599194 Радиатор 1990-1992 | B234I | 1 | |||
| 1 | 7550080 7599194 Радиатор -1992 | I | 1 | |||
| 2 | 9385824 Дренажная пробка | 1 | |||
| 3 | 7975725 О-образное кольцо | 1 | |||
| 4 | 7576382 Крепление TURBO | 1 | |||
| 5 | 9377334 Резиновая втулка | 1 | |||
| 6 | 4027488 Резиновая втулка | 2 | |||
| 7 | 7553415 Резиновая втулка | 1 | |||
| 8 | 7978133 Винт | 1 | |||
| 9 | 7975469 7987506 Шайба | 1 | |||
| 10 | 7576200 Гайка | 1 | |||
| 13 | 9386285 Уплотнение | 1 | |||
| 15 | 7551187 4876363 Шланг | 1 | |||
| 15 | 4356598 4876363 Шланг Для рынков со среднегодовой температурой выше 10°С. Альтернатива для 75 51 187. | 1 | |||
| 15A | 4118188 4359709 Шланг | 1 | |||
| 15A | 4359006 4359709 Шланг Для рынков со среднегодовой температурой выше 10°С. Альтернатива для 41 18 188. | 1 | |||
| 16 | 9383670 Шланг 1990-1990 | TURBO | 1 | |||
| 16 | 9383688 Шланг 1990-1990 | TURBO | AC | 1 | |||
| 16 | 9383662 Шланг 1990-1990 | B202I | 1 | |||
| 16 | 9383670 Шланг 1990-1990 | B202I | AC | 1 | |||
| 16 | 7576663 4876645 Шланг B234 | 1 | |||
| 17 | 7554009 Шланг B202 | 1 | |||
| 17 | 7554017 Шланг 1990-1992 | B202 | AC | 1 | |||
| 17 | 4283164 Шланг B202 | Для автомобилей с хладоагентом R134a. | AC | 1 | |||
| 17 | 7576671 4876611 Шланг B234 | 1 | |||
| 18 | 4118048 Шланг 1990-1990 | TURBO | 1 | |||
| 18 | 4118030 Шланг 1990-1990 | TURBO | 1 | |||
| 18 | 4118030 Шланг 1990-1990 | TURBO | AC | 1 | |||
| 18 | 7550122 Шланг 1990-1990 | B202I | 1 | |||
| 18 | 4118048 Шланг 1990-1990 | B202I | 1 | |||
| 18 | 4118048 Шланг 1990-1990 | B202I | AC | 1 | |||
| 18 | 4118048 Шланг 1990-1990 | B234I | 1 | |||
| 19 | 7554025 Шланг 1990-1991 | 1 | |||
| 19 | 4356606 Шланг 1990-1991 | Для рынков со среднегодовой температурой выше 10°С. Альтернатива для 75 54 025. | 1 | |||
| 20 | 7554033 Шланг 1990-1991 | B202 | 1 | |||
| 20 | 4027785 Шланг -1990 | B234 | 1 | |||
| 20 | 4120366 Шланг 1990-1991 | B234 | 1 | |||
| 23 | 7970122 Зажим шланга | 1 | |||
| 24 | 7970114 Зажим шланга | 3 | |||
| 25 | 7970098 Зажим шланга | 3 | |||
| 27 | 7970072 Зажим шланга | 6 | |||
| 28 | 7970031 Зажим шланга 1990-1991 | B202 | 2 | |||
| 28 | 7970049 Зажим шланга 1990-1991 | B234 | 2 | |||
| 29 | 9385709 Быстрая муфта 1990-1991 | 1 | |||
| 30 | 7974975 О-образное кольцо 1990-1991 | 2 | |||
| 31 | 8786055 Расширительный бак 1990-1991 | 1 | |||
| 31A | 7554348 Датчик уровня | 1 | |||
| 32 | 7577323 4395570 Крышка | 1 | |||
| 33 | 8084063 Винт | 1 | |||
| 34 | 8371650 Шайба | 1 | |||
| 35 | 8019895 Винт | 3 | |||
| 36 | 8536419 11900515 Зажим 1990-1991 | 1 | |||
| 36 | 7971880 11900513 Хомут 1990-1991 | AC | 1 | |||
| 37 | 7598212 Вводной канал 1990-1991 | 1 | |||
| 38 | 7576390 Крепление I | 1 | |||
| 40 | 7550015 4118360 Накладная пластина 1990-1991 | I | AC | 1 | |||
| 40 | 7550007 Накладная пластина 1990-1991 | B202I | 1 | |||
| 42 | 9385832 Резиновый строп I | 1 | |||
| 43 | 7971823 Винт I | AC | 3 | |||
| 44 | 9526526 4086724 Термоконтакт 1990-1991 | Входит в комплект, отключение АС 75 77 042. | 1 | |||
| 45 | 8330268 Уплотнение Входит в комплект, отключение АС 75 77 042. | 1 | |||
| 46 | 7576960 Труба Входит в комплект, отключение АС 75 77 042. | 1 | |||
| 47 | 7970114 Зажим шланга Входит в комплект, отключение АС 75 77 042. | 2 | |||
| 48 | 4110508 4086690 Термоконтакт 1990-1991 | 1 | |||
| 48 | 9567967 4086682 Термоконтакт 1990-1991 | Для двухступенчатого вентилятора охлаждения. | 1 | |||
| 49 | 4060083 Зажим 1990-1992 | TURBO | 1 | |||
| 50 | 4063459 Защита 1990-1992 | TURBO | 1 | |||
| 51 | 7550346 Крепление AC | 1 | |||
| 51 | 7550346 Крепление B234TURBO | 1 | |||
| 52 | 7550353 Резиновая втулка AC | 1 | |||
| 52 | 7550353 Резиновая втулка B234TURBO | 1 | |||
| 52 | 7550353 Резиновая втулка B234TURBO | AC | 2 | |||
| 53 | 7972441 Винт AC | 1 | |||
| 53 | 7972441 Винт B234TURBO | 1 | |||
| X | |||||
| X | |||||
| X | |||||